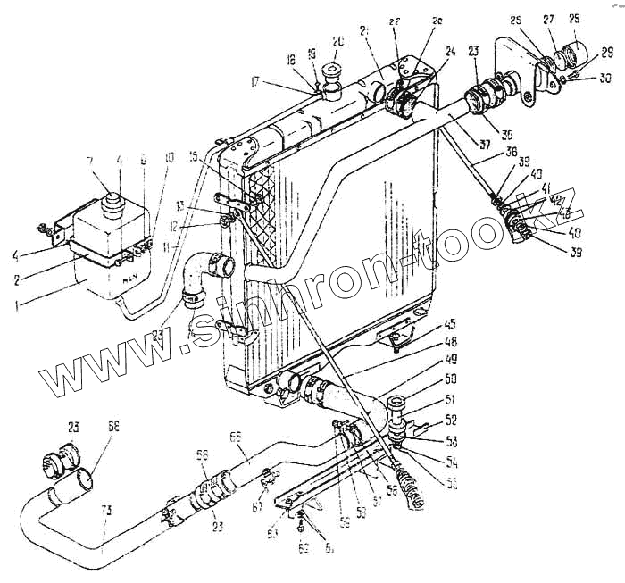
Каталог запасных частей к технике: ПАЗ-3205-110. Радиатор
1
2
4
4
7
9
10
11
12
13
15
17
18
19
20
20
21
22
23
23
23
23
24
26
27
28
29
30
36
37
38
39
39
40
40
42
43
45
48
49
50
51
52
53
54
55
61
62
63
66
67
68
73
74
| Позиция на иллюстрации | Заводской номер детали | Название детали | |
|---|---|---|---|
| 250508-П29 | 250508-П29 | Гайка М6 | |
| 201456-П29 | 201456-П29 | Болт М8х20 | |
| 20-1002199 | 20-1002199 | Штуцер переходный | |
| 258001-П | 258001-П | Шплинт диам 1,5х12 | |
| Хомут червячный Ф 40-55 (фирма АВА) | Хомут червячный Ф 40-55 (фирма АВА) | Хомут червячный Ф 40-55 (фирма АВА) | |
| 53А-1305012 | 53А-1305012 | Тяга управления сливным краником правая | |
| 53А-1305013 | 53А-1305013 | Тяга управления сливным краником левая | |
| 66-1305030-02 | 66-1305030-02 | Кронштейн тяги управления правый | |
| 53-1305031-01 | 53-1305031-01 | Кронштейн тяги управления левый | |
| ПС7-1-0 | ПС7-1-0 | Краник сливной на блоке цилиндров | |
| 250510-П29 | 250510-П29 | Гайка М8 | |
| 3205-1303031 | 3205-1303031 | Скоба | |
| 1 | 24-1311014 | Бачок расширительный | |
| 2 | 3205-1311072 | Хомут | |
| 4 | 201418-П29 | Болт М6х16 | |
| 7 | 24-1311065 | Пробка расширительного бачка | |
| 9 | 254154-П29 | Шайба 6 | |
| 10 | 250508-П29 | Гайка М6 | |
| 11 | 3205-1311071-10 | Шланг | |
| 12 | 250510-П29 | Гайка М8 | |
| 13 | 252155-П29 | Шайба 8 | |
| 15 | 201456-П29 | Болт М8х20 | |
| 17 | 288002-П29 | Хомутик | |
| 18 | 251086-П23 | Гайка М5 | |
| 19 | 220086-П29 | Винт М5х30 | |
| 20 | 24-1304010 | Пробка радиатора | |
| 21 | 66-50-1301006 | Радиатор системы охлаждения | |
| 22 | ТМ-111-02 | Датчик контрольной лампы перегрева охлаждающей жидкости | |
| 23 | Хомут червячный Ф 40-55 (фирма Пирит} | Хомут червячный Ф 40-55 (фирма Пирит} | |
| 24 | 672-1303010 | Шланг радиатора | |
| 26 | 3205-1301170 | Наливная горловина радиатора | |
| 27 | 652-1304060 | Уплотнитель пробки | |
| 28 | 652-1304050-А1 | Пробка наливного патрубка радиатора с уплотнением | |
| 29 | 224624-П29 | Винт М6х14 крепления панели спинки нижний | |
| 30 | 252134-П29 | Шайба 6 | |
| 36 | 3205-1303 | Шланг подводящий боковой от наливной горловины к подводящей трубе | |
| 37 | 3205-1303012 | Труба радиатора подводящая | |
| 38 | 3205-1302034 | Тяга радиатора правая | |
| 39 | 250512-П29 | Гайка М10 | |
| 40 | 252137-П29 | Шайба 6 | |
| 42 | 672-1302094 | Прокладка | |
| 43 | 20-1001095 | Втулка распорная | |
| 45 | 290789-П29 | Болт М10х42 | |
| 48 | 3205-1302035 | Тяга радиатора левая | |
| 49 | 51А-1303025 | Шланг соединительный | |
| 50 | 672-1302045 | Подушка подвески радиатора | |
| 51 | 20-1302048 | Втулка болта крепления радиатора | |
| 52 | 3205-1302010 | Балка крепления радиатора | |
| 53 | 672-1302033 | Шайба | |
| 54 | 250976-П29 | Гайка М10 | |
| 55 | 258039-П29 | Шплинт 3,2х20 | |
| 61 | 252006-П29 | Шайба 10 | |
| 62 | 201495-П29 | Болт М10х20 | |
| 63 | 252136-П29 | Шайба 10 пружинная | |
| 66 | 3205-1303041 | Труба радиатора отводящая правая | |
| 67 | 51-1305010 | Краник сливной трубы радиатора в сборе | |
| 68 | 3205-1303055 | Шланг соединительный | |
| 69 | 672-1303030 | Хомут крепления отводящей трубы радиатора | |
| 70 | 201420-П29 | Болт М6х20 | |
| 73 | 3205-1303040-10 | Труба радиатора отводящая левая | |
| 74 | 3205-1303020 | Муфта соединительная от подводящей трубы к двигателю |
Содержащиеся в справочниках-каталогах запасные части и детали не предлагаются к продаже, а носят исключительно информационный характер