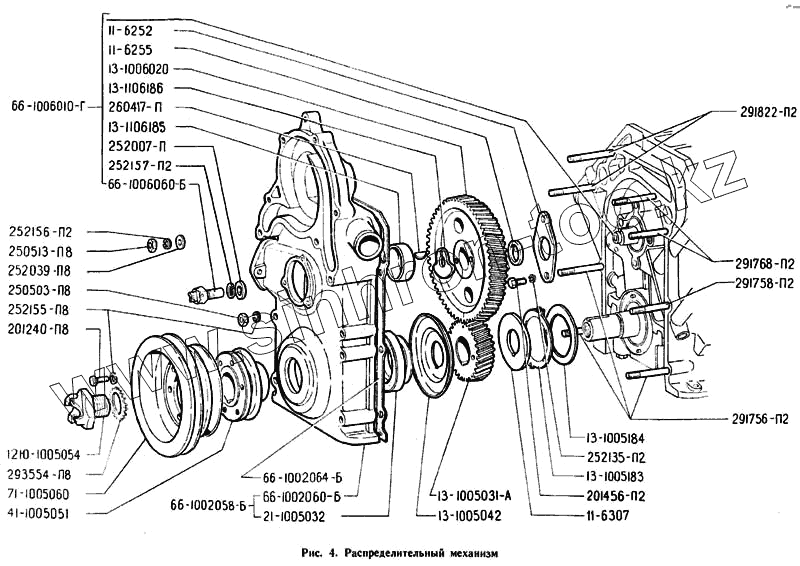
Каталог запасных частей к технике: ЗЗГТ ГАЗ-71. Распределительный механизм
13-1005031-А
252157-П2
252135-П2
252155-П8
252156-П2
293554-П8
11-6307
13-1005184
13-1005183
252039-П8
13-1006020
71-1005060
291822-П2
291758-П2
291756-П2
291768-П2
260417-П
13-1106185
66-1002058-Б
66-1006060-Б
201456-П2
201240-П8
66-1006010-Г
250503-П8
250513-П8
11-6255
66-1002060-Б
13-1106186
13-1005042
66-1002064-Б
21-1005032
41-1005051
11-6252
12Ю-1005054
252007-П
| Позиция на иллюстрации | Заводской номер детали | Название детали | |
|---|---|---|---|
| 13-1005031-А | 13-1005031-А | Шестерня распределительная коленчатого вала | |
| 252157-П2 | 252157-П2 | Шайба 12Л ОСТ 37.001.115-75 | |
| 252135-П2 | 252135-П2 | Шайба | |
| 252155-П8 | 252155-П8 | Шайба 8 пружинная | |
| 252156-П2 | 252156-П2 | Шайба | |
| 293554-П8 | 293554-П8 | Шайба 28 пружинная | |
| 11-6307 | 11-6307 | Шайба упорная коленчатого вала | |
| 13-1005184 | 13-1005184 | Шайба упорного подшипника задняя | |
| 13-1005183 | 13-1005183 | Шайба передняя | |
| 252039-П8 | 252039-П8 | Шайба 10 | |
| 13-1006020 | 13-1006020 | Шестерня распределительного вала в сборе | |
| 71-1005060 | 71-1005060 | Шкив коленчатого вала | |
| 291822-П2 | 291822-П2 | Шпилька М10х1х100 | |
| 291758-П2 | 291758-П2 | Шпилька М8х1х58 | |
| 291756-П2 | 291756-П2 | Шпилька М8х1х55 крепления крышки распределительных шестерен | |
| 291768-П2 | 291768-П2 | Шпилька М8х1-4hх88 | |
| 260417-П | 260417-П | Шпонка 5х22 | |
| 13-1106185 | 13-1106185 | Эксцентрик привода топливного насоса | |
| 66-1002058-Б | 66-1002058-Б | Крышка распределительных шестерен в сборе | |
| 66-1006060-Б | 66-1006060-Б | Болт крепления шестерен распределительного вала и привода центробежного датчика в сборе | |
| 201456-П2 | 201456-П2 | Болт М8-6gх20 | |
| 201240-П8 | 201240-П8 | Болт М8-4hх18 | |
| 66-1006010-Г | 66-1006010-Г | Вал распределительный в сборе | |
| 250503-П8 | 250503-П8 | Гайка М8х1-4Н5Н | |
| 250513-П8 | 250513-П8 | Гайка М10х1-6Н | |
| 11-6255 | 11-6255 | Кольцо распорное распределительного вала | |
| 66-1002060-Б | 66-1002060-Б | Крышка распределительных шестерен | |
| 13-1106186 | 13-1106186 | Балансир эксцентрика привода бензинового насоса | |
| 13-1005042 | 13-1005042 | Маслоотражатель коленчатого вала | |
| 66-1002064-Б | 66-1002064-Б | Прокладка крышки распределительных шестерен | |
| 21-1005032 | 21-1005032 | Сальник передний коленчатого вала с отражателем в сборе | |
| 41-1005051 | 41-1005051 | Ступица в сборе | |
| 11-6252 | 11-6252 | Фланец упорный распределительного вала | |
| 12Ю-1005054 | 12Ю-1005054 | Храповик коленчатого вала | |
| 252007-П | 252007-П | Шайба 12 |
Содержащиеся в справочниках-каталогах запасные части и детали не предлагаются к продаже, а носят исключительно информационный характер