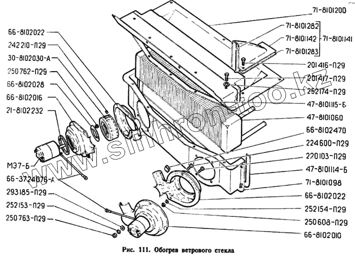
Каталог запасных частей к технике: ЗЗГТ ГАЗ-71. Обогрев ветрового стекла
66-3724076-А
МЭ7-Б
252154-П29
252153-П29
252174-П29
252174-П29
66-8102028
293185-П29
71-8101283
71-8101282
66-8102470
30-8102030-А
47-8101060
47-8101115-Б
47-8101114-Б
21-8102232
201417-П29
66-8102022
66-8102022
71-8101200
66-8102016
71-8101141
71-8101142
71-8101098
250763-П29
250608-П29
250762-П29
242210-П29
224600-П29
220103-П29
66-8102010
201416-П29
| Позиция на иллюстрации | Заводской номер детали | Название детали | |
|---|---|---|---|
| 66-3724076-А | 66-3724076-А | Провод соединения корпуса электродвигателя с кабиной в сборе | |
| МЭ7-Б | МЭ7-Б | Электромотор в сборе (66-8102080-Б) | |
| 252154-П29 | 252154-П29 | Шайба 6Л ОСТ 37.001.115-75 | |
| 252153-П29 | 252153-П29 | Шайба 5 | |
| 252174-П29 | 252174-П29 | Шайба | |
| 252174-П29 | 252174-П29 | Шайба | |
| 66-8102028 | 66-8102028 | Шайба опорная корпуса вентилятора | |
| 293185-П29 | 293185-П29 | Шайба 5 | |
| 71-8101283 | 71-8101283 | Уплотнитель кожуха шланга нижний | |
| 71-8101282 | 71-8101282 | Уплотнитель кожуха шланга верхний | |
| 66-8102470 | 66-8102470 | Скоба крепления вентилятора | |
| 30-8102030-А | 30-8102030-А | Ротор вентилятора в сборе | |
| 47-8101060 | 47-8101060 | Радиатор в сборе | |
| 47-8101115-Б | 47-8101115-Б | Прокладка кожуха радиатора верхняя | |
| 47-8101114-Б | 47-8101114-Б | Прокладка кожуха | |
| 21-8102232 | 21-8102232 | Прокладка электродвигателя вентилятора | |
| 201417-П29 | 201417-П29 | Болт | |
| 66-8102022 | 66-8102022 | Крышка корпуса вентилятора | |
| 71-8101200 | 71-8101200 | Корпус отопителя в сборе | |
| 66-8102016 | 66-8102016 | Корпус вентилятора | |
| 71-8101141 | 71-8101141 | Кожух шланга в сборе | |
| 71-8101142 | 71-8101142 | Кожух шланга | |
| 71-8101098 | 71-8101098 | Кожух радиатора отопителя в сборе | |
| 250763-П29 | 250763-П29 | Гайка М5 | |
| 250608-П29 | 250608-П29 | Гайка | |
| 250762-П29 | 250762-П29 | Гайка М4 | |
| 242210-П29 | 242210-П29 | Винт | |
| 224600-П29 | 224600-П29 | Винт | |
| 220103-П29 | 220103-П29 | Винт | |
| 66-8102010 | 66-8102010 | Вентилятор обдува ветрового стекла в сборе | |
| 201416-П29 | 201416-П29 | Болт |
Содержащиеся в справочниках-каталогах запасные части и детали не предлагаются к продаже, а носят исключительно информационный характер