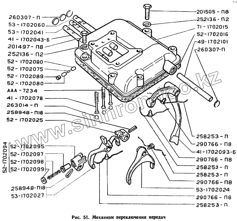
Каталог запасных частей к технике: ЗЗГТ ГАЗ-71. Механизм переключения передач
52-1702075
53-1702041
53-1702060
41-1702043-Б
258948-П18
258948-П18
258253-П
258253-П
258253-П
258253-П
263014-П
252136-П2
252136-П2
52-1702099
ААА-7234
52-1702098
52-1702016
52-1702097
52-1702080
52-1702080
201497-П8
41-1702078
49-1702101
71-1702015
52-1702089
260307-П
260307-П
52-1702025
52-1702094
52-1702095
290766-П8
290766-П8
290766-П8
290766-П8
53-1702027
53-1702024
41-1702093-Б
201505-П8
| Позиция на иллюстрации | Заводской номер детали | Название детали | |
|---|---|---|---|
| 52-1702075 | 52-1702075 | Палец штока переключения третьей и четвертой передач стопорный | |
| 53-1702041 | 53-1702041 | Шток переключения третьей и четвертой передач | |
| 53-1702060 | 53-1702060 | Шток переключения первой и второй передач | |
| 41-1702043-Б | 41-1702043-Б | Шток переключения заднего хода коробки передач | |
| 258948-П18 | 258948-П18 | Штифт 5х25 | |
| 258253-П | 258253-П | Шплинт 1,2х175 ОСТ 37.001.172-92 | |
| 258253-П | 258253-П | Шплинт 1,2х175 ОСТ 37.001.172-92 | |
| 263014-П | 263014-П | Шарик | |
| 252136-П2 | 252136-П2 | Шайба | |
| 52-1702099 | 52-1702099 | Стопор пружины | |
| ААА-7234 | ААА-7234 | Пружина стопорного шарика механизма переключения передач | |
| 52-1702098 | 52-1702098 | Пружина предохранителя включения заднего хода коробки передач | |
| 52-1702016 | 52-1702016 | Прокладка верхней крышки коробки передач | |
| 52-1702097 | 52-1702097 | Предохранитель включений первой и второй передач и заднего хода | |
| 52-1702080 | 52-1702080 | Плунжер стопорный штоков переключения передач | |
| 201497-П8 | 201497-П8 | Болт М10х25 | |
| 41-1702078 | 41-1702078 | Палец блокирующий валика переключения коробки передач | |
| 49-1702101 | 49-1702101 | Ось вилки заднего хода коробки передач | |
| 71-1702015 | 71-1702015 | Крышка верхняя коробки передач | |
| 52-1702089 | 52-1702089 | Заглушка отверстия плунжеров штока переключения передач | |
| 260307-П | 260307-П | Заглушка 20 | |
| 52-1702025 | 52-1702025 | Головка штока переключения первой и второй передач коробки передач | |
| 52-1702094 | 52-1702094 | Головка включения заднего хода коробки передач в сборе | |
| 52-1702095 | 52-1702095 | Головка штока заднего хода коробки передач | |
| 290766-П8 | 290766-П8 | Винт стопорный вилки включения заднего хода | |
| 290766-П8 | 290766-П8 | Винт стопорный вилки включения заднего хода | |
| 53-1702027 | 53-1702027 | Вилка переключения третьей и четвертой передач коробки передач | |
| 53-1702024 | 53-1702024 | Вилка переключения первой и второй передач коробки передач | |
| 41-1702093-Б | 41-1702093-Б | Вилка включения заднего хода коробки передач | |
| 201505-П8 | 201505-П8 | Болт М10-6gх45 |
Содержащиеся в справочниках-каталогах запасные части и детали не предлагаются к продаже, а носят исключительно информационный характер