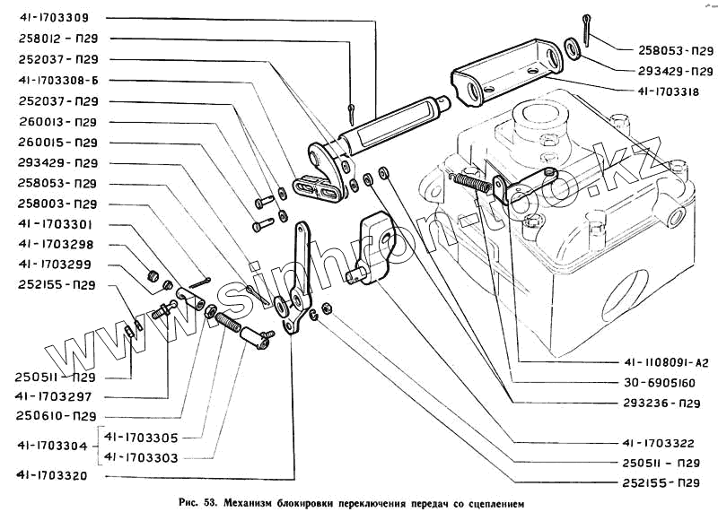
Каталог запасных частей к технике: ЗЗГТ ГАЗ-71. Механизм блокировки переключения передач со сцеплением
41-1703322
258003-П29
258053-П29
258053-П29
258012-П29
258012-П29
293429-П29
293429-П29
252155-П29
252155-П29
293429-П29
293236-П29
252037-П29
252037-П29
41-1703304
41-1703305
41-1703308-Б
41-1703299
41-1703309
41-1703320
30-6905160
41-1703298
41-1703297
260015-П29
260013-П29
41-1703303
41-1703301
41-1108091-А2
41-1703318
250511-П29
250511-П29
250610-П29
| Позиция на иллюстрации | Заводской номер детали | Название детали | |
|---|---|---|---|
| 41-1703322 | 41-1703322 | Стойка кронштейна блокировки в сборе | |
| 258003-П29 | 258003-П29 | Шплинт 1,6х20 ОСТ 37.001.171-93 | |
| 258053-П29 | 258053-П29 | Шплинт ручки | |
| 258012-П29 | 258012-П29 | Шплинт | |
| 293429-П29 | 293429-П29 | Шайба | |
| 252155-П29 | 252155-П29 | Шайба | |
| 293429-П29 | 293429-П29 | Шайба | |
| 293236-П29 | 293236-П29 | Шайба 6 | |
| 252037-П29 | 252037-П29 | Шайба | |
| 41-1703304 | 41-1703304 | Тяга ведущая блокировки переключения передач в сборе | |
| 41-1703305 | 41-1703305 | Тяга ведущая блокировки коробки передач | |
| 41-1703308-Б | 41-1703308-Б | Тяга ведомая блокировки коробки передач в сборе | |
| 41-1703299 | 41-1703299 | Сухарь | |
| 41-1703309 | 41-1703309 | Валик блокировки коробки передач в сборе | |
| 41-1703320 | 41-1703320 | Рычаг ведущий блокировки коробки передач | |
| 30-6905160 | 30-6905160 | Пружина оттяжная рычага валика блокировки | |
| 41-1703298 | 41-1703298 | Пробка | |
| 41-1703297 | 41-1703297 | Палец шаровой наконечника тяги ведущей блокировки коробки передач | |
| 260015-П29 | 260015-П29 | Палец 6х28 | |
| 260013-П29 | 260013-П29 | Палец 6х22 | |
| 41-1703303 | 41-1703303 | Наконечник шаровой тяги блокировки в сборе | |
| 41-1703301 | 41-1703301 | Наконечник тяги блокировки коробки передач | |
| 41-1108091-А2 | 41-1108091-А2 | Кронштейн крепления тяг управления карбюратором | |
| 41-1703318 | 41-1703318 | Кронштейн валика блокировки коробки передач | |
| 250511-П29 | 250511-П29 | Гайка | |
| 250610-П29 | 250610-П29 | Гайка |
Содержащиеся в справочниках-каталогах запасные части и детали не предлагаются к продаже, а носят исключительно информационный характер