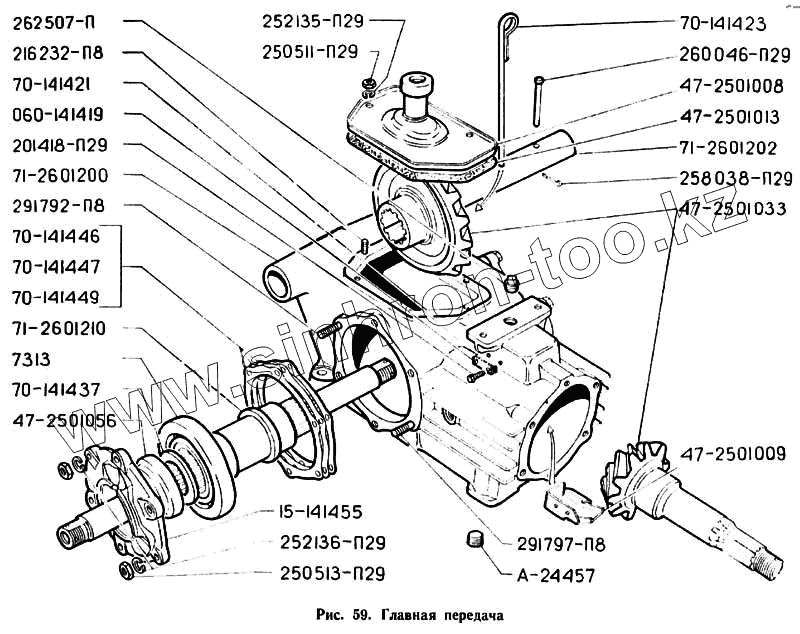
Каталог запасных частей к технике: ЗЗГТ ГАЗ-71. Главная передача
70-141421
258038-П29
291792-П8
216232-П8
291797-П8
47-2501033
70-141437
252136-П29
252135-П29
70-141423
47-2501056
70-141449
70-141446
70-141447
47-2501013
201418-П29
А-24457
262507-П
7313
060-141419
260046-П29
71-2601202
47-2501009
15-141455
47-2501008
71-2601200
250513-П29
250511-П29
71-2601210
| Позиция на иллюстрации | Заводской номер детали | Название детали | |
|---|---|---|---|
| 70-141421 | 70-141421 | Прокладка болтов маслоуловителя | |
| 258038-П29 | 258038-П29 | Шплинт | |
| 291792-П8 | 291792-П8 | Шпилька М10х1х28 | |
| 216232-П8 | 216232-П8 | Шпилька М8Х1Х16 | |
| 291797-П8 | 291797-П8 | Шпилька М10х1-4hх30 | |
| 47-2501033 | 47-2501033 | Шестерни ведущая и ведомая главной передачи (комплект после притирки) | |
| 70-141437 | 70-141437 | Шайба упорная | |
| 252136-П29 | 252136-П29 | Шайба 10Т | |
| 252135-П29 | 252135-П29 | Шайба 8Т | |
| 70-141423 | 70-141423 | Указатель уровня масла картера главной передачи | |
| 47-2501056 | 47-2501056 | Сальник ведомого вала главной передачи в сборе | |
| 70-141449 | 70-141449 | Прокладка регулировочная | |
| 70-141446 | 70-141446 | Прокладка регулировочная | |
| 70-141447 | 70-141447 | Прокладка регулировочная | |
| 47-2501013 | 47-2501013 | Прокладка крышки верхнего люка картера главной передачи | |
| 201418-П29 | 201418-П29 | Болт | |
| А-24457 | А-24457 | Пробка | |
| 262507-П | 262507-П | Пробка К3/8" | |
| 7313 | 7313 | Подшипник роликовый конический ведомого вала главной передачи в сборе | |
| 060-141419 | 060-141419 | Пластина стопорная болтов маслоуловителя | |
| 260046-П29 | 260046-П29 | Палец 8х60 | |
| 71-2601202 | 71-2601202 | Опора тормозных лент | |
| 47-2501009 | 47-2501009 | Маслоуловитель картера главной передачи в сборе | |
| 15-141455 | 15-141455 | Кулачок | |
| 47-2501008 | 47-2501008 | Крышка верхнего люка картера главной передачи с сапуном и отражательным щитком в сборе | |
| 71-2601200 | 71-2601200 | Картер главной передачи в сборе | |
| 250513-П29 | 250513-П29 | Гайка | |
| 250511-П29 | 250511-П29 | Гайка | |
| 71-2601210 | 71-2601210 | Вал ведомый шестерни главной передачи |
Содержащиеся в справочниках-каталогах запасные части и детали не предлагаются к продаже, а носят исключительно информационный характер