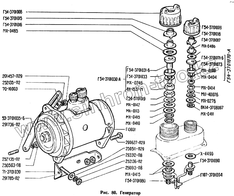
Каталог запасных частей к технике: ЗЗГТ ГАЗ-71. Генератор
МХ-0485
70-10003
Г107-3701004
Г54-3701073
Г54-3701033
Х-4490
МХ-0276
МХ-0113
МХ-0411
293312-П8
МХ-0410
МХ-0415
МХ-0415
53-3701035-Б
МХ-0486
ВК14-3708067
252135-П2
252135-П2
252136-П2
МХ-0246
МХ-0142
М11-40076
М11-41081
291785-П2
291736-П2
8Х-1537-М
201457-П29
Г54-3701030-А
Г54-3701070-А
Г54-3701071-Б
Г54-3701031-Б
Г54-3701060
Г54-3701016
Г54-3701017
Г54-3701015
Г54-3701018
Г54-3701090
290627-П29
250503-П8
250613-П8
МХ-0404
МХ-0414
Г54-3701019
250511-П29
Г54-3701009
Г54-3701008
Г130Э1
71-3701030
| Позиция на иллюстрации | Заводской номер детали | Название детали | |
|---|---|---|---|
| МХ-0485 | МХ-0485 | Шайба изоляционная | |
| 70-10003 | 70-10003 | Скоба прижимная | |
| Г107-3701004 | Г107-3701004 | Упор | |
| Г54-3701073 | Г54-3701073 | Чашка | |
| Г54-3701033 | Г54-3701033 | Чашка | |
| Х-4490 | Х-4490 | Шайба изоляционная щеточного вывода | |
| МХ-0276 | МХ-0276 | Шайба 6 | |
| МХ-0113 | МХ-0113 | Шайба | |
| МХ-0411 | МХ-0411 | Шайба | |
| 293312-П8 | 293312-П8 | Шайба 10 | |
| МХ-0410 | МХ-0410 | Шайба изоляционная | |
| МХ-0415 | МХ-0415 | Шайба изоляционная | |
| 53-3701035-Б | 53-3701035-Б | Планка установочная генератора | |
| МХ-0486 | МХ-0486 | Шайба изоляционная | |
| ВК14-3708067 | ВК14-3708067 | Шайба изоляционная | |
| 252135-П2 | 252135-П2 | Шайба | |
| 252136-П2 | 252136-П2 | Шайба | |
| МХ-0246 | МХ-0246 | Шайба 8 пружинная | |
| МХ-0142 | МХ-0142 | Шайба пружинная | |
| М11-40076 | М11-40076 | Шайба пружинная | |
| М11-41081 | М11-41081 | Шайба 5Т пружинная | |
| 291785-П2 | 291785-П2 | Шпилька | |
| 291736-П2 | 291736-П2 | Шпилька М6х1-4hх16 | |
| 8Х-1537-М | 8Х-1537-М | Гайка М8 | |
| 201457-П29 | 201457-П29 | Болт | |
| Г54-3701030-А | Г54-3701030-А | Вилка в сборе | |
| Г54-3701070-А | Г54-3701070-А | Вилка в сборе | |
| Г54-3701071-Б | Г54-3701071-Б | Вилка с арматурой | |
| Г54-3701031-Б | Г54-3701031-Б | Вилка с арматурой | |
| Г54-3701060 | Г54-3701060 | Втулка в сборе | |
| Г54-3701016 | Г54-3701016 | Втулка конусная | |
| Г54-3701017 | Г54-3701017 | Втулка конусная | |
| Г54-3701015 | Г54-3701015 | Втулка конусная | |
| Г54-3701018 | Г54-3701018 | Втулка конусная | |
| Г54-3701090 | Г54-3701090 | Втулка с кольцом в сборе | |
| 290627-П29 | 290627-П29 | Болт М8х1х30 крепления верхнего кронштейна | |
| 250503-П8 | 250503-П8 | Гайка М8х1-4Н5Н | |
| 250613-П8 | 250613-П8 | Гайка М10х1 | |
| МХ-0404 | МХ-0404 | Гайка | |
| МХ-0414 | МХ-0414 | Гайка | |
| Г54-3701019 | Г54-3701019 | Гайка | |
| 250511-П29 | 250511-П29 | Гайка | |
| Г54-3701009 | Г54-3701009 | Гайка специальная | |
| Г54-3701008 | Г54-3701008 | Гайка специальная | |
| Г130Э1 | Г130Э1 | Генератор (Г-71-3701010) | |
| 71-3701030 | 71-3701030 | Кронштейн генератора |
Содержащиеся в справочниках-каталогах запасные части и детали не предлагаются к продаже, а носят исключительно информационный характер