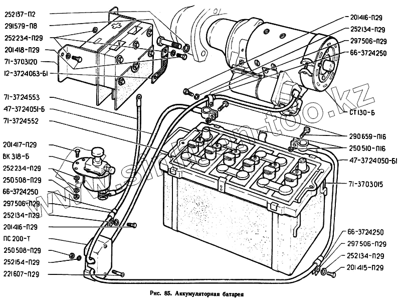
Каталог запасных частей к технике: ЗЗГТ ГАЗ-71. Аккумуляторная батарея
252137-П2
66-3724250
66-3724250
66-3724250
71-3703120
297506-П29
297506-П29
297506-П29
СТ130-Б
71-3724552
252134-П29
252134-П29
252134-П29
252154-П29
252234-П29
252234-П29
ВК318-Б
201415-П29
201416-П29
201416-П29
290659-П16
201417-П29
201418-П29
201416-П29
291579-П8
221607-П29
71-3703015
250510-П16
250508-П29
250508-П29
ПС200-Т
12-3724063-Б1
47-3724051-Б
47-3724050-Б1
71-3724553
| Позиция на иллюстрации | Заводской номер детали | Название детали | |
|---|---|---|---|
| 252137-П2 | 252137-П2 | Шайба | |
| 66-3724250 | 66-3724250 | Прокладка уплотнительная | |
| 66-3724250 | 66-3724250 | Прокладка уплотнительная | |
| 66-3724250 | 66-3724250 | Прокладка уплотнительная | |
| 71-3703120 | 71-3703120 | Розетка внешнего пуска в сборе | |
| 297506-П29 | 297506-П29 | Скоба 16 | |
| 297506-П29 | 297506-П29 | Скоба 16 | |
| 297506-П29 | 297506-П29 | Скоба 16 | |
| СТ130-Б | СТ130-Б | Стартер в сборе (Г-66-3708010) | |
| 71-3724552 | 71-3724552 | Провод от соединительной панели к стартеру | |
| 252174-П29 | 252174-П29 | Шайба | |
| 252134-П29 | 252134-П29 | Шайба | |
| 252134-П29 | 252134-П29 | Шайба | |
| 252134-П29 | 252134-П29 | Шайба | |
| 252154-П29 | 252154-П29 | Шайба 6Л ОСТ 37.001.115-75 | |
| 252234-П29 | 252234-П29 | Шайба 2-6 ОСТ 37.001.146-75 | |
| 252234-П29 | 252234-П29 | Шайба 2-6 ОСТ 37.001.146-75 | |
| 252232-П29 | 252232-П29 | Шайба 4 | |
| ВК318-Б | ВК318-Б | Выключатель ««массы»» | |
| 201415-П29 | 201415-П29 | Болт | |
| 201416-П29 | 201416-П29 | Болт | |
| 290659-П16 | 290659-П16 | Болт М8-6gх30 | |
| 201417-П29 | 201417-П29 | Болт | |
| 201418-П29 | 201418-П29 | Болт | |
| 201416-П29 | 201416-П29 | Болт | |
| 291579-П8 | 291579-П8 | Болт М12х140 крепления стартера | |
| 221607-П29 | 221607-П29 | Винт М6-6gх20 | |
| 71-3703015 | 71-3703015 | Батарея аккумуляторная с рамкой в сборе | |
| 250510-П16 | 250510-П16 | Гайка М8 | |
| 250508-П29 | 250508-П29 | Гайка | |
| 250508-П29 | 250508-П29 | Гайка | |
| ПС200-Т | ПС200-Т | Панель соединительная в сборе (41Ю-3723030) | |
| 12-3724063-Б1 | 12-3724063-Б1 | Провод массы розетки внешнего пуска | |
| 47-3724051-Б | 47-3724051-Б | Провод от аккумуляторной батареи к выключателю массы | |
| 47-3724050-Б1 | 47-3724050-Б1 | Провод от аккумуляторной батареи к соединительной панели | |
| 71-3724553 | 71-3724553 | Провод от соединительной панели к розетке внешнего пуска |
Содержащиеся в справочниках-каталогах запасные части и детали не предлагаются к продаже, а носят исключительно информационный характер