Каталог запасных частей к технике: Zoomlion ZT20J. Turntable assembly 00771100800000000 (with engine Perkins)
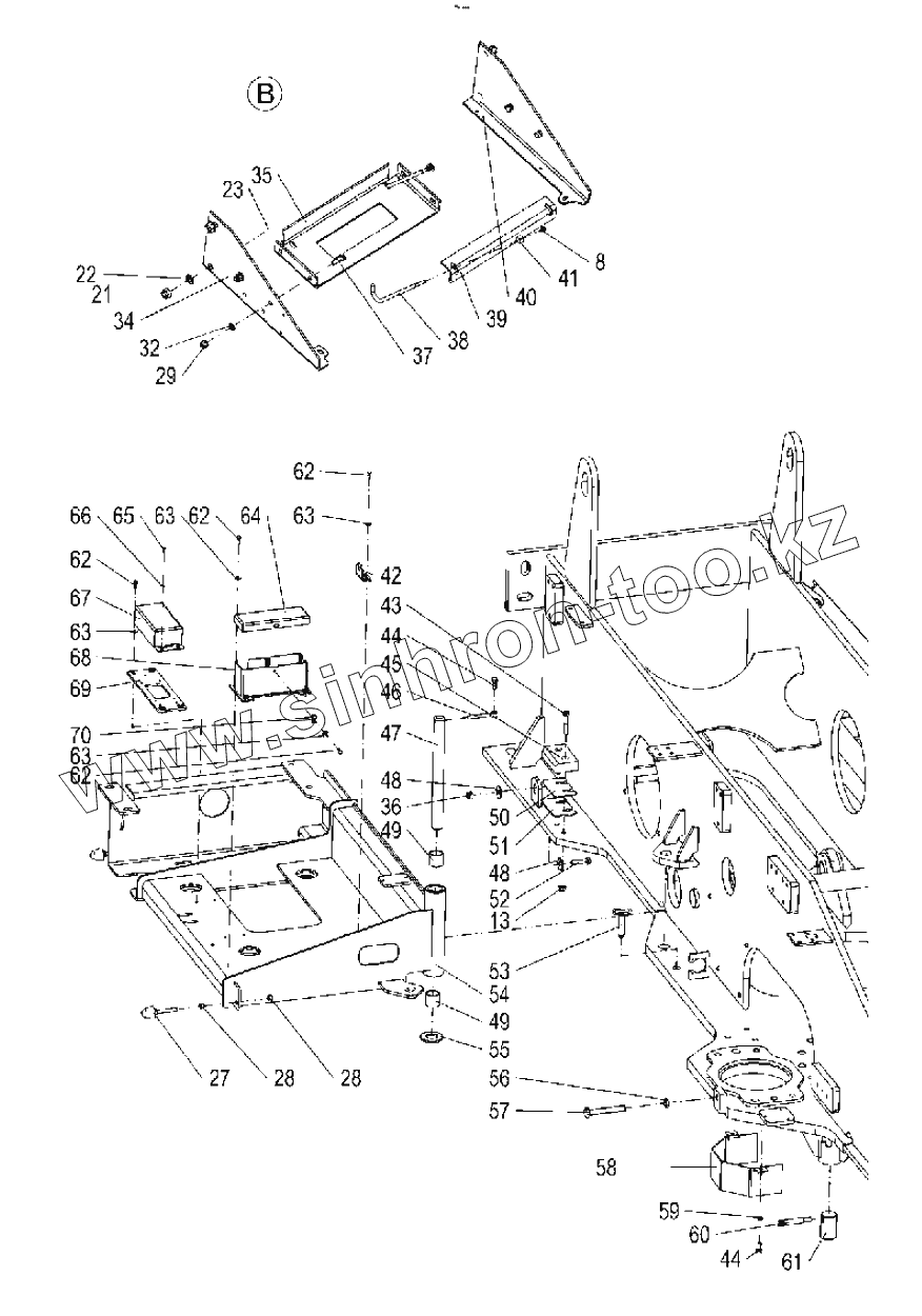
8
13
21
22
23
27
28
28
29
32
34
35
37
38
39
40
41
42
43
44
44
45
46
47
48
48
49
49
50
51
52
53
54
55
56
57
58
59
60
61
62
62
62
62
63
63
63
63
64
65
66
67
68
69
70
| Позиция на иллюстрации | Заводской номер детали | Название детали | |
|---|---|---|---|
| 1 | 00771400301601020 | Non-lubricated bearing | |
| 2 | 00771100800001100 | Linkage clearance adjusting plate | |
| 3 | 1040301503 | Washer | |
| 4 | 1040005846 | Bolt M12x20-8.8 | |
| 5 | 1040004519 | Hexagon bolt M8x25-8.8 | |
| 6 | 00771100800001090 | Swinging angle switch support | |
| 7 | 1040301515 | Flat washer A class 8-200HV | |
| 8 | 1040200503 | Hexagon lock nut with non-metallic insert M8-8 | |
| 9 | 00771100801400000 | Swivel joint bracket | |
| 10 | 1040101493 | Screw M10x55-8.8 | |
| 11 | 00771100800001010 | Boom bumper block | |
| 12 | 00771100800200000 | Turntable welds | |
| 13 | 1040201523 | Lock nut M10-10 | |
| 14 | 1040001640 | Bolt M6x25-A2-70 | |
| 15 | 00771400800001120 | Electrical switch support | |
| 16 | 1040300771 | Flat washer A class 6-A2 | |
| 17 | 1040201896 | Nut M6-8 | |
| 18 | 00771100800001050 | Pin | |
| 19 | 00773400400001250 | Stop pin | |
| 20 | 1040004570 | Bolt M16x30-8.8 | |
| 21 | 1040200161 | Nut | |
| 22 | 1040302492 | Washer 16-200HV | |
| 23 | 1040002447 | Bolt M16x45-8.8 | |
| 24 | 00771100800801010 | Support I | |
| 25 | 00771100800810000 | Right side support welds | |
| 26 | 00771100800801070 | Electrical cabinet support II | |
| 27 | 1040004678 | Door stop bolt M10x70 | |
| 28 | 1040200113 | Nut | |
| 29 | 1040200507 | Nut | |
| 30 | 00771100800801060 | Electrical cabinet Support I | |
| 31 | 00771100800801030 | Support II | |
| 32 | 1040302490 | Flat washer A class 12-200HV | |
| 33 | 1040002439 | Болт M12x40-8.8 | |
| 34 | 00771100800401020 | Main valve support II | |
| 35 | 00771100800401040 | Battery support II | |
| 37 | 1040002437 | Hexagon bolt M12x35-8.8 | |
| 38 | 00771100800401050 | Battery mounting rod | |
| 39 | 00771100800401030 | Battery support I | |
| 40 | 00771100800401010 | Main valve support I | |
| 41 | 1040302480 | Washer8-200HV | |
| 42 | 00773400830201020 | Baffle | |
| 43 | 1040103120 | Screw M10x60-8.8 | |
| 44 | 1040002434 | Bolt | |
| 45 | 00771100800001020 | Tray bumper block | |
| 46 | 00773400300001200 | Stop pin10 | |
| 47 | 00771100800001110 | Tray axle 32 | |
| 48 | 1040301031 | Washer12-300HV | |
| 49 | 00773400800001010 | Bearing | |
| 50 | 00771100800001140 | Tray washer II | |
| 51 | 00771100800001130 | Tray washer I | |
| 52 | 1040004608 | Bolt M12x45-8.8 | |
| 53 | 00773400801400000 | Tray plug pin | |
| 54 | 00771100801800000 | Engine support | |
| 55 | 00773400800001150 | Friction plate | |
| 56 | 1040201882 | Nut M16 | |
| 57 | 1040004615 | Bolt M16x110-10.9 | |
| 58 | 00771100800001030 | Gear cover | |
| 59 | 1040301502 | Seal ring | |
| 60 | 1040100714 | Screw | |
| 61 | 00771100800001080 | Lock pin | |
| 62 | 1040002555 | Hexagon bolt M6x16-A2-70 | |
| 63 | 1040300735 | Washer6-200HV | |
| 64 | 00773400830201010 | Cover | |
| 65 | 1040004591 | Bolt M4x8-8.8 | |
| 66 | 1040302410 | Washer 4-200HV | |
| 67 | 00773400830601020 | Control box cover | |
| 68 | 00773400830210000 | Base | |
| 69 | 00773400830601010 | Connecting plate | |
| 70 | 1040201743 | Nut M6 |
Содержащиеся в справочниках-каталогах запасные части и детали не предлагаются к продаже, а носят исключительно информационный характер