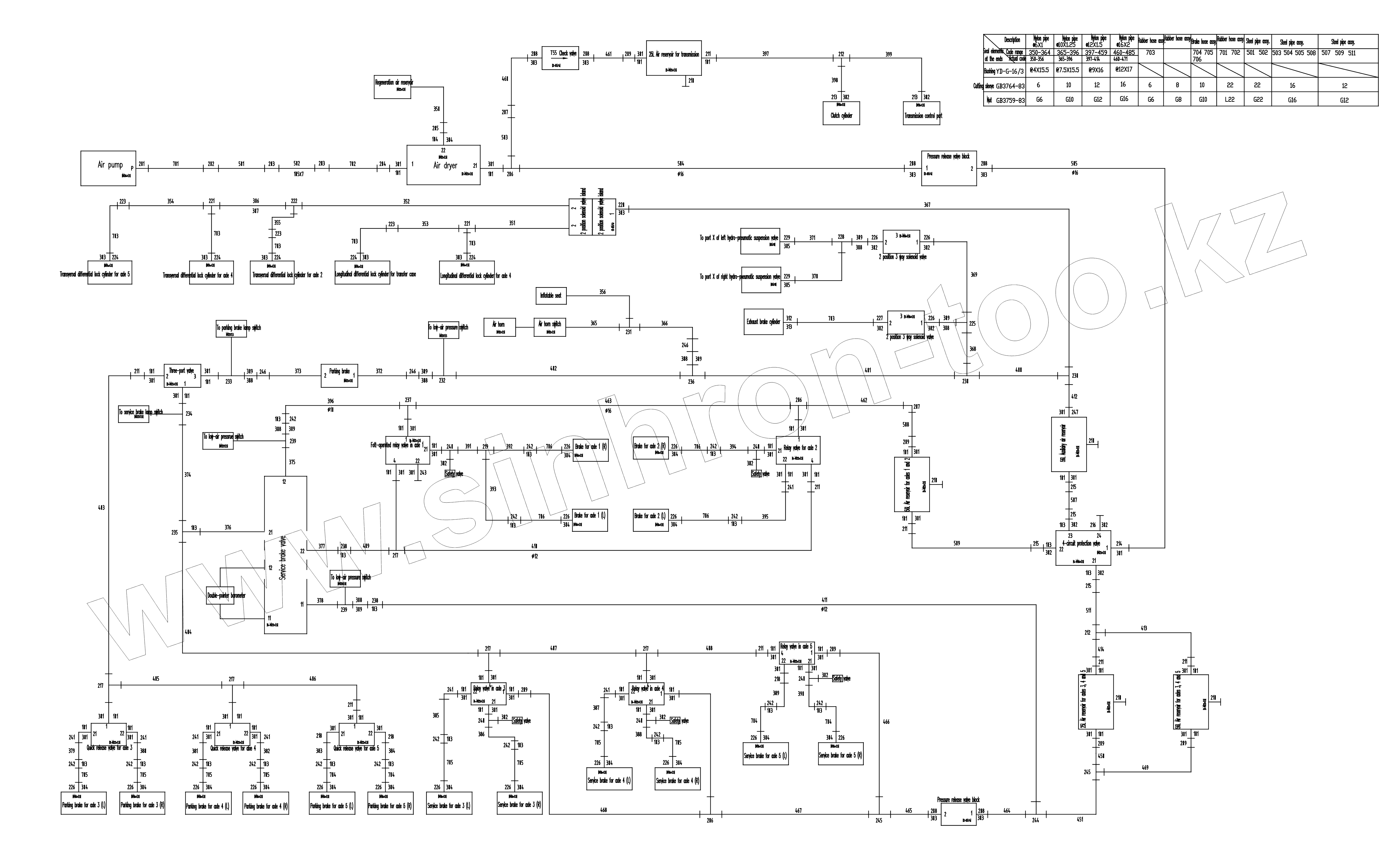
Каталог запасных частей к технике: Zoomlion ZLJ5550JQZV3.2. PIPE LAYOUT DRAWING – AIR BRAKE SYSTEM D00672603510400000Y
101
101
101
101
101
101
101
101
101
101
101
101
101
101
101
101
101
101
101
101
101
101
101
101
101
101
101
101
101
101
101
101
101
101
101
101
101
101
101
103
103
103
103
103
103
103
103
103
103
103
103
103
103
103
103
103
103
103
103
103
103
103
104
105
201
202
203
203
204
205
206
206
206
207
207
208
208
208
208
208
209
209
209
209
209
209
210
210
210
210
210
211
211
211
211
211
211
211
211
212
212
213
213
214
215
215
215
216
216
217
217
217
217
217
218
218
218
218
219
220
221
221
222
223
223
223
224
224
224
224
224
225
226
226
226
226
226
226
226
226
226
226
226
226
226
226
226
226
226
226
226
227
228
229
229
230
231
231
232
233
234
235
236
237
238
238
239
239
240
240
240
240
241
241
241
241
241
241
241
241
242
242
242
242
242
242
242
242
242
242
242
242
242
242
242
242
242
243
244
245
245
246
246
246
247
301
301
301
301
301
301
301
301
301
301
301
301
301
301
301
301
301
301
301
301
301
301
301
301
301
301
301
301
301
301
301
301
301
301
301
301
301
301
301
301
301
301
301
301
302
302
302
302
302
302
302
302
302
302
302
302
302
302
302
303
303
303
303
303
303
303
303
303
303
303
303
304
304
304
304
304
304
304
304
304
304
304
304
304
304
304
304
304
305
305
306
307
308
308
308
308
308
308
308
309
309
309
309
309
309
309
312
313
| Позиция на иллюстрации | Заводской номер детали | Название детали | |
|---|---|---|---|
| 1990200008 | 1990200008 | Nylon strap | |
| 00672603510401010 | 00672603510401010 | Illustration – pipe layout, air brake system | |
| 00671833500230000 | 00671833500230000 | Rubber hose assy for chassis air line | |
| 00672603510410000 | 00672603510410000 | Steel pipe assy for chassis air line | |
| 00672603510420000 | 00672603510420000 | Nylon pipe assy for chassis air line | |
| 00671813501401050 | 00671813501401050 | Pipe with 16 mm inner diameter | |
| 00671823501401030 | 00671823501401030 | Signed pipe | |
| 00671823501401040 | 00671823501401040 | Signed pipe | |
| 202230005 | 202230005 | Loctite glue | |
| 1990300003 | 1990300003 | Rubber sealing groove | |
| 00671823501401020 | 00671823501401020 | Signed pipe | |
| 101 | 1040200154 | Nut | |
| 103 | 1040200157 | Nut | |
| 104 | 1040200078 | Nut | |
| 105 | 1990200044 | Pipe clamp | |
| 201 | 1140100577 | Fitting | |
| 202 | 1140101026 | Pipe fitting | |
| 203 | 1140101065 | Pipe fitting | |
| 204 | 00677203500001030 | Straight thread connector | |
| 205 | 00676523501001020 | Elbow union | |
| 206 | 00676503502001020 | Union tee | |
| 207 | 1140100953 | Fitting body | |
| 208 | 00671303500001020 | Straight thread connector | |
| 209 | 00676603500601020 | Union elbow | |
| 210 | 1070600000 | Water drain valve | |
| 211 | 00676603501401010 | Straight thread elbow | |
| 212 | 1140100952 | Fitting body | |
| 213 | 1140100925 | Fitting body | |
| 214 | 00676533500201011 | Straight thread connector | |
| 215 | 00676603500001020 | Elbow union | |
| 216 | 1140101275 | Plug | |
| 217 | 00676603500001070 | Union tee | |
| 218 | 00676533502001011 | Straight thread connector | |
| 219 | 1140100923 | Fitting body | |
| 220 | 00671203500401010 | Straight thread connector | |
| 221 | 1140100930 | Fitting body | |
| 222 | 1140100975 | Fitting body | |
| 223 | 1140100951 | Fitting body | |
| 224 | 00676603500801020 | Straight thread connector | |
| 225 | 1140100912 | Fitting body | |
| 226 | 00676433500001030 | Straight thread connector | |
| 227 | 00677203500001020 | Straight thread connector | |
| 228 | 00676533500001160 | Union tee | |
| 229 | 00676413510401010 | Straight thread connector | |
| 230 | 00676503500001020 | Union tee | |
| 231 | 00671203510001020 | Union tee | |
| 232 | 00670603500001050 | Union tee | |
| 233 | 00676533501801011 | Union tee | |
| 234 | 00676533501801020 | Union tee | |
| 235 | 00670603500001060 | Bulkhead union tee | |
| 236 | 00670403500001040 | Union tee | |
| 237 | 00671813501401060 | Union tee | |
| 238 | 00670403500001020 | Elbow union | |
| 239 | 00670403500001030 | Union tee | |
| 240 | 00671803500001020 | Union tee | |
| 241 | 00676603500401010 | Elbow union | |
| 242 | 1140100929 | Fitting body | |
| 243 | 1140101274 | Plug | |
| 244 | 00676603500001030 | Union tee | |
| 245 | 1140100926 | Fitting body | |
| 246 | 1140100910 | Fitting body | |
| 247 | 00676603500001140 | Straight thread connector | |
| 248 | 1140100949 | Fitting body | |
| 301 | 1040300105 | Washer | |
| 302 | 1040300022 | Washer | |
| 303 | 1040300023 | Washer | |
| 304 | 1040300021 | Washer | |
| 305 | 1040300026 | Washer | |
| 306 | 1040200133 | Nut | |
| 307 | 1140100922 | Cutting sleeve | |
| 308 | 1040200148 | Nut | |
| 309 | 1140100934 | Cutting sleeve | |
| 312 | 1040200040 | Nut | |
| 313 | 1140100095 | Cutting sleeve |
Содержащиеся в справочниках-каталогах запасные части и детали не предлагаются к продаже, а носят исключительно информационный характер