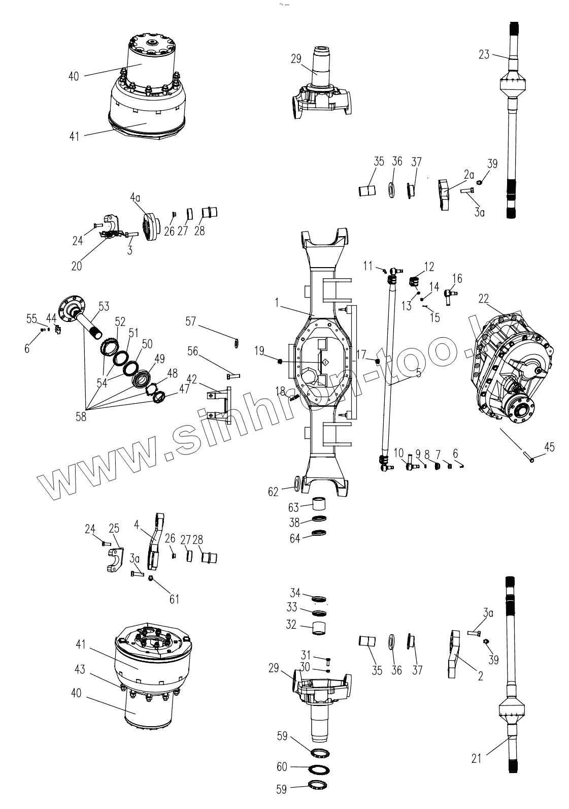
Каталог запасных частей к технике: Zoomlion ZLJ5480JQZV3. DRIVE AXLE STEERED (AXLE BODY) D1030100872_100003Y
1
2
2a
3
3a
3a
3a
4
4a
5
6
6
7
8
9
10
11
12
13
14
15
16
17
18
19
20
21
22
23
24
24
25
26
26
27
27
28
28
29
29
30
31
32
33
34
35
35
36
36
37
37
38
39
39
40
40
41
41
41
41
42
43
44
45
47
48
49
50
51
52
53
54
55
56
57
58
59
59
60
61
62
63
64
| Позиция на иллюстрации | Заводской номер детали | Название детали | |
|---|---|---|---|
| 1 | 2301PY11A-1 | Front axle housing assy | |
| 2 | 2300134PY10D-1 | Tie rod arm | |
| 2a | 2300139PY10C-1 | Tie rod arm | |
| 3 | GB/T5786-2000 | Bolt | |
| 3a | 2300155PY10A | Bolt | |
| 4 | 2300125PY10A | Steering knuckle | |
| 4a | 2300135TU2 | Cover | |
| 5 | 2307PY10C-1 | Steering tie rod assy | |
| 6 | GB/T91-2000 | Pin | |
| 7 | GB/T9459-1988 | Nut | |
| 8 | 2307030G | Dust cover assembly | |
| 9 | 2307015G | Bushing ring | |
| 10 | 2307010G | Steering movable fitting | |
| 11 | GB/T31.1-1988 | Bolt | |
| 12 | 2307064G | Clamp | |
| 13 | GB/T848-2002 | Washer | |
| 14 | GB/T6178-1986 | Nut | |
| 15 | GB/T91-2000 | Pin | |
| 16 | 2307010GL | Steering movable fitting | |
| 17 | A2300129C | Plug | |
| 18 | B2400025A | Normally open ventilation plug | |
| 19 | A2300137 | Plug | |
| 20 | 2300151GR | Chamber bracket | |
| 21 | 2303PY10B | Ball-and-cage left axle shaft assy | |
| 22 | B2502DG-D | Main reducer assy | |
| 23 | 2304PY10B | Ball-and-cage right axle shaft | |
| 24 | GB/T5786-2000 | Bolt | |
| 25 | 2300151G | Chamber bracket | |
| 26 | A2300129 | Plug | |
| 27 | 2300127G | Upper king pin bush | |
| 28 | 2300128G | Upper king pin | |
| 29 | 2300120PY10 | Steering knuckle assembly | |
| 29a | 2300120PY10R | Steering knuckle assembly | |
| 30 | GB/T6176-2000 | Nut | |
| 31 | A2300138P4B | Limit screw | |
| 32 | GB/T5801-2006 | Anti-friction bearing | |
| 33 | J2300050 | Oil seal | |
| 34 | J2300070 | Oil seal | |
| 35 | 2300143G | Lower king pin | |
| 36 | 2300152G | Lower king pin washer | |
| 37 | A2300148G | Lower king pin bush | |
| 38 | J2300010 | Oil seal | |
| 39 | JB/T7940.2-1995 | Oil cup | |
| 40 | B2305GA | Hub reducer assy | |
| 41 | 3501010G-W | Brake and brake drum assy | |
| 41 | 3501150G-W | Brake and brake drum assy | |
| 42 | 2300024PY11 | Upper thrust support | |
| 43 | A2305113P | Wheel tightening nut | |
| 44 | C2500062 | Lock plate | |
| 45 | GB/T5785-2000 | Bolt | |
| 46 | GB/T5785-2000 | Bolt | |
| 47 | B2500065 | Grooved nut | |
| 48 | B2500063B | Thrust washer | |
| 49 | GB/T276-1994 | Anti-friction bearing | |
| 50 | B2500040B | Oil seal | |
| 51 | B2500020B | Oil seal | |
| 52 | B2500064 | Screw ring | |
| 53 | B2500066A-D | Thru shaft | |
| 54 | B2500060B | Screw ring assy | |
| 55 | GB/T862.2-1987 | Washer | |
| 56 | GB/T5786-2000 | Bolt | |
| 57 | GB/T93-1987 | Washer 10 GB/T93-1987 | |
| 58 | B2500070A-D | Thru shaft assy | |
| 59 | A2305033 | Grooved nut | |
| 60 | A2305032 | Lock plate | |
| 61 | JB/T7940.1-1995 | Oil cup | |
| 62 | 2300002PY10A | Washer | |
| 63 | GB/T5801-2006 | Anti-friction bearing | |
| 64 | J2300030 | Oil seal |
Содержащиеся в справочниках-каталогах запасные части и детали не предлагаются к продаже, а носят исключительно информационный характер