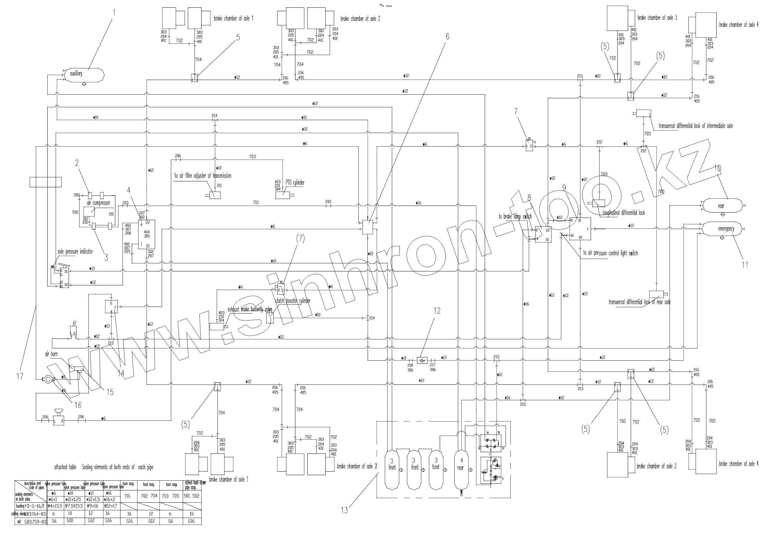
Каталог запасных частей к технике: Zoomlion ZLJ5480JQZV3. AIR BRAKE SYSTEM D00672403500000000Y
1
2
3
4
5
5
5
5
5
5
6
7
7
8
9
10
11
12
13
14
15
16
17
| Позиция на иллюстрации | Заводской номер детали | Название детали | |
|---|---|---|---|
| 1 | 00672403500400001 | Air reservoir installation I | |
| 2 | 00676433504000000 | Pipe clamp installation | |
| 3 | 00676433503800000 | Pipe clamp installation | |
| 4 | 1070500006 | Foot-operated relay valve | |
| 5 | 00670713501400000 | Bulkhead union installation | |
| 6 | 00671233510600000 | Six-way union installation assy | |
| 7 | 00671243500400000 | Solenoid air valve installation | |
| 8 | 00670713501800000 | Relay valve installation | |
| 9 | 00672403501200000 | Differential relay valve installation | |
| 10 | 00672403500600001 | Air reservoir installation II | |
| 11 | 00672403500800001 | Air reservoir installation III | |
| 12 | 1010300132 | Check valve | |
| 13 | 00672403501000001 | Air reservoir and valve block assy | |
| 14 | 00670713502000000 | Air control shutoff gate valve installation | |
| 15 | 00670713502200000 | Air horn installation | |
| 16 | 00671233501400000 | Air horn switch installation | |
| 17 | 00672403501600001 | Nylon tube assy | |
| 18 | 00672403500001010 | Schematic diagram – air brake system | |
| 19 | 00672403501400000 | Chassis air line rubber hose assy | |
| 20 | 00672403500200000 | Chassis air line rubber hose assy | |
| 21 | 1990200009 | Nylon strap | |
| 201 | 00676603500001120 | Straight thread connector | |
| 202 | 1140100953 | Fitting body | |
| 203 | 1140100948 | Fitting body | |
| 204 | 00676603500001020 | Elbow union | |
| 205 | 00672303500001040 | Tee union | |
| 206 | 1140100951 | Fitting body | |
| 207 | 00676603500001140 | Straight thread connector | |
| 208 | 00676603501401010 | Straight thread elbow | |
| 209 | 00676603500601020 | Union elbow | |
| 210 | 00676533501201011 | Union elbow | |
| 211 | 00670103510001020 | Straight thread connector | |
| 212 | 1140100930 | Fitting body | |
| 213 | 1140100952 | Fitting body | |
| 214 | 1140100923 | Fitting body | |
| 215 | 00670603500001040 | Tee union | |
| 216 | 1140100971 | Fitting body | |
| 217 | 00676603520001030 | Straight thread connector | |
| 218 | 00671203500401010 | Straight thread connector | |
| 301 | 1040300113 | Washer | |
| 302 | 1040300105 | Washer | |
| 303 | 1081001295 | Combination washer | |
| 304 | 1040300026 | Washer | |
| 305 | 1040300063 | Washer | |
| 306 | 1040300023 | Washer | |
| 307 | 1081001294 | Combination washer | |
| 401 | 1040200157 | Nut | |
| 402 | 1040200154 | Nut | |
| 403 | 1040200271 | Nut | |
| 404 | 1040200192 | Nut | |
| 405 | 1040200164 | Nut |
Содержащиеся в справочниках-каталогах запасные части и детали не предлагаются к продаже, а носят исключительно информационный характер