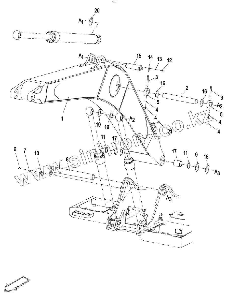
Каталог запасных частей к технике: Zoomlion ZE205E. Boom Assy
1
2
3
3
4
4
4
4
5
5
6
7
8
9
10
11
11
12
13
14
15
16
16
17
17
18
19
19
20
21
| Позиция на иллюстрации | Заводской номер детали | Название детали | |
|---|---|---|---|
| 1 | 003001014A0200000 | Boom | |
| 2 | 003001014A0001010 | Pin | |
| 3 | 1040001368 | Bolt | |
| 4 | 1040200184 | Nut | |
| 5 | 003001014A0001020 | Plate | |
| 6 | 1040000143 | Bolt | |
| 7 | 1040301016 | Washer | |
| 8 | 003001014A0400000 | Pin | |
| 9 | 003001014A0001030 | Spacer | |
| 10 | 003001014A0001040 | Plate | |
| 11 | 1081200232 | Seal | |
| 12 | 1040000490 | Болт M12x30-10.9 | |
| 13 | 1040301022 | Washer | |
| 14 | 003001015A0001030 | Plate | |
| 15 | 003001014A0600000 | Pin | |
| 16 | 003001014A0001050 | Spacer | |
| 17 | 003001014A0001061 | Bushing | |
| 18 | 003001014A0001070 | Spacer | |
| 19 | 003001014A0001080 | Spacer | |
| 20 | 003001014A0001090 | Spacer | |
| 21 | 003011014A0001020 | Plug |
Содержащиеся в справочниках-каталогах запасные части и детали не предлагаются к продаже, а носят исключительно информационный характер