Вернуться на главную
Поиск
Каталоги запчастей к технике
Спецтехника
Zoomlion
ZD160T(S,SH, CS)-3
Топливные трубопроводы
Каталог запасных частей к технике: Zoomlion ZD160T(S,SH, CS)-3. Топливные трубопроводы
zoom-in
zoom-out
enlarge
shrink
circle-right
circle-left
file-text2
info
cart
Тип техники
Не выбрано
Легковые автомобили
Грузовые автомобили и прицепы
Автобусы
Сельхозтехника
Спецтехника
Двигатели
Мототехника
Марка
Не выбрано
Ammann
BOMAG
CARMIX
CASE IH
Changlin
ChengGong
Dimex
Doosan
DYNAPAC
Foton
HAMM
Hidromek
Hitachi
Hyundai
JCB
JLG
John Deere
Komatsu
LIEBHERR
LiuGong
Lonking (LongGong)
Luneng
MANITOU
Mitsuber
New Holland
PENGPU
RM-Terex
SANY
SDLG
SEM
Shantui
Shehwa HBXG
Soosan
TIGARBO
VOGELE
Volvo
WAY
WIRTGEN
XCMG
XGMA
Xiamen
YTO
Yuchai
Zoomlion
Автокран
АЗСМ
Алтайлесмаш
Амкодор
АОМЗ
Атек
АТЗ
Балканкар Рекорд
БелАЗ
Беловеж
Борекс
Брянский Арсенал
Булат
ВЭКС
ГАЗ
Геомаш
Гидромаш
Донекс
Дормаш
Дормашина
Дорэлектромаш
ДЭЗ
ЕлАЗ
ЗЗГТ
Ижнефтемаш
Канаш-электрокар
КЗКТ
ККЗ
Клевер
Клинцовский автокрановый завод
КМЗ
КМЗ 1 Мая
Ковровец
Коммаш
Кранэкс
КЭЗ
КЭМЗ
ЛЗА
МАЗ
МЗИК
МЗКМ
МЗКТ
Михневский РМЗ
МоАЗ
Мозырский МЗ
МТЗ
ОЗП
Онежец
ПАО "ТЗА"
ППС Детва
Промтрактор
ПТЗ
Раскат
СпецАгрегат
ТВЭКС
ТТМ
УВЗ
Угличмаш
УЗТМ
ХТЗ
ЧЗКМ
ЧСДМ
ЧТЗ
ЭКСКО
ЭКСМАШ
ЮрМаш
Модель
Не выбрано
33X-4Z
47X-5RZ
K56X-6RZ
PL2304 (2021)
QUY260CR-32Y
QY55V53232Z
RN (90-110 л.с.)
RS (2021)
RT-100 (2013)
RT-35 (2013)
RT-55 (2013)
RT-551 (4x4) (2013)
RT-75 (2013)
ZCC1100H (2014)
ZD160T(S,SH, CS)-3 (2012)
ZE205E (2013)
ZLJ5480JQZV3 (2013)
ZLJ5500V3 (2013)
ZLJ5550JQZV3.2 (2016)
ZT20J (2019)
ZT68J (2019)
Схема
>
Не выбрано
Дизельный двигатель (004902001A0000000)
Выходная установка движущей силы (004904001A1400000)
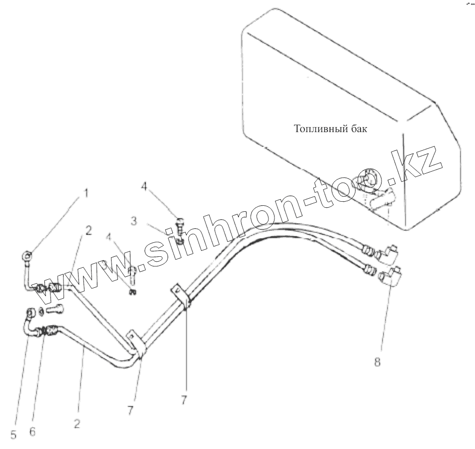
Топливный бак
Топливные трубопроводы
Электроаппаратная система (004904077A0000000)
Панель управления
Гидроконвертер моментов 004904013A0000000
Корпус главного сцепления (004904013A0000000)
Диск основного сцепления (004907010A2600000)
Сервомеханизм основного сцепления (004907010A1200000)
Сервомеханизм основного сцепления (004907010A1000000)
Механизм управления главным сцеплением (004907011A0000000)
Коробка скоростей (004907015A0000000)
Средняя ось (004907015A0000000)
Выходная ось движущей силы (004907015A0200000)
Основная ось (004907015A0200000)
Переводная вилка передачи переменной скорости (1/2) (00490715A0000000)
Переводная вилка передачи переменной скорости (2/2) (00490715A0000000)
Переводная вилка передачи переменной скорости (1/2) (00490715A0000000)
Рычаг переменной скорости (00490715A0000000)
Муфта (004904020A0000000)
Тележка (004904021A0000000)
Сцепление поворачивания (1/2) (004904022A0200000)
Сцепление поворачивания (2/2) (004904022A0200000)
Окончательный привод и цепное колесо (004904027A0000000)
Окончательный привод и цепное колесо (для ZD160TS/TSH/TCS) (004904027A0000000)
Ось и ступица окончательного привода (004904027A0000000)
Ось и ступица окончательного привода (Для ZD160TS/TSH/TCS-3) (004904027A0000000)
Зубчатое колесо окончательного привода (004904027A0000000)
Стенд-тележка (004904030A0000000)
Стенд-тележка ( Для ZD160TS-3/ZD160TSH-3) (004904130A0000000)
Стенд-тележка ( Специально для ZD160TCS-3) (004907230A0000000)
Крышка рамы тележки (004904030A0000000)
Крышка рамы тележки (Для ZD160TS-3/ZD160TSH-3) (004904130A0000000)
Крышка рамы тележки (Специально для ZD160TCS-3) (004907230A0000000)
Установка натяжения (004904030A0000000)
Установка натяжения (Для ZD160TS-3/ZD160TSH-3) (004904030A0000000)
Установка натяжения (Для ZD160TCS-3) (004907230A0000000)
Опорный каток (004904030A0000000)
Опорный каток (Для ZD160TS-3/ZD160TSH-3) (004904130A0000000)
Опорный каток (Для ZD160TCS-3) (004907230A0000000)
Направляющее колесо (004904030A0600000)
Поддерживающее колесо (004904030A1400000)
Гусеница (004904032A0000000)
Гусеница (Для ZD160TS-3/ZD160TSH-3) (004904132A0000000)
Гусеница (Для ZD160TCS-3) (004907232A0000000)
Тормоз (004904033A0000000)
Тормоз (004904033A0000000)
Клапан рулевого управления (004904040A0000000)
Безопасный клапан (004904040A4000000)
Стопорная подножка и шатун (004904041A0000000)
Стопорная подножка и шатун (004904041A0000000)
Конструкция блокирования тормоза (004904041A0000000)
Рычаг управления поворачивания (004904041A0000000)
Механизм управления топливом двигателя (004907042A0000000)
Управляющий маслопровод поворачивания (004907048A0000000)
Управляющий маслопровод поворачивания (004907048A0000000)
Фильтра для поворачивания (004904048A0800000)
Трубопровод управляющегось клапана и безопасного клапана (004904048A0000000)
Трубопровод основного сцепления (004907049A0000000)
Подвеска (004904050A0000000)
Крышка-капот (004904054A0000000)
Крышка-капот (004904054A0000000)
Крышка-капот (004904054A0000000)
Крышка-капот (004904054A0000000)
Крышка-капот (004904054A0000000)
Сиденье водителя (1139900710)
Маслоканал рабочего насоса (004904058A0000000)
Кронштейн цилиндра (004904059A0000000)
Цилиндр рабочих устройств (004904060A0000000)
Цилиндр рабочих устройств (004904060A0000000)
Цилиндр рабочих устройств (004904060A0000000)
Цилиндр рабочих устройств (004904060A0000000)
Маскоканал подъема лопаты (004904052A0000000)
Маскоканал подъема лопаты (004904052A0000000)
Маскоканал подъема лопаты (Для ZD160TS/TSH/TCS-3) (004904052A0000000)
Маскоканал подъема лопаты (Для ZD160TS/TSH/TCS-3) (004904052A0000000)
Наклонный гидротрубопровод (004904018A0000000)
Механизм управления лопатой бульдозера (004904034A0000000)
Механизм управления лопатой бульдозера (004904034A0000000)
Цилиндр подъема лопаты бульдозера
Наклонный бак топлива отвала (004904063A0600000)
Тяговая подпорка (004904069A0000000)
Прямонаклонная лопата (004904071A0000000)
Подпорка прямого наклонного отвала (004904071A0000000)
Прямонаклонная лопата (Для ZD160TS-3/ZD160TS-3H) (004904071A0000000)
Подпорка прямого наклонного отвала (Для ZD160TS-3/ZD160TS-3H) (004904071A0000000)
Прямонаклонная лопата (Для ZD160TCS-3) (004904171A0000000)
Подпорка прямого наклонного отвала (Для ZD160TCS-3) (004907271A0000000)
Табличка
Табличка
Центральная измерительная установка давления (004904084A0000000)
Сборки кабины (004906096A0000000)
Цилиндр рабочих устройств (004904060B0000000)
Цилиндр рабочих устройств (004904060B0000000)
Цилиндр рабочих устройств (004904060B0000000)
Цилиндр рабочих устройств (004904060B0000000)
Цилиндр рабочих устройств (004904060B0000000)
Цилиндр рабочих устройств (004904060B0000000)
Рыхлитель (004904078A0000000)
Управление рыхлителя (004904035A0000000)
Механизм управления рыхлителя (004904035A0000000)
Бак топлива рыхлителя (004904063A0800000)
Маслоканал рыхлителя (004904087A0000000)
Система кондиционера (004904094A0000000)
Система кондиционера (004904094A0000000)
Сборка антинаклонного опора (004904097A0000000)
Электрическая система в кабинке (004904097B0000000)
1
2
2
3
3
4
4
5
6
7
7
8
Позиция на иллюстрации
Заводской номер детали
Название детали
1
004904004A0200000
Угольник
2
1140210723
Комплект шланга
3
1040300067
Washer
4
1040000116
Bolt
5
004904004A0001010
Горизонтально-вертикальное соединение
6
004904004A0001020
Прокладка
7
004904004A0400000
Трубодержатель
8
004904004A0001050
Горизонтально-вертикальное соединение
Содержащиеся в справочниках-каталогах запасные части и детали не предлагаются к продаже, а носят исключительно информационный характер
Дополнительная информация
×
Название:
Номер:
Примечание: