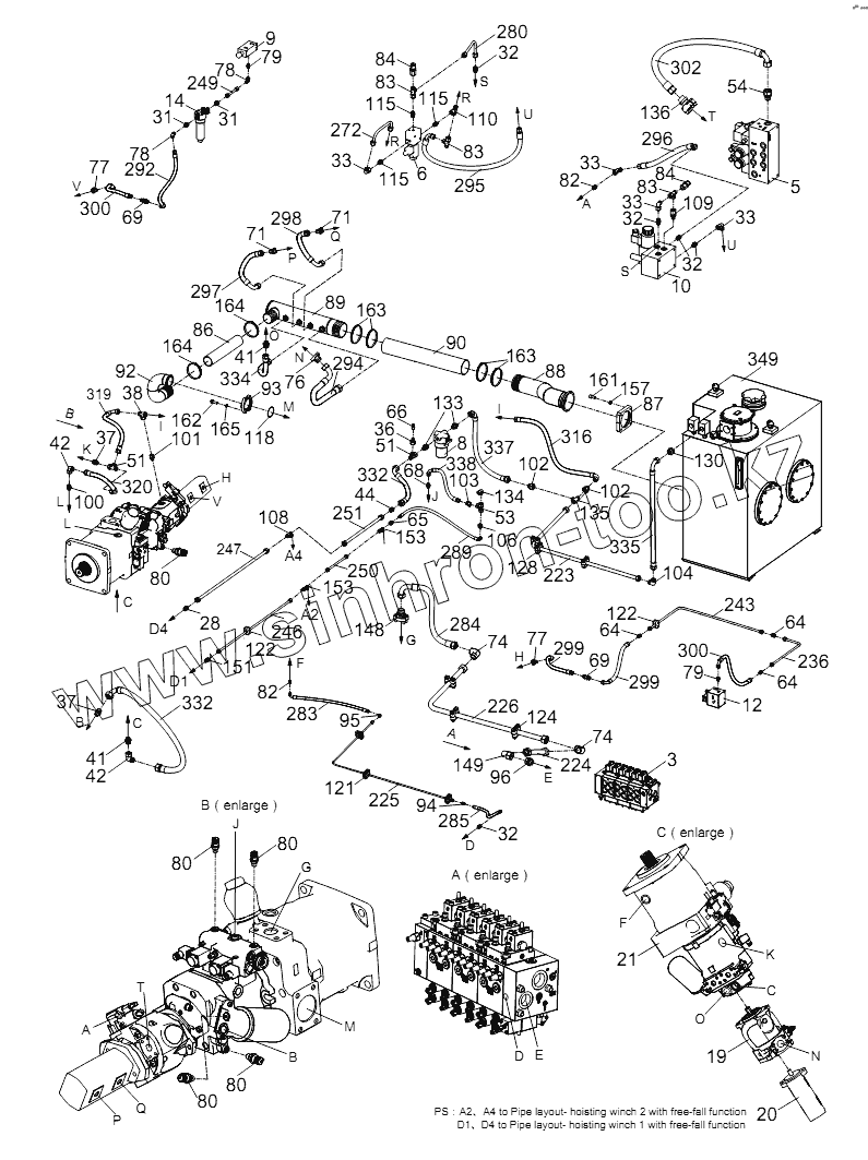
Каталог запасных частей к технике: Zoomlion ZCC1100H. PIPE LAYOUT – SUPERSTRUCTURE HYDRAULIC SYSTEM (Power system ) D00663111600000001Y
3
5
6
8
9
10
12
14
19
20
21
28
31
31
32
32
32
32
33
33
33
33
36
37
37
38
41
41
42
42
44
51
51
53
54
64
64
64
65
66
68
69
69
71
71
74
74
76
77
77
78
78
79
79
80
80
80
80
80
80
82
83
83
83
84
84
86
87
88
89
90
92
93
94
95
96
100
101
102
102
103
104
106
108
109
110
115
115
115
118
121
122
122
124
128
130
133
134
135
136
148
149
151
153
153
157
161
162
163
163
164
164
165
223
224
225
226
236
243
246
247
249
250
251
272
280
283
284
285
289
292
294
295
296
297
298
299
299
300
300
302
316
319
320
332
332
334
335
337
338
349
| Позиция на иллюстрации | Заводской номер детали | Название детали | |
|---|---|---|---|
| 00663111600000001 | 00663111600000001 | Pipe layout – superstructure hydraulic syste m | |
| 3 | 1010303899 | Main valve | |
| 5 | 1010303898 | Control valve block | |
| 6 | 1010300148 | Solenoid valve | |
| 8 | 1010600016 | Pressure oil filter | |
| 9 | 1010302669 | Overflow valve | |
| 10 | 1010303895 | Control valve block | |
| 12 | 1010300423 | Combination valve | |
| 14 | 1010600005 | Pressure oil filter | |
| 19 | 1010001069 | Variable pump | |
| 20 | 1010000078 | Gear pump | |
| 21 | 1010001164 | Tandem variable pump | |
| 28 | 1140100652 | Fitting | |
| 31 | 1140100637 | Fitting | |
| 32 | 1140100572 | Fitting | |
| 33 | 1140100597 | Fitting | |
| 36 | 1140100737 | Fitting | |
| 37 | 1140100724 | Fitting | |
| 38 | 1140100578 | Fitting | |
| 41 | 1140100577 | Fitting | |
| 42 | 1140100616 | Fitting | |
| 44 | 1140100644 | Fitting | |
| 51 | 1140100731 | Fitting | |
| 53 | 1140102995 | Fitting | |
| 54 | 1140100620 | Fitting | |
| 64 | 1140100602 | Fitting | |
| 65 | 1140100733 | Fitting | |
| 66 | 1140100423 | Fitting | |
| 68 | 1140100533 | Fitting body | |
| 69 | 1140100725 | Fitting | |
| 71 | 1140100872 | Flange fitting | |
| 74 | 1140100714 | Fitting | |
| 76 | 1140102186 | Flange assembly | |
| 77 | 1140100876 | Flange fitting | |
| 78 | 1140100587 | Fitting | |
| 79 | 1140100643 | Fitting | |
| 80 | 1140102828 | Pressure testing joint | |
| 82 | 1140100527 | Fitting | |
| 83 | 1140100647 | Fitting | |
| 84 | 1140102830 | Pressure testing joint | |
| 86 | 00663111600001030 | Oil suction hose of main pump | |
| 87 | 00663111600001011 | Oil suction flange | |
| 88 | 00660301601000000 | Oil suction union | |
| 89 | 00663111601400000 | Oil collecting fitting | |
| 90 | 00663111600001050 | Oil delivery hose of hydraulic oil tank | |
| 92 | 00663111600600000 | Oil suction union of main pump | |
| 93 | 1140101377 | Split flange | |
| 94 | 1140100583 | Fitting | |
| 95 | 1140100596 | Fitting | |
| 96 | 1140100532 | Fitting | |
| 100 | 1140101011 | Pipe fitting | |
| 101 | 1140109632 | Pipe fitting | |
| 102 | 1140100727 | Fitting | |
| 103 | 1140100640 | Fitting | |
| 104 | 1140100636 | Fitting | |
| 106 | 1140100664 | Fitting | |
| 108 | 1140100609 | Fitting | |
| 109 | 1140100158 | Fitting | |
| 110 | 1140100649 | Fitting | |
| 115 | 1140100574 | Fitting | |
| 118 | 1081000092 | O-ring | |
| 121 | 1990200212 | pipe clamp | |
| 122 | 1990200213 | pipe clamp | |
| 124 | 1990200239 | pipe clamp | |
| 126 | 1190200242 | pipe clamp | |
| 128 | 1990200208 | pipe clamp | |
| 130 | 1140102510 | Pipe fitting | |
| 133 | 1140101156 | Screw | |
| 134 | 1140100633 | Fitting | |
| 135 | 1140100579 | Fitting | |
| 136 | 1140103439 | Flange assembly | |
| 148 | 1140100885 | Flange assembly | |
| 149 | 1140100665 | fitting | |
| 151 | 1149900149 | Transition fitting | |
| 153 | 1140100589 | fitting | |
| 157 | 1040300054 | Washer | |
| 161 | 1040100087 | Screw | |
| 162 | 1040000065 | Bolt | |
| 163 | 1990200534 | Worm clamp | |
| 164 | 1990200532 | Worm clamp | |
| 165 | 1040300065 | Washer | |
| 223 | 00663111605310001 | Steel pipe assy | |
| 224 | 00663111605330001 | Steel pipe assy | |
| 225 | 00663111605340001 | Steel pipe assy | |
| 226 | 00663111605350001 | Steel pipe assy | |
| 236 | 00663111605450001 | Steel pipe assy | |
| 243 | 00663111605520001 | Steel pipe assy | |
| 246 | 00663111605550001 | Steel pipe assy | |
| 247 | 00663111605560001 | Steel pipe assy | |
| 249 | 00663111605580001 | Steel pipe assy | |
| 250 | 00663111605590001 | Steel pipe assy | |
| 251 | 00663111605600001 | Steel pipe assy | |
| 272 | 00663111605830001 | Steel pipe assy | |
| 280 | 00663111605970001 | Steel pipe assy | |
| 283 | 1140220545 | Hose assy | |
| 284 | 1140235697 | Hose assy | |
| 285 | 1140217108 | Hose assy | |
| 289 | 1140215333 | Hose assy | |
| 292 | 1140206947 | Hose assy | |
| 294 | 1140207369 | Hose assy | |
| 295 | 1140214290 | Hose assy | |
| 296 | 1140207151 | Hose assy | |
| 297 | 1140214320 | Hose assy | |
| 298 | 1140203727 | Hose assy | |
| 299 | 1140206948 | Hose assy | |
| 300 | 1140202941 | Hose assy | |
| 302 | 1140211653 | Hose assy | |
| 316 | 1140203977 | Hose assy | |
| 319 | 1140201900 | Hose assy | |
| 320 | 1140221261 | Hose assy | |
| 332 | 1140221260 | Hose assy | |
| 334 | 1140217277 | Hose assy | |
| 335 | 1140202539 | Hose assy | |
| 337 | 1140201897 | Hose assy | |
| 338 | 1140219937 | Hose assy | |
| 349 | Oiltank | Hydraulic oil tank |
Содержащиеся в справочниках-каталогах запасные части и детали не предлагаются к продаже, а носят исключительно информационный характер