Вернуться на главную
Поиск
Каталоги запчастей к технике
Спецтехника
Zoomlion
RT-75
STEERING CONTROL VALVE BLOCK INSTALLATION
Каталог запасных частей к технике: Zoomlion RT-75. STEERING CONTROL VALVE BLOCK INSTALLATION
zoom-in
zoom-out
enlarge
shrink
circle-right
circle-left
file-text2
info
cart
Тип техники
Не выбрано
Легковые автомобили
Грузовые автомобили и прицепы
Автобусы
Сельхозтехника
Спецтехника
Двигатели
Мототехника
Марка
Не выбрано
Ammann
BOMAG
CARMIX
CASE IH
Changlin
ChengGong
Dimex
Doosan
DYNAPAC
Foton
HAMM
Hidromek
Hitachi
Hyundai
JCB
JLG
John Deere
Komatsu
LIEBHERR
LiuGong
Lonking (LongGong)
Luneng
MANITOU
Mitsuber
New Holland
PENGPU
RM-Terex
SANY
SDLG
SEM
Shantui
Shehwa HBXG
Soosan
TIGARBO
VOGELE
Volvo
WAY
WIRTGEN
XCMG
XGMA
Xiamen
YTO
Yuchai
Zoomlion
Автокран
АЗСМ
Алтайлесмаш
Амкодор
АОМЗ
Атек
АТЗ
Балканкар Рекорд
БелАЗ
Беловеж
Борекс
Брянский Арсенал
Булат
ВЭКС
ГАЗ
Геомаш
Гидромаш
Донекс
Дормаш
Дормашина
Дорэлектромаш
ДЭЗ
ЕлАЗ
ЗЗГТ
Ижнефтемаш
Канаш-электрокар
КЗКТ
ККЗ
Клевер
Клинцовский автокрановый завод
КМЗ
КМЗ 1 Мая
Ковровец
Коммаш
Кранэкс
КЭЗ
КЭМЗ
ЛЗА
МАЗ
МЗИК
МЗКМ
МЗКТ
Михневский РМЗ
МоАЗ
Мозырский МЗ
МТЗ
ОЗП
Онежец
ПАО "ТЗА"
ППС Детва
Промтрактор
ПТЗ
Раскат
СпецАгрегат
ТВЭКС
ТТМ
УВЗ
Угличмаш
УЗТМ
ХТЗ
ЧЗКМ
ЧСДМ
ЧТЗ
ЭКСКО
ЭКСМАШ
ЮрМаш
Модель
Не выбрано
33X-4Z
47X-5RZ
K56X-6RZ
PL2304 (2021)
QUY260CR-32Y
QY55V53232Z
RN (90-110 л.с.)
RS (2021)
RT-100 (2013)
RT-35 (2013)
RT-55 (2013)
RT-551 (4x4) (2013)
RT-75 (2013)
ZCC1100H (2014)
ZD160T(S,SH, CS)-3 (2012)
ZE205E (2013)
ZLJ5480JQZV3 (2013)
ZLJ5500V3 (2013)
ZLJ5550JQZV3.2 (2016)
ZT20J (2019)
ZT68J (2019)
Схема
>
Не выбрано
Remarks
RT75 ROUGH TERRAIN CRANE
BASIC BOOM ASSY
TELESCOPIC BOOM SECTION 1 ASSY
PULLEY ASSY
TRLESCOPIC BOOM SECTION 2 ASSY
PULLEY ASSY
TELESCOPIC BOOM SECTION 3 ASSY
PULLEY ASSY
ROOSTER SHEAVE
PULLEY ASSY
MAIN BOOM ASSY
ROPE GUIDE ASSY
MAIN BOOM INSTALLATION
JIB
ROLLER
PULLEY ASSY
PULLEY ASSY
JIB INSTALLATION
TELESCOPING SYSTEM
PULLEY HEAD ASSY
GUIDE PULLEY ASSY
PULEY ASSY
TELESCOPING CYLINDER
DEERICKING CYLINDER
DEEERICKING CYLINDER INSTALLATION
SECURING DEVICE FOR HOOK
ROOSTER SHEAVE INSTALLATION
NAME PLATE (CHINESE AND ENGLISH VERSIONS)
NAME PLATE (ENGLISH VERSION)
CHASSIS FRAME ASSEMBLY
TOOLBOX
WHEEL HOUSING AND PLATFORM INSTALLATION
FUEL SUPPLY SYSTEM
PREHEATING STARTER
PROPELLER SHAFT ASSEMBLY
TRANSMISSION AND ENGINE INSTALLATION
TRANSMISSION AND ENGINE PRE-ASSEMBLY
PTO
ENGINE HOUSING AND ITS INSTALLATION
ENGINE HOUSING
EXHAUST SYSTEM
REAR OVERHANG
SUSPENSION CYLINDER
MAIN REDUCER ASSY 1
MAIN REDUCER ASSY 2
BRAKE ASSY
AXLE SHELL ASSY
LATERAL ASSY 1
LATERAL ASSY 2
WHEEL AND RIM
MAIN REDUCER ASSY
BRAKE ASSY
AXLE SHELL ASSY
LATERAL ASSY 1
LATERAL ASSY 2
STEERING SYSTEM
STEERING CYLINDER
INTERCOOLING SYSTEM
COOLING SYSTEM
AIR INTAKE SYSTEM
AIR FILTER
VERTICAL CYLINDER
HORIZONTAL CYLINDER
OUTRIGGER ASSEMBLY
OUTRIGGER
SCHEMATIC DIAGRAM
SCHEMATIC DIAGRAM
SCHEMATIC DIAGRAM
SCHEMATIC DIAGRAM
SCHEMATIC DIAGRAM
SCHEMATIC DIAGRAM
SCHEMATIC DIAGRAM
SCHEMATIC DIAGRAM
SCHEMATIC DIAGRAM
SCHEMATIC DIAGRAM
SCHEMATIC DIAGRAM
SCHEMATIC DIAGRAM
SCHEMATIC DIAGRAM
SCHEMATIC DIAGRAM
SCHEMATIC DIAGRAM
SCHEMATIC DIAGRAM
SCHEMATIC DIAGRAM
SCHEMATIC DIAGRAM
SCHEMATIC DIAGRAM
SCHEMATIC DIAGRAM
SCHEMATIC DIAGRAM
SCHEMATIC DIAGRAM
SCHEMATIC DIAGRAM
SCHEMATIC DIAGRAM
SCHEMATIC DIAGRAM
SCHEMATIC DIAGRAM
SCHEMATIC DIAGRAM
SCHEMATIC DIAGRAM
SCHEMATIC DIAGRAM
SCHEMATIC DIAGRAM
SCHEMATIC DIAGRAM
SCHEMATIC DIAGRAM
SCHEMATIC DIAGRAM
SCHEMATIC DIAGRAM
SCHEMATIC DIAGRAM
SCHEMATIC DIAGRAM
OPERATOR’S CAB ELECTRICS
SLEWING TABLE ELECTRICS
BOOM ELECTRICS
CHASSIS FRAME ELECTRICS 1
CHASSIS FRAME ELECTRICS 2
CENTRE REVOLVING JOINT INSTALLATION
CENTRE REVOLVING JOINT
HYDRAULIC OIL TANK INSTALLATION
HYDRAULIC OIL TANK
HYDRAULIC OIL RADIATOR INSTALLATION
RADIATOR
OIL PUMP DRIVE DEVICE
OUTRIGGER CONTROL VALVE BLOCK INTALLATION
FLUID FILLING VALVE INSTALLATION
BRAKE VALVE ASSY INSTALLATION
HIGH-PRESSURE OIL FILTER INSTALLATION
ACCUMULATOR INSTALLATION
RELIEF CONTROL VALVE BLOCK INSTALLATION
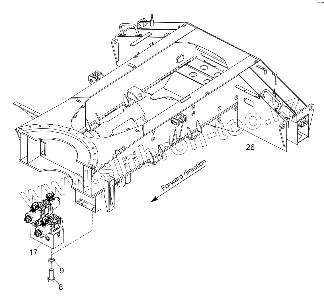
STEERING CONTROL VALVE BLOCK INSTALLATION
LOCKING SOLENOID VALVE INSTALLATION
LOCKING SOLENOID VALVE
STEERING CONTROL VALVE BLOCK
OUTRIGGER CONTROL VALVE BLOCK
RELIEF CONTROL VALVE BLOCK
OUTRIGGER HYDRAULIC LOCK INSTALLATION
SLEWING CUSHION VALVE INSTALLATION
PILOT-OPERATED CONTROL VALVE BLOCK INSTALLATION
PIPE FILTER INSTALLATION
DERRICKING TELESCOPING VALVE INSTALLATION
WINCH VALVE INSTALLATION
PRIORITY VALVE INSTALLATION
SLEWING BRAKE VALVE INSTALLATION
PILOT OIL SOURCE BLOCK INSTALLATION
SOLENOID VALVE BLOCK INSTALLATION
PILOT-OPERATED VALVE INSTALLATION
SLEWING BRAKE VALVE
PILOT OIL SOURCE BLOCK
SLEWING CUSHION VALVE
PILOT-OPERATED DIRECTIONAL CONTROL VALVE
DAMPER VALVE
RELIEF VALVE
CUSHION VALVE
PILOT-OPERATED CONTROL VALVE BLOCK
PILOT-OPERATED VALVE
SOLENOID VALVE BLOCK
TELESCOPING BALANCE VALVE INSTALLATION
TELESCOPING BALANCE VALVE
DERRICKING BALANCE VALVE INSTALLATION
HOISTING BALANCE VALVE INSTALLATION
COUNTERWEIGHT BALANCE VALVE INSTALLATION
CAB VALVE INSTALLATION (PILOT-OPERATED CONTROL JOYSTICK)
CAB VALVE INSTALLATION (FOOT-OPERATED INSTALLATION)
SCHEMATIC DIAGRAM-HYDRAULIC SYSTEM (RT75B)
SWING SYSTEM
RUDUCER
SWING BEARING ASSEMBLY
SWING LOCKOUT DEVICE
SWING LOCKOUT CYLINDER
MAIN WINCH MECHANISM
WINCH REDUCER
AUXILAIRY WINCH MECHANISM
WINCH REDUCER
WINDSHIELD
INSTRUMENT CONSOLE ARRANGEMENT
Front WINDSHILED WIPER SYSTEM
FOOT PEDAL
DRIVER'S CAB (A/C)
DRIVER'S CAB (SEAT)
DRIVER'S CAB ASSY
GUARD BOARD AND INTERIOR DECORATIVE PLATE
ROOF WIPER SYSTEM AND FAN
ROOF WINDOW
DOOR ASSY
DRIVER'S CAB PRE-ASSEMBLY
AIR CONDITIONING
SPECIAL A/C
CAB HEATER
HEATER
COUNTERWEIGHT HANDLER
LIFTING CYLINDER
ROPE GUARD BRACKET INSTALLATION
8
9
17
26
Позиция на иллюстрации
Заводской номер детали
Название детали
00756114820800000
00756114820800000
Chassis frame valve installation
8
1040000114
Bolt
9
1040300067
Washer
17
1010302514
Steering control valve block
26
Chassis
Chassis attachments welded
Содержащиеся в справочниках-каталогах запасные части и детали не предлагаются к продаже, а носят исключительно информационный характер
Дополнительная информация
×
Название:
Номер:
Примечание: