Вернуться на главную
Поиск
Каталоги запчастей к технике
Спецтехника
Zoomlion
RT-551 (4x4)
REAR SUSPENSION D00757913300000000Y
Каталог запасных частей к технике: Zoomlion RT-551 (4x4). REAR SUSPENSION D00757913300000000Y
zoom-in
zoom-out
enlarge
shrink
circle-right
circle-left
file-text2
info
cart
Тип техники
Не выбрано
Легковые автомобили
Грузовые автомобили и прицепы
Автобусы
Сельхозтехника
Спецтехника
Двигатели
Мототехника
Марка
Не выбрано
Ammann
BOMAG
CARMIX
CASE IH
Changlin
ChengGong
Dimex
Doosan
DYNAPAC
Foton
HAMM
Hidromek
Hitachi
Hyundai
JCB
JLG
John Deere
Komatsu
LIEBHERR
LiuGong
Lonking (LongGong)
Luneng
MANITOU
Mitsuber
New Holland
PENGPU
RM-Terex
SANY
SDLG
SEM
Shantui
Shehwa HBXG
Soosan
TIGARBO
VOGELE
Volvo
WAY
WIRTGEN
XCMG
XGMA
Xiamen
YTO
Yuchai
Zoomlion
Автокран
АЗСМ
Алтайлесмаш
Амкодор
АОМЗ
Атек
АТЗ
Балканкар Рекорд
БелАЗ
Беловеж
Борекс
Брянский Арсенал
Булат
ВЭКС
ГАЗ
Геомаш
Гидромаш
Донекс
Дормаш
Дормашина
Дорэлектромаш
ДЭЗ
ЕлАЗ
ЗЗГТ
Ижнефтемаш
Канаш-электрокар
КЗКТ
ККЗ
Клевер
Клинцовский автокрановый завод
КМЗ
КМЗ 1 Мая
Ковровец
Коммаш
Кранэкс
КЭЗ
КЭМЗ
ЛЗА
МАЗ
МЗИК
МЗКМ
МЗКТ
Михневский РМЗ
МоАЗ
Мозырский МЗ
МТЗ
ОЗП
Онежец
ПАО "ТЗА"
ППС Детва
Промтрактор
ПТЗ
Раскат
СпецАгрегат
ТВЭКС
ТТМ
УВЗ
Угличмаш
УЗТМ
ХТЗ
ЧЗКМ
ЧСДМ
ЧТЗ
ЭКСКО
ЭКСМАШ
ЮрМаш
Модель
Не выбрано
33X-4Z
47X-5RZ
K56X-6RZ
PL2304 (2021)
QUY260CR-32Y
QY55V53232Z
RN (90-110 л.с.)
RS (2021)
RT-100 (2013)
RT-35 (2013)
RT-55 (2013)
RT-551 (4x4) (2013)
RT-75 (2013)
ZCC1100H (2014)
ZD160T(S,SH, CS)-3 (2012)
ZE205E (2013)
ZLJ5480JQZV3 (2013)
ZLJ5500V3 (2013)
ZLJ5550JQZV3.2 (2016)
ZT20J (2019)
ZT68J (2019)
Схема
>
Не выбрано
RT551 ROUGH TERRAIN CRANE D00755910000020000Y
BASIC BOOM ASSY D00755918520000000Y
TELESCOPIC BOOM SECTION 1 ASSY D00631178610000000Y
TELESCOPIC BOOM SECTION 2 ASSY D00631178710000000Y
PULLEY ASSY D00633230000000061Y
TELESCOPIC BOOM SECTION 3 ASSY D00631178810000000Y
PULLEY ASSY D00631208800400000Y
TELESCOPIC BOOM SECTION 4 ASSY D00755918920000000Y
PULLEY ASSY D00755908800600000Y
ROOSTER SHEAVE ASSY D00631121200200000Y
PULLEY ASSY D00633230000000044Y
ROOSTER SHEAVE INSTALLATION D00631121200400000Y
MAIN BOOM ASSY D00755910120000000Y
ROPE GUIDE ASSY D00631200100200000Y
MAIN BOOM INSTALLATION D00755914720200000Y
JIB D00755900230000000Y
ROLLER D00755900201000001Y
PULLEY ASSY D00755900202000000Y
PULLEY ASSY D00755908800600000Y
JIB INSTALLATION D00755904700400001Y
TELESCOPING SYSTEM D00631171810000000Y
WIRE ROPE SUPPORT D00631141810200001Y
GUIDE SEAT D00631141801400000Y
ROLLER HEAD ASSY EXPLODED VIEW D00631141810400000Y
TELESCOPING CYLINDER I D00631178410100000_6400Y
TELESCOPING CYLINDER II D00631178410200000_6400Y
DERRICKING CYLINDER D00755918400300000_6400Y
DERRICKING CYLINDER INSTALLATION D00755904700800000Y
MAIN HOOK D1090400135_101737Y
SECURING DEVICE FOR HOOK D00755914300000000Y
NAME PLATE (CHINESE AND ENGLISH VERSIONS) D00755917010000000Y
NAME PLATE (CHINESE AND ENGLISH VERSIONS) D00755917010000000Y
NAME PLATE (ENGLISH VERSIONS) D00755917000000000Y
NAME PLATE (ENGLISH VERSIONS) D00755917000000000Y
TRANSMISSION AND ENGINE INSTALLATION D00757911700000000Y
TRANSMISSION AND ENGINE PRE-ASSEMBLY D00757911700200000Y
TRANSMISSION AND ENGINE PRE-ASSEMBLY D00757911700210000Y
ENGINE ATTACHMENTS INSTALLATION D00757911000000001Y
AIR FILTER D1000100162_30507Y
FUEL SUPPLY SYSTEM D00757911100000002Y
PREHEATING STARTER D00757910800000000Y
PTO D00757913910000000Y
STEERING SYSTEM D00757913400000000Y
STEERING CYLINDER D00757918400900000_6400Y
FRONT SUSPENSION D00757912900000000Y
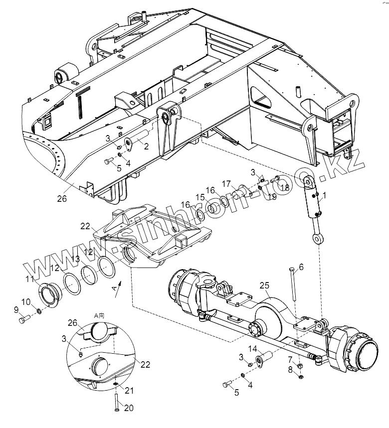
REAR SUSPENSION D00757913300000000Y
SUSPENSION CYLINDER D00757918401100000_6400Y
PROPELLER SHAFT LAYOUT D00757912200000000Y
WHEEL ASSY D00757913110000000Y
WHEEL HOUSING AND ITS INSTALLATION D00757915210000003Y
TOOLBOX AND PLATFORM ASSY D00757919410000002Y
OUTRIGGER AND ITS CYLINDER INSTALLATION D00755914700200000Y
OUTRIGGER D00755901310000000Y
VERTICAL CYLINDER D00755918400700000_6400Y
HORIZONTAL CYLINDER D00755908400500000_6400Y
ENGINE HOUSING AND ITS INSTALLATION D00757915100000000Y
ELECTRICAL SYSTEM (HIRSCHMANN) D00755916160000001Y
ELECTRICAL SYSTEM (HIRSCHMANN) D00755916160000001Y
ELECTRICAL SYSTEM (HIRSCHMANN) D00755916160000001Y
ELECTRICAL SYSTEM (HIRSCHMANN) D00755916160000001Y
ELECTRICAL SYSTEM (HIRSCHMANN) D00755916160000001Y
ELECTRICAL SYSTEM (HIRSCHMANN) D00755916160000001Y
ELECTRICAL SYSTEM (HIRSCHMANN) D00755916160000001Y
ELECTRICAL SYSTEM (HIRSCHMANN) D00755916160000001Y
ELECTRICAL SYSTEM (HIRSCHMANN) D00755916160000001Y
ELECTRICAL SYSTEM (HIRSCHMANN) D00755916160000001Y
ELECTRICAL SYSTEM (HIRSCHMANN) D00755916160000001Y
ELECTRICAL SYSTEM (HIRSCHMANN) D00755916160000001Y
ELECTRICAL SYSTEM (HIRSCHMANN) D00755916160000001Y
ELECTRICAL SYSTEM (HIRSCHMANN) D00755916160000001Y
ELECTRICAL SYSTEM (HIRSCHMANN) D00755916160000001Y
ELECTRICAL SYSTEM (HIRSCHMANN) D00755916160000001Y
ELECTRICAL SYSTEM (HIRSCHMANN) D00755916160000001Y
ELECTRICAL SYSTEM (HIRSCHMANN) D00755916160000001Y
ELECTRICAL SYSTEM (HIRSCHMANN) D00755916160000001Y
ELECTRICAL SYSTEM (HIRSCHMANN) D00755916160000001Y
ELECTRICAL SYSTEM (HIRSCHMANN) D00755916160000001Y
ELECTRICAL SYSTEM (HIRSCHMANN) D00755916160000001Y
ELECTRICAL SYSTEM (HIRSCHMANN) D00755916160000001Y
ELECTRICAL SYSTEM (HIRSCHMANN) D00755916160000001Y
ELECTRICAL SYSTEM (HIRSCHMANN) D00755916160000001Y
ELECTRICAL SYSTEM (HIRSCHMANN) D00755916160000001Y
ELECTRICAL SYSTEM (HIRSCHMANN) D00755916160000001Y
ELECTRICAL SYSTEM (HIRSCHMANN) D00755916160000001Y
ELECTRICAL SYSTEM (HIRSCHMANN) D00755916160000001Y
ELECTRICAL SYSTEM (HIRSCHMANN) D00755916160000001Y
ELECTRICAL SYSTEM (HIRSCHMANN) D00755916160000001Y
ELECTRICAL SYSTEM (HIRSCHMANN) D00755916160000001Y
ELECTRICAL SYSTEM (HIRSCHMANN) D00755916160000001Y
ELECTRICAL SYSTEM (HIRSCHMANN) D00755916160000001Y
ELECTRICAL SYSTEM (HIRSCHMANN) D00755916160000001Y
ELECTRICAL SYSTEM (HIRSCHMANN) D00755916160000001Y
OPERATORS CAB ELECTRICS D00755916260000001Y
SLEWING TABLE ELECTRICS D00755916260000001Y
BOOM ELECTRICS D00755916260000001Y
CHASSIS FRAME ELECTRICS 1 D00755916260000001Y
CHASSIS FRAME ELECTRICS 2 D00755916260000001Y
CENTRE REVOLVING JOINT INSTALLATION D00755914800200000Y
CENTRE REVOLVING JOINT D1140109716_6500Y
HYDRAULIC OIL TANK INSTALLATION D00755914810400001Y
HYDRAULIC OIL TANK D00755913010000002Y
RADIATOR D1010400111_100026Y
OIL PUMP DRIVE DEVICE D00755913910000000Y
VALVE INSTALLATION (OUTRIGGER CONTROL VALVE BLOCK INSTALLATION ) D00755914810200001Y
VALVE INSTALLATION (FLUID FILLING VALVE INSTALLATION) D00755914810200001Y
VALVE INSTALLATION (BRAKE VALVE ASSY. INSTALLTION) D00755914810200001Y
VALVE INSTALLATION (ACCUMULATOR INSTALLATION) D00755914810200001Y
VALVE INSTALLATION (HIGH-PRESSURE OIL FILTER INSTALLATION) D00755914810200001Y
VALVE INSTALLATION (RELIEF CONTROL VALVE BLOCK INSTALLATION) D00755914810200001Y
VALVE INSTALLATION (STEERING CONTROL VALVE BLOCK INSTALLATION ) D00755914810200001Y
VALVE INSTALLATION (LOCKING SOLENOID VALVE INSTALLATION) D00755914810200001Y
VALVE INSTALLATION (SOLENOID VALVE INSTALLATION) D00755914810200001Y
LOCKING SOLENOID VALVE D1010302064_101227Y
STEERING CONTROL VALVE BLOCK D1010302514_101227Y
RELIEF CONTROL VALVE BLOCK D1010302066_102440Y
SOLENOID VALVE D1010302063_102440Y
OUTRIGGER CONTROL VALVE BLOCK D1010302790_101227Y
OUTRIGGER HYDRAULIC LOCK INSTALLATION D00755914821400000Y
OIL PIPE PROTECTION COVER INSTALLATION D00755914801200000Y
PILOT-OPERATED CONTROL VALVE BLOCK INSTALLATION D00755914820800000Y
PIPE FILTER INSTALLATION D00755914820800000Y
WINCH VALVE INSTALLATION AND TELESCOPING DERRICKING VALVE D00755914820800000Y
ELECTRO-HYDRAULIC D00755914820800000Y
SLEWING CUSHION VALVE AND SLEWING BRAKE VALVE INSTALLATION D00755914820800000Y
PRIORITY VALVE AND PILOT OIL SOURCE BLOCK INSTALLATION D00755914820800000Y
A/C CONTROL VALVE BLOCK INSTALLATION D00755914820800000Y
PILOT-OPERATED VALVE INSTALLATION D00755914820800000Y
PILOT OIL SOURCE BLOCK D1019900552_101227Y
SLEWING CUSHION VALVE D1010300495_6500Y
PILOT-OPERATED DIRECTIONAL CONTROL VALVE D1010300495_6500Y
DAMPER VALVE D1010300495_6500Y
RELIEF VALVE D1010300495_6500Y
CUSHION VALVE D1010300495_6500Y
A/C CONTROL VALVE BLOCK D1130100646_101227Y
PILOT-OPERATED VALVE D1010302511_101227Y
SLEWING BRAKE VALVE D1010303988_6500Y
PILOT-OPERATED CONTROL VALVE BLOCK D1010303710_101227Y
ELECTRO-HYDRAULIC DIRECTIONAL CONTROL VALVE D1010302101_6500Y
ELECTRO-HYDRAULIC DIRECTIONAL CONTROL VALVE (BASE PLATE ) D1010302101_6500Y
ELECTRO-HYDRAULIC DIRECTIONAL CONTROL VALVE (MAKE UP VALVE) D1010302101_6500Y
ELECTRO-HYDRAULIC DIRECTIONAL CONTROL VALVE (BACK PRESSURE VALVE) D1010302101_6500Y
DERRICKING BALANCE VALVE INSTALLATION D00755914821800000Y
HOISTING BALANCE VALVE INSTALLATION D00755914821600000Y
PILOT-OPERATED CONTROL JOYSTICK D00755914810800000Y
FOOT-OPERATED INSTALLATION D00755914810800000Y
HYDRAULIC SYSTEM D00755911520000000Y
SLEWING MECHANISM D00755904400000000Y
SWING REDUCER D1030200682_100013Y
SLEWING BEARING ASSY D00755904500000000Y
SWING LOCKING DEVICE D00755915900000000Y
SWING LOCKOUT CYLINDER D00755708401000000_6400Y
WINCH MECHANISM D00755903500000000Y
WINCH REDUCER D1030200945_100014Y
DRIVER'S CAB PRE-ASSEMBLY D00755905000000001Y
WINDSHIELD D1130000414_100037Y
INSTRUMENT CONSOLE ARRANGEMENT D1130000414_100037Y
Front WINDSHILED WIPER SYSTEM D1130000414_100037Y
FOOT PEDAL D1130000414_100037Y
A/C D1130000414_100037Y
SEAT D1130000414_100037Y
DRIVER'S CAB ASSY D1130000414_100037Y
GUARD BOARD AND INTERIOR DECORATIVE PLATE D1130000414_100037Y
ROOF WIPER SYSTEM AND FAN D1130000414_100037Y
ROOF WINDOW D1130000414_100037Y
DOOR ASSY D1130000414_100037Y
AIR CONDITIONING D00631267600000000Y
SPECIAL A/C D1130100319_100026Y
CAB HEATER D00755907510000001Y
HEATER D1200300013_102208Y
COUNTERWEIGHT INSTALLATION D00755904700600000Y
OUTSIDE MIRRORS INSTALLATION D00755904701200001Y
1
2
3
3
3
3
4
4
5
5
6
7
8
9
10
11
12
12
13
14
15
16
16
17
18
19
20
21
22
22
25
26
26
Позиция на иллюстрации
Заводской номер детали
Название детали
00757913300000000
00757913300000000
Rear suspension
1
00757918401100000
Suspension cylinder
2
00757903300400000
Pin
3
1080000007
Oil cup
4
1040300063
Washer
5
1040001555
Bolt
6
00757912900001010
Bolt
7
1040200194
Nut
8
1040200122
Nut
9
1040000065
Bolt
10
1040300065
Washer
11
00757903300600000
Hollow pin
12
00757903300001020
Thrust pad
13
1050200486
Automatic lubricating bearing
14
00757913300600000
Pin
15
1050200487
Automatic lubricating bearing
16
00757903300001030
Thrust pad
17
00757913300800000
Pin
18
1040000094
Bolt
19
1040300054
Washer
20
1040001558
Bolt
21
1040300038
Washer
22
00757913300400000
Oscillation bracket
23
202230006
Loctite glue
24
1089900245
Gear oil
25
Rearsteer
Rear steer and drive axle
26
Chassisframe
Chassis frame assembly
Содержащиеся в справочниках-каталогах запасные части и детали не предлагаются к продаже, а носят исключительно информационный характер
Дополнительная информация
×
Название:
Номер:
Примечание: