Вернуться на главную
Поиск
Каталоги запчастей к технике
Спецтехника
Zoomlion
RT-35
COOLING SYSTEM D00757701300000002Y
Каталог запасных частей к технике: Zoomlion RT-35. COOLING SYSTEM D00757701300000002Y
zoom-in
zoom-out
enlarge
shrink
circle-right
circle-left
file-text2
info
cart
Тип техники
Не выбрано
Легковые автомобили
Грузовые автомобили и прицепы
Автобусы
Сельхозтехника
Спецтехника
Двигатели
Мототехника
Марка
Не выбрано
Ammann
BOMAG
CARMIX
CASE IH
Changlin
ChengGong
Dimex
Doosan
DYNAPAC
Foton
HAMM
Hidromek
Hitachi
Hyundai
JCB
JLG
John Deere
Komatsu
LIEBHERR
LiuGong
Lonking (LongGong)
Luneng
MANITOU
Mitsuber
New Holland
PENGPU
RM-Terex
SANY
SDLG
SEM
Shantui
Shehwa HBXG
Soosan
TIGARBO
VOGELE
Volvo
WAY
WIRTGEN
XCMG
XGMA
Xiamen
YTO
Yuchai
Zoomlion
Автокран
АЗСМ
Алтайлесмаш
Амкодор
АОМЗ
Атек
АТЗ
Балканкар Рекорд
БелАЗ
Беловеж
Борекс
Брянский Арсенал
Булат
ВЭКС
ГАЗ
Геомаш
Гидромаш
Донекс
Дормаш
Дормашина
Дорэлектромаш
ДЭЗ
ЕлАЗ
ЗЗГТ
Ижнефтемаш
Канаш-электрокар
КЗКТ
ККЗ
Клевер
Клинцовский автокрановый завод
КМЗ
КМЗ 1 Мая
Ковровец
Коммаш
Кранэкс
КЭЗ
КЭМЗ
ЛЗА
МАЗ
МЗИК
МЗКМ
МЗКТ
Михневский РМЗ
МоАЗ
Мозырский МЗ
МТЗ
ОЗП
Онежец
ПАО "ТЗА"
ППС Детва
Промтрактор
ПТЗ
Раскат
СпецАгрегат
ТВЭКС
ТТМ
УВЗ
Угличмаш
УЗТМ
ХТЗ
ЧЗКМ
ЧСДМ
ЧТЗ
ЭКСКО
ЭКСМАШ
ЮрМаш
Модель
Не выбрано
33X-4Z
47X-5RZ
K56X-6RZ
PL2304 (2021)
QUY260CR-32Y
QY55V53232Z
RN (90-110 л.с.)
RS (2021)
RT-100 (2013)
RT-35 (2013)
RT-55 (2013)
RT-551 (4x4) (2013)
RT-75 (2013)
ZCC1100H (2014)
ZD160T(S,SH, CS)-3 (2012)
ZE205E (2013)
ZLJ5480JQZV3 (2013)
ZLJ5500V3 (2013)
ZLJ5550JQZV3.2 (2016)
ZT20J (2019)
ZT68J (2019)
Схема
>
Не выбрано
Remarks
RT35-2 ROUGH TERRAIN CRANE D00755700000020000Y
BASIC BOOM ASSY D00755708500000000Y
SUPPORT ASSY D00755708500400000Y
TELESCOPIC BOOM SECTION 1 ASSY D00755708600000000Y
PULLEY ASSY D00755908600400000Y
SUPPORT ASSY D00755708600400000Y
TELESCOPIC BOOM SECTION 2 ASSY D00755708700000000Y
CABLE GUIDE PULLEY D00755708700400000Y
GUIDE PULLEY ASSY D00755708700600000Y
SUPPORTING SEAT ASSY D00755708700800001Y
TELESCOPIC BOOM SECTION 3 ASSY D00755708800000000Y
PULLEY ASSY D00755708800400000Y
ROOSTER SHEAVE D00755701200000000Y
PULLEY ASSY D00755708800400000Y
MAIN BOOM ASSY D00755700100000000Y
ROPE GUIDE ASSY D00755700100600000Y
MAIN BOOM AND DERRICKING CYLINDER NSTALLATION OF RT35 ROUGH TERRAIN CRANE D00755704700400001Y
JIB D00755700200000002Y
ROLLER D00755900201000001Y
PULLEY ASSY. 1 D00755700201800000Y
PULLEY ASSY. D00755708800400000Y
ROLLER ASSY. D00755700202600000Y
JIB INSTALLATION D00755704700800000Y
TELESCOPING SYSTEM D00755701800000000Y
ROLLER ASSY. D00755701800200000
GUIDE PULLEY ASSY. D00755701800230000Y
DERRICKING CYLINDER D00755708400300000_6400Y
TELESCOPING CYLINDER D00755708400100000_6400Y
SECURING DEVICE FOR HOOK D00755914300000000Y
NAME PLATE (CHINESE ANS ENGLISH VERSIONS) D00755707020000000Y
NAME PLATE (ENGLISH VERSION) D00755707010000000Y
TRANSMISSION AND ENGINE INSTALLATION D00757701700000002Y
COOLING SYSTEM D00757701300000002Y
INTERCOOLING SYSTEM D00757700900000001Y
AIR INTAKE SYSTEM D00757701400000001Y
AIR FILTER D1000100162_30507Y
EXHAUST SYSTEM D00757701200000002Y
FUEL SUPPLY SYSTEM D00757701100000002Y
PREHEATING STARTER D00757700800000000Y
STEERING SYSTEM D00757703420000000Y
STEERING CYLINDER D00757708400900000_6400Y
STEERING SYSTEM D00757703400000000Y
STEERING CYLINDER D00757708420900000_6400Y
ENGINE HOUSING AND ITS INSTALLATION D00757705100000002Y
TOOLBOX INSTALLATION D00757709400000001Y
REAR SUSPENSION D00757703320000000Y
SUSPENSION CYLINDER D00757708401100000_6400Y
WHEEL AND RIM D00757703120000000Y
PROPELLER SHAFT ASSEMBLY D00757702220000000Y
CHASSIS FRAME ASSEMBLY D00757702820000000Y
TIRE HOUSING D00757705200000002Y
HORIZONTAL CYLINDER D00755708400500000_6400Y
VERTICAL CYLINDER D00755708400700000_6400Y
OUTRIGGER ASSEMBLY D00755700800000000Y
OUTRIGGER D00755701300000001Y
SCHEMATIC DIAGRAM - ELECTRICAL SYSTEM (Hirschmann) D00755706140000001Y
SCHEMATIC DIAGRAM - ELECTRICAL SYSTEM (Hirschmann) D00755706140000001Y
SCHEMATIC DIAGRAM - ELECTRICAL SYSTEM (Hirschmann) D00755706140000001Y
SCHEMATIC DIAGRAM - ELECTRICAL SYSTEM (Hirschmann) D00755706140000001Y
SCHEMATIC DIAGRAM - ELECTRICAL SYSTEM (Hirschmann) D00755706140000001Y
SCHEMATIC DIAGRAM - ELECTRICAL SYSTEM (Hirschmann) D00755706140000001Y
SCHEMATIC DIAGRAM - ELECTRICAL SYSTEM (Hirschmann) D00755706140000001Y
SCHEMATIC DIAGRAM - ELECTRICAL SYSTEM (Hirschmann) D00755706140000001Y
SCHEMATIC DIAGRAM - ELECTRICAL SYSTEM (Hirschmann) D00755706140000001Y
SCHEMATIC DIAGRAM - ELECTRICAL SYSTEM (Hirschmann) D00755706140000001Y
SCHEMATIC DIAGRAM - ELECTRICAL SYSTEM (Hirschmann) D00755706140000001Y
SCHEMATIC DIAGRAM - ELECTRICAL SYSTEM (Hirschmann) D00755706140000001Y
SCHEMATIC DIAGRAM - ELECTRICAL SYSTEM (Hirschmann) D00755706140000001Y
SCHEMATIC DIAGRAM - ELECTRICAL SYSTEM (Hirschmann) D00755706140000001Y
SCHEMATIC DIAGRAM - ELECTRICAL SYSTEM (Hirschmann) D00755706140000001Y
SCHEMATIC DIAGRAM - ELECTRICAL SYSTEM (Hirschmann) D00755706140000001Y
SCHEMATIC DIAGRAM - ELECTRICAL SYSTEM (Hirschmann) D00755706140000001Y
SCHEMATIC DIAGRAM - ELECTRICAL SYSTEM (Hirschmann) D00755706140000001Y
SCHEMATIC DIAGRAM - ELECTRICAL SYSTEM (Hirschmann) D00755706140000001Y
SCHEMATIC DIAGRAM - ELECTRICAL SYSTEM (Hirschmann) D00755706140000001Y
SCHEMATIC DIAGRAM - ELECTRICAL SYSTEM (Hirschmann) D00755706140000001Y
SCHEMATIC DIAGRAM - ELECTRICAL SYSTEM (Hirschmann) D00755706140000001Y
SCHEMATIC DIAGRAM - ELECTRICAL SYSTEM (Hirschmann) D00755706140000001Y
SCHEMATIC DIAGRAM - ELECTRICAL SYSTEM (Hirschmann) D00755706140000001Y
SCHEMATIC DIAGRAM - ELECTRICAL SYSTEM (Hirschmann) D00755706140000001Y
SCHEMATIC DIAGRAM - ELECTRICAL SYSTEM (Hirschmann) D00755706140000001Y
SCHEMATIC DIAGRAM - ELECTRICAL SYSTEM (Hirschmann) D00755706140000001Y
SCHEMATIC DIAGRAM - ELECTRICAL SYSTEM (Hirschmann) D00755706140000001Y
SCHEMATIC DIAGRAM - ELECTRICAL SYSTEM (Hirschmann) D00755706140000001Y
SCHEMATIC DIAGRAM - ELECTRICAL SYSTEM (Hirschmann) D00755706140000001Y
SCHEMATIC DIAGRAM - ELECTRICAL SYSTEM (Hirschmann) D00755706140000001Y
SCHEMATIC DIAGRAM - ELECTRICAL SYSTEM (Hirschmann) D00755706140000001Y
SCHEMATIC DIAGRAM - ELECTRICAL SYSTEM (Hirschmann) D00755706140000001Y
SCHEMATIC DIAGRAM - ELECTRICAL SYSTEM (Hirschmann) D00755706140000001Y
SCHEMATIC DIAGRAM - ELECTRICAL SYSTEM (Hirschmann) D00755706140000001Y
SCHEMATIC DIAGRAM - ELECTRICAL SYSTEM (Hirschmann) D00755706140000001Y
ELECTRICAL SYSTEM (Hirschmann)(OPERATOR’S CAB ELECTRICS) D00755706240000001Y
ELECTRICAL SYSTEM (Hirschmann)(SLEWING TABLE ELECTRICS) D00755706240000001Y
ELECTRICAL SYSTEM (Hirschmann)(BOOM ELECTRIC) D00755706240000001Y
ELECTRICAL SYSTEM (Hirschmann)(CHASSIS FRAME ELECTRICS 1) D00755706240000001Y
ELECTRICAL SYSTEM (Hirschmann)(CHASSIS FRAME ELECTRICS 2) D00755706240000001Y
ELECTRICAL SYSTEM (GREER) (OPERATOR'S CAB ELECTRICS) D00755706210000001Y
ELECTRICAL SYSTEM (GREER) (SLEWING TABLE ELECTRICS) D00755706210000001Y
ELECTRICAL SYSTEM (GREER) (BOOM ELECTRIC) D00755706210000001Y
ELECTRICAL SYSTEM (GREER) (CHASSIS FRAME ELECTRICS 1) D00755706210000001Y
ELECTRICAL SYSTEM (GREER) (CHASSIS FRAME ELECTRICS 2) D00755706210000001Y
PIPE LAYOUT - SUPERSTRUCTURE HYDRAULIC SYSTEM (HOIST MECHANISM) D00755701620000001Y
PIPE LAYOUT - SUPERSTRUCTURE HYDRAULIC SYSTEM (DERRICKING MECHANISM) D00755701620000001Y
PIPE LAYOUT - SUPERSTRUCTURE HYDRAULIC SYSTEM (TELESCOPING MECHANISM) D00755701620000001Y
PIPE LAYOUT - SUPERSTRUCTURE HYDRAULIC SYSTEM (SLEWING MECHANISM) D00755701620000001Y
PIPE LAYOUT - SUPERSTRUCTURE HYDRAULIC SYSTEM (AIR CONDITIONING) D00755701620000001Y
PIPE LAYOUT - SUPERSTRUCTURE HYDRAULIC SYSTEM (CENTRE REVOLVING JOINT) D00755701620000001Y
PIPE LAYOUT - SUPERSTRUCTURE HYDRAULIC SYSTEM (LEFT JOYSTICK CONTROL MODULE) D00755701620000001Y
PIPE LAYOUT - SUPERSTRUCTURE HYDRAULIC SYSTEM (RIGHT JOYSTICK CONTROL MODULE) D00755701620000001Y
PIPE LAYOUT - SUPERSTRUCTURE HYDRAULIC SYSTEM (MAIN VALVE) D00755701620000001Y
PIPE LAYOUT - SUPERSTRUCTURE HYDRAULIC SYSTEM (DRIVER'S CAB) D00755701620000001Y
TURNTABLE VALVE ELEMENT ASSEMBLED (SLEWING CUSHION VALVE INSTALLATION) D00755704810800001Y
TURNTABLE VALVE ELEMENT ASSEMBLED (SLEWING BRAKE VALVE INSTALLATION) D00755704810800001Y
TURNTABLE VALVE ELEMENT ASSEMBLED (SOLENOID CONTROL VALVE INSTALLATION) D00755704810800001Y
TURNTABLE VALVE ELEMENT ASSEMBLED (PIPE FILTER INSTALLATION) D00755704810800001Y
TURNTABLE VALVE ELEMENT ASSEMBLED (PILOT-OPERATED VALVE INSTALLATION) D00755704810800001Y
TURNTABLE VALVE ELEMENT ASSEMBLED (MAIN VALVE INSTALLATION) D00755704810800001Y
TURNTABLE VALVE ELEMENT ASSEMBLED(PRIORITY VALVE INSTALLATION) D00755704810800001Y
TURNTABLE VALVE ELEMENT ASSEMBLED(PILOT-OPERATED CONTROL VALVE INSTALLATION) D00755704810800001Y
TURNTABLE VALVE ELEMENT ASSEMBLED(A/C CONTROL VALVE INSTALLATION) D00755704810800001Y
CAB VALVE ELEMENT ASSEMBLED(JOYSTICK INSTALLATION) D00755914810800000Y
CAB VALVE ELEMENT ASSEMBLED( STEP INSTALLATION) D00755914810800000Y
SLEWING BRAKE VALVE D1010303988_6500Y
SLEWING CUSHION VALVE D1010300495_6500Y
SLEWING CUSHION VALVE (PILOT-OPERATED DIRECTIONAL CONTROL VALVE) D1010300495_6500Y
SLEWING CUSHION VALVE (DAMPER VALVE) D1010300495_6500Y
SLEWING CUSHION VALVE (RELIEF VALVE) D1010300495_6500Y
SLEWING CUSHION VALVE (CUSHION VALVE) D1010300495_6500Y
PIPE LAYOUT DRAWING, CHASSIS HYDRAULIC SYSTEM (HYDRAULIC RESERVOIR) D00755701720000001Y
PIPE LAYOUT DRAWING, CHASSIS HYDRAULIC SYSTEM (GEAR PUMP) D00755701720000001Y
PIPE LAYOUT DRAWING, CHASSIS HYDRAULIC SYSTEM (SUSPENSION CYLINDER) D00755701720000001Y
PIPE LAYOUT DRAWING, CHASSIS HYDRAULIC SYSTEM (STEERING CYLINDER) D00755701720000001Y
PIPE LAYOUT DRAWING, CHASSIS HYDRAULIC SYSTEM (BRAKE SYSTEM) D00755701720000001Y
PIPE LAYOUT DRAWING, CHASSIS HYDRAULIC SYSTEM (FRONT OUTRIGGER) D00755701720000001Y
PIPE LAYOUT DRAWING, CHASSIS HYDRAULIC SYSTEM (REAR OUTRIGGER) D00755701720000001Y
PIPE LAYOUT DRAWING, CHASSIS HYDRAULIC SYSTEM(2-WHEEL / 4-WHEEL DRIVE) D00755701720000001Y
CHASSIS FRAME VALVE ELEMENT ASSEMBLED (SLIDING BEAM, OUTRIGGER CONTROL VALVE) D00755704810600000Y
CHASSIS FRAME VALVE ELEMENT ASSEMBLED (SLIDING BEAM, FLUID FILLING VALVE) D00755704810600000Y
CHASSIS FRAME VALVE ELEMENT ASSEMBLED (SLIDING BEAM, BRAKE VALVE) D00755704810600000Y
CHASSIS FRAME VALVE ELEMENT ASSEMBLED (SLIDING BEAM, ACCUMULATOR) D00755704810600000Y
CHASSIS FRAME VALVE ELEMENT ASSEMBLED (SLIDING BEAM, HIGH-PRESSURE OIL FILTER) D00755704810600000Y
CHASSIS FRAME VALVE ELEMENT ASSEMBLED (SLIDING BEAM, RELIEF CONTROL VALVE BLOCK) D00755704810600000Y
CHASSIS FRAME VALVE ELEMENT ASSEMBLED (SLIDING BEAM, STEERING CONTROL VALVE BLOCK) D00755704810600000Y
CHASSIS FRAME VALVE ELEMENT ASSEMBLED (SLIDING BEAM ,2-WHEEL / 4-WHEEL DRIVE CHANGEOVER VALVE) D00755704810600000Y
CHASSIS FRAME VALVE ELEMENT ASSEMBLED (SLIDING BEAM, SOLENOID VALVE) D00755704810600000Y
OIL PUMP DRIVE DEVICE D00755703900000001Y
CENTRE REVOLVING JOINT INSTALLATION D00755704810200001Y
RELIEF CONTROL VALVE BLOCK D1010302066_102440Y
GEAR PUMP D1010000693_102328Y
2-WHEEL / 4-WHEEL DRIVE CHANGEOVER VALVE D1010302467_102440Y
SOLENOID VALVE D1010302063_102440Y
RADIATOR D1010400111_100026Y
CENTRE REVOLVING JOINT D1140109716_6500Y
HYDRAULIC OIL TANK D00755703000000001Y
HYDRAULIC OIL TANK INSTALLATION D00755704810400000Y
SCHEMATIC DIAGRAM - HYDRAULIC SYSTEM D00755701510000000Y
SLEWING MECHANISM ASSEMBLY D00755704400000000Y
REDUCER D1030200843_100014Y
SLEWING BEARING ASSEMBLY D00755704500000000Y
SWING LOCK DEVICE D00755705900000000Y
HOIST GEAR D00755703500000000Y
WINCH REDUCER D1030200814_100013Y
DRIVER'S CAB ASSEMBLY D00755705000000000Y
DRIVER'S CAB (WINDSHIELD) D1130000414_100037Y
DRIVER'S CAB (INSTRUMENT CONSOLE ARRANGEMENT) D1130000414_100037Y
DRIVER'S CAB(Front WINDSHILED WIPER SYSTEM) D1130000414_100037Y
DRIVER'S CAB (FOOT PEDAL) D1130000414_100037Y
DRIVER'S CAB (A/C) D1130000414_100037Y
DRIVER'S CAB (SEAT) D1130000414_100037Y
DRIVER'S CAB Interior (DECORATIVE PLATE AND GUARD BOARD) D1130000414_100037Y
DRIVER'S CAB Interior (DECORATIVE PLATE AND GUARD BOARD) D1130000414_100037Y
DRIVER'S CAB (ROOF WIPER SYSTEM AND FAN) D1130000414_100037Y
DRIVER'S CAB (ROOF WINDOW) D1130000414_100037Y
DRIVER'S CAB (DOOR ASSY) D1130000414_100037Y
AIR CONDITIONING D00631267600000000Y
SPECIAL A/C D1130100319_100026Y
CAB HEATER D00755907510000001Y
HEATER D1200300013_102208Y
COUNTERWEIGHT ASSEMBLY D00755704700600000Y
1
2
2
2
3
3
3
3
3
3
3
3
4
5
5
5
5
6
7
8
9
10
10
11
12
13
14
15
17
17
18
19
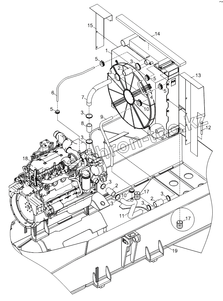
Позиция на иллюстрации
Заводской номер детали
Название детали
00757701300000002
00757701300000002
Cooling system
1
1010400137
Radiator assy
2
1140214518
Corrugated pipe
3
1990200787
Hoop
4
00757701300001051
Ventilation pipe
5
1990200518
Worm clamp
6
00757701300001061
Ventilation pipe
7
00757701300001011
Water outlet pipe A
8
00758111300001040
Hose 1
9
00757701300001021
Water pipe
10
1990200774
Hoop
11
00757701300001033
Water inlet pipe
12
1040000126
Bolt
13
00757701300400000
Air baffle II
14
00757701300001070
Heat-insulating sponge
15
00757701300200000
Air baffle I
16
1009900454
Engine coolant
17
Watertankshockpad
Water tank shock pad
18
Engine
Engine
19
Chassisframe
Chassis frame assembly
Содержащиеся в справочниках-каталогах запасные части и детали не предлагаются к продаже, а носят исключительно информационный характер
Дополнительная информация
×
Название:
Номер:
Примечание: