Вернуться на главную
Поиск
Каталоги запчастей к технике
Спецтехника
Zoomlion
RT-100
REAR SUSPENSION
Каталог запасных частей к технике: Zoomlion RT-100. REAR SUSPENSION
zoom-in
zoom-out
enlarge
shrink
circle-right
circle-left
file-text2
info
cart
Тип техники
Не выбрано
Легковые автомобили
Грузовые автомобили и прицепы
Автобусы
Сельхозтехника
Спецтехника
Двигатели
Мототехника
Марка
Не выбрано
Ammann
BOMAG
CARMIX
CASE IH
Changlin
ChengGong
Dimex
Doosan
DYNAPAC
Foton
HAMM
Hidromek
Hitachi
Hyundai
JCB
JLG
John Deere
Komatsu
LIEBHERR
LiuGong
Lonking (LongGong)
Luneng
MANITOU
Mitsuber
New Holland
PENGPU
RM-Terex
SANY
SDLG
SEM
Shantui
Shehwa HBXG
Soosan
TIGARBO
VOGELE
Volvo
WAY
WIRTGEN
XCMG
XGMA
Xiamen
YTO
Yuchai
Zoomlion
Автокран
АЗСМ
Алтайлесмаш
Амкодор
АОМЗ
Атек
АТЗ
Балканкар Рекорд
БелАЗ
Беловеж
Борекс
Брянский Арсенал
Булат
ВЭКС
ГАЗ
Геомаш
Гидромаш
Донекс
Дормаш
Дормашина
Дорэлектромаш
ДЭЗ
ЕлАЗ
ЗЗГТ
Ижнефтемаш
Канаш-электрокар
КЗКТ
ККЗ
Клевер
Клинцовский автокрановый завод
КМЗ
КМЗ 1 Мая
Ковровец
Коммаш
Кранэкс
КЭЗ
КЭМЗ
ЛЗА
МАЗ
МЗИК
МЗКМ
МЗКТ
Михневский РМЗ
МоАЗ
Мозырский МЗ
МТЗ
ОЗП
Онежец
ПАО "ТЗА"
ППС Детва
Промтрактор
ПТЗ
Раскат
СпецАгрегат
ТВЭКС
ТТМ
УВЗ
Угличмаш
УЗТМ
ХТЗ
ЧЗКМ
ЧСДМ
ЧТЗ
ЭКСКО
ЭКСМАШ
ЮрМаш
Модель
Не выбрано
33X-4Z
47X-5RZ
K56X-6RZ
PL2304 (2021)
QUY260CR-32Y
QY55V53232Z
RN (90-110 л.с.)
RS (2021)
RT-100 (2013)
RT-35 (2013)
RT-55 (2013)
RT-551 (4x4) (2013)
RT-75 (2013)
ZCC1100H (2014)
ZD160T(S,SH, CS)-3 (2012)
ZE205E (2013)
ZLJ5480JQZV3 (2013)
ZLJ5500V3 (2013)
ZLJ5550JQZV3.2 (2016)
ZT20J (2019)
ZT68J (2019)
Схема
>
Не выбрано
Remarks
RT551 ROUGH TERRAIN CRANE
BASIC BOOM ASSY
TELESCOPIC BOOM SECTION 1 ASSY
TELESCOPIC BOOM SECTION 2 ASSY
PULLEY ASSY
TELESCOPIC BOOM SECTION 3 ASSY
PULLEY ASSY
TELESCOPIC BOOM SECTION 4 ASSY
PULLEY ASSY
ROOSTER SHEAVE
PULLEY ASSY
ROOSTER SHEAVE INSTALLATION
MAIN BOOM ASSY
ROPE GUIDE ASSY
MAIN BOOM INSTALLATION
JIB
PULLEY ASSY
PULLEY ASSY
JIB INSTALLATION
TELESCOPING MECHANISM
GUIDE SEAT
ROLLER HEAD ASSY
WIRE ROPE SUPPORT
TELESCOPING CYLINDER I
TELESCOPING CYLINDER II
DERRICKING CYLINDER INSTALLATION
DERRICKING CYLINDER
SECURING DEVICE FOR HOOK
NAME PLATE (CHINESE AND ENGLISH VERSIONS)
NAME PLATE (ENGLISH VERSION)
ENGINE AND TRANSMISSION INSTALLATION
PTO OPERATING VALVE SYSTEM
ENGINE AND ATATCHMENTS WELDED
AIR FILTER
ENGINE HOUSING AND ITS INSTALLATION
FUEL SUPPLY SYSTEM
PROPELLER SHAFT ASSEMBLY
FRONT SUSPENSION
MAIN REDUCER ASSY. EXPLODED VIEWI
MAIN REDUCER ASSY. EXPLODED VIEW II
BRAKE ASSY. EXPLODED VIEW
AXLE HOUSING ASSY. EXPLODED VIEW
HUB REDUCER ASSY. EXPLODED VIEW I
HUB REDUCER ASSY. EXPLODED VIEW II
REAR SUSPENSION
SUSPENSION CYLINDER
CARRTER ASSY
BRAKE ASSY
AXLE SHELL ASSY
HOUSING ASSY 1
HOUSING ASSY 2
WHEEL AND RIM
STEERING SYSTEM
STEERING CYLINDER
TOOLBOX AND PLATFORM
TOOLBOX
MUDGUARD AND STAIR INSTALLATION
OUTRIGGER AND ITS CYLINDER INSTALLATION
HORIZONTAL CYLINDER
VERTICAL CYLINDER
OUTRIGGER
SCHEMATIC DIAGRAM
SCHEMATIC DIAGRAM
SCHEMATIC DIAGRAM
SCHEMATIC DIAGRAM
SCHEMATIC DIAGRAM
SCHEMATIC DIAGRAM
SCHEMATIC DIAGRAM
SCHEMATIC DIAGRAM
SCHEMATIC DIAGRAM
SCHEMATIC DIAGRAM
SCHEMATIC DIAGRAM
SCHEMATIC DIAGRAM
SCHEMATIC DIAGRAM
SCHEMATIC DIAGRAM
SCHEMATIC DIAGRAM
SCHEMATIC DIAGRAM
SCHEMATIC DIAGRAM
SCHEMATIC DIAGRAM
SCHEMATIC DIAGRAM
SCHEMATIC DIAGRAM
SCHEMATIC DIAGRAM
SCHEMATIC DIAGRAM
SCHEMATIC DIAGRAM
SCHEMATIC DIAGRAM
SCHEMATIC DIAGRAM
SCHEMATIC DIAGRAM
SCHEMATIC DIAGRAM
SCHEMATIC DIAGRAM
SCHEMATIC DIAGRAM
SCHEMATIC DIAGRAM
SCHEMATIC DIAGRAM
SCHEMATIC DIAGRAM
SCHEMATIC DIAGRAM
SCHEMATIC DIAGRAM
SCHEMATIC DIAGRAM
SCHEMATIC DIAGRAM
OPERATOR’S CAB ELECTRICS
SLEWING TABLE ELECTRICS
BOOM ELECTRICS
CHASSIS FRAME ELECTRICS 1
CHASSIS FRAME ELECTRICS 2
CENTRE REVOLVING JOINT INSTALLATION
CENTRE REVOLVING JOINT
HYDRAULIC OIL TANK INSTALLATION
HYDRAULIC OIL TANK
RADIATOR
OIL PUMP DRIVE DEVICE
OUTRIGGER CONTROL VALVE BLOCK INSTALLATION
FLUID FILLING VALVE INSTALLATION
BRAKE VALVE ASSY INSTALLATION
ACCUMULATOR INSTALLATION
HIGH-PRESSURE OIL FILTER INSTALLATION
RELIEF CONTROL VALVE BLOCK INSTALLATION
STEERING CONTROL VALVE BLOCK INSTALLATION
2-WHEEL / 4-WHEEL DRIVE CHANGEOVER VALVE INSTALLATION
LOCKING SOLENOID VALVE INSTALLATION
RELIEF CONTROL VALVE BLOCK
STEERING CONTROL VALVE BLOCK
OUTRIGGER CONTROL VALVE BLOCK
2-WHEEL / 4-WHEEL DRIVE CHANGEOVER VALVE
LOCKING SOLENOID VALVE
OUTRIGGER HYDRAULIC LOCK INSTALLATION
SLEWING CUSHION VALVE INSTALLATION
SLEWING BRAKE VALVE INSTALLATION
SOLENOID CONTROL VALVE INSTALLATION
PIPE FILTER INSTALLATION
PILOT-OPERATED CONTROL VALVE BLOCK INSTALLATION
TELESCOPING DERRICKING VALVE INSTALLATION
ELECTRO-HYDRAULIC DIRECTIONAL CONTROL VALVE INSTALLATION
WINCH VALVE INSTALLATION
PRIORITY VALVE INSTALLATION
SOLENOID VALVE BLOCK INSTLLATION
PILOT-OPERATED VALVE INSTLLATION
SLEWING CUSHION VALVE
PILOT-OPERATED DIRECTIONAL CONTROL VALVE
RELIEF VALVE
DAMPER VALVE
CUSHION VALVE
CHECK VALVE
SLEWING BRAKE VALVE
SOLENOID CONTROL VALVE
PILOT-OPERATED VALVE
PILOT-OPERATED CONTROL VALVE BLOCK
SOLENOID VALVE BLOCK
ELECTRO-HYDRAULIC DIRECTIONAL CONTROL VALVE
ELECTRO-HYDRAULIC DIRECTIONAL CONTROL VALVE (BASE PLATE )
ELECTRO-HYDRAULIC DIRECTIONAL CONTROL VALVE (MAKEUP VALVE)
ELECTRO-HYDRAULIC DIRECTIONAL CONTROL VALVE (BACK PRESSURE VALVE)
TELESCOPING BALANCE VALVE INSTALLATION
DERRICKING BALANCE VALVE INSTALLATION
HOISTING BALANCE VALVE INSTALLATION
COUNTERWEIGHT BALANCE VALVE INSTALLATION
PILOT-OPERATED CONTROL JOYS INSTALLATION
FOOT-OPERATED INSTALLATION
SCHEMATIC DIAGRAM-HYDRAULIC SYSTEM
SLEWING MECHANISM
SWING REDUCER
SWING BEARING INSTALLATION
SWING LOCKING DEVICE
SWING LOCKOUT CYLINDER
MAIN WINCH
AUXILIARY WINCH
DRIVER'S CAB ASSEMBLY
WINDSHIELD
INSTRUMENT CONSOLE ARRANGEMENT
Front WINDSHILED WIPER SYSTEM
FOOT PEDAL
DRIVER'S CAB (A/C)
SEAT
DRIVER'S CAB ASSY
GUARD BOARD AND INTERIOR DECORATIVE PLATE
ROOF WIPER SYSTEM AND FAN
ROOF WINDOW
DOOR ASSY
AIR CONDITIONING
SPECIAL A/C
CAB HEATER
HEATER
COUNTERWEIGHT HANDLER
LIFTING CYLINDER
ROPE GUARD BRACKET INSTALLATION
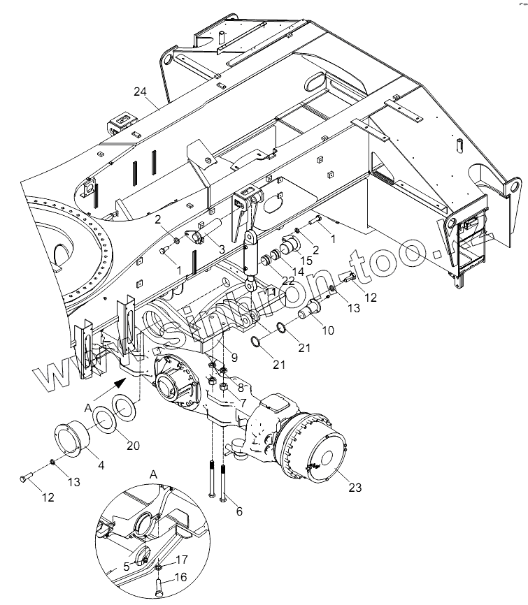
1
1
2
2
3
4
5
6
7
8
9
10
11
12
12
13
13
14
15
16
17
20
21
21
22
23
24
Позиция на иллюстрации
Заводской номер детали
Название детали
00758303300000000
00758303300000000
Rear suspension
1
1040000267
Bolt
2
1040300066
Washer
3
00758303300400000
Pin 1, suspension cylinder
4
00758303300600000
Pin, hollow shaft
5
1080000007
Oil cup
6
00758302900001010
Bolt
7
1040201013
Nut
8
1040200292
Nut
9
00758303300800000
Oscillation bracket
10
00758303301000000
Pin 2, suspension cylinder
11
00758308401100000
Suspension cylinder
12
1040000198
Bolt
13
1040300052
Washer
14
1050100065
Automatic lubricating bearing
15
00758303301200000
Pin
16
1040000281
Bolt
17
1040300049
Seal ring
18
202230006
Loctite glue
19
1089900245
Gear oil
20
00758303300001020
Thrust pad
21
00758303300001030
Thrust pad
22
1050100059
Automatic lubricating bearing
23
Rearaxle
Rear steer and drive axle
24
Chassisframe
Chassis frame assembly
Содержащиеся в справочниках-каталогах запасные части и детали не предлагаются к продаже, а носят исключительно информационный характер
Дополнительная информация
×
Название:
Номер:
Примечание: