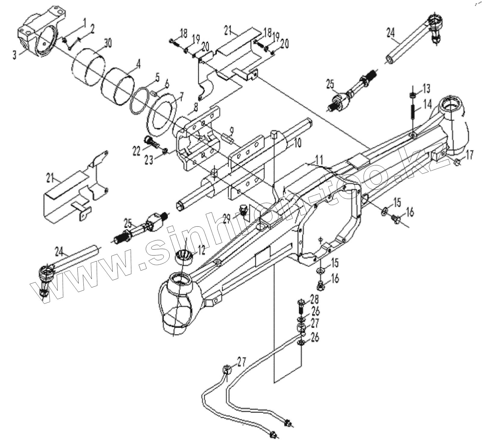
Каталог запасных частей к технике: Zoomlion RS. 1030101041 Передний мост в сборе (1)
1
2
3
4
5
6
7
8
9
10
11
12
13
14
15
15
16
16
17
18
18
19
19
20
20
20
20
21
21
21
21
22
23
24
24
25
25
26
26
27
27
28
29
30
| Позиция на иллюстрации | Заводской номер детали | Название детали | |
|---|---|---|---|
| 1 | Оболочка масленки | Оболочка масленки | |
| 2 | Маслёнка | Маслёнка | |
| 3 | Передняя опора колебательного вала | Передняя опора колебательного вала | |
| 4 | Втулка передней опоры колебательного вала | Втулка передней опоры колебательного вала | |
| 5 | О-образное кольцо | О-образное кольцо | |
| 6 | Штифт | Штифт | |
| 7 | Прокладка | Прокладка | |
| 8 | Передний напорный вал | Передний напорный вал | |
| 9 | Штифт | Штифт | |
| 10 | Гидроцилиндр рулевого управления | Гидроцилиндр рулевого управления | |
| 11 | Передний картер моста | Передний картер моста | |
| 12 | Внешнее кольцо радиально-упорного откидного подшипника | Внешнее кольцо радиально-упорного откидного подшипника | |
| 13 | Шлицевый крепежный винт | Шлицевый крепежный винт | |
| 14 | Гайка | Гайка | |
| 15 | Комбинированная уплотнительная шайба | Комбинированная уплотнительная шайба | |
| 16 | Пробка | Пробка | |
| 17 | Резиновая заглушка для отверстия под штифт опоры дифференциала | Резиновая заглушка для отверстия под штифт опоры дифференциала | |
| 18 | Болт | Болт | |
| 19 | Шайба | Шайба | |
| 20 | Шайба | Шайба | |
| 20 | Сварка левого защитного кожуха гидроцилиндра | Сварка левого защитного кожуха гидроцилиндра | |
| 21 | Сварка правого защитного кожуха гидроцилиндра | Сварка правого защитного кожуха гидроцилиндра | |
| 21 | Винт | Винт | |
| 22 | Шайба | Шайба | |
| 23 | Рулевая тяга в сборе | Рулевая тяга в сборе | |
| 24 | Шаровое соединение цилиндра в сборе | Шаровое соединение цилиндра в сборе | |
| 25 | Шайба | Шайба | |
| 26 | Правый маслопровод цилиндра в сборе | Правый маслопровод цилиндра в сборе | |
| 27 | Левый маслопровод цилиндра в сборе | Левый маслопровод цилиндра в сборе | |
| 28 | Пустотелый болт | Пустотелый болт | |
| 29 | Выпускной клапан | Выпускной клапан | |
| 30 | Рубашка | Рубашка |
Содержащиеся в справочниках-каталогах запасные части и детали не предлагаются к продаже, а носят исключительно информационный характер