Вернуться на главную
Поиск
Каталоги запчастей к технике
Спецтехника
Zoomlion
PL2304
015723084LC140000 Installation of heat shield
Каталог запасных частей к технике: Zoomlion PL2304. 015723084LC140000 Installation of heat shield
zoom-in
zoom-out
enlarge
shrink
circle-right
circle-left
file-text2
info
cart
Тип техники
Не выбрано
Легковые автомобили
Грузовые автомобили и прицепы
Автобусы
Сельхозтехника
Спецтехника
Двигатели
Мототехника
Марка
Не выбрано
Ammann
BOMAG
CARMIX
CASE IH
Changlin
ChengGong
Dimex
Doosan
DYNAPAC
Foton
HAMM
Hidromek
Hitachi
Hyundai
JCB
JLG
John Deere
Komatsu
LIEBHERR
LiuGong
Lonking (LongGong)
Luneng
MANITOU
Mitsuber
New Holland
PENGPU
RM-Terex
SANY
SDLG
SEM
Shantui
Shehwa HBXG
Soosan
TIGARBO
VOGELE
Volvo
WAY
WIRTGEN
XCMG
XGMA
Xiamen
YTO
Yuchai
Zoomlion
Автокран
АЗСМ
Алтайлесмаш
Амкодор
АОМЗ
Атек
АТЗ
Балканкар Рекорд
БелАЗ
Беловеж
Борекс
Брянский Арсенал
Булат
ВЭКС
ГАЗ
Геомаш
Гидромаш
Донекс
Дормаш
Дормашина
Дорэлектромаш
ДЭЗ
ЕлАЗ
ЗЗГТ
Ижнефтемаш
Канаш-электрокар
КЗКТ
ККЗ
Клевер
Клинцовский автокрановый завод
КМЗ
КМЗ 1 Мая
Ковровец
Коммаш
Кранэкс
КЭЗ
КЭМЗ
ЛЗА
МАЗ
МЗИК
МЗКМ
МЗКТ
Михневский РМЗ
МоАЗ
Мозырский МЗ
МТЗ
ОЗП
Онежец
ПАО "ТЗА"
ППС Детва
Промтрактор
ПТЗ
Раскат
СпецАгрегат
ТВЭКС
ТТМ
УВЗ
Угличмаш
УЗТМ
ХТЗ
ЧЗКМ
ЧСДМ
ЧТЗ
ЭКСКО
ЭКСМАШ
ЮрМаш
Модель
Не выбрано
33X-4Z
47X-5RZ
K56X-6RZ
PL2304 (2021)
QUY260CR-32Y
QY55V53232Z
RN (90-110 л.с.)
RS (2021)
RT-100 (2013)
RT-35 (2013)
RT-55 (2013)
RT-551 (4x4) (2013)
RT-75 (2013)
ZCC1100H (2014)
ZD160T(S,SH, CS)-3 (2012)
ZE205E (2013)
ZLJ5480JQZV3 (2013)
ZLJ5500V3 (2013)
ZLJ5550JQZV3.2 (2016)
ZT20J (2019)
ZT68J (2019)
Схема
>
Не выбрано
015723000LB000001 PL2304 Tractor
015723045LB000000 Cab assembly
015723045LB000000 Cab assembly
01572100600800000 Seat assembly
01572100601300000 Powertrain accessories assembly
01572100600500001 Rear fenders assembly
01572100601430000 Air conditioner canal assembly
01572100601420000 HVAC assembly
01572100600300000 Door assembly
01572104900000001 Cab assembly
015723011LB000000 Engine mounting
015723050LB000000 Fuel supply system
015723022LB000000 Exhaust system
015723026LB000000 Coolling system
015723025LB000000 Air intake system
015723081LB000000 Air conditioning system
015723081LB000000 Air conditioning system
015723081LB000000 Air conditioning system
015723037LC000000 Transmission assembly and control
015723037LC040000 Housing assembly
015723037LB020000 Transmission shift mechanism
01572101700300000 Crawling gear shifting mechanism
015723036LC000000 Shaft assembly
015723031LC000000 Steering drive axle assembly
015723032LC000006 Front Wheel assembly
015724034EA000000 Rear Wheel assembly
015723032LC000005 Front Wheel assembly
015723034LC000007 Rear Wheel assembly
015723032LC000000 Front Wheel assembly
015723034LC000006 Rear wheel assembly
01572103600000001 Parking brake system
01572105300100000 Front weight assembly
015723030LC000000 Front axle support assembly
01572103200100002 Rear three point hitch assembly
1039904111 Rear three piont hitch
01572105000000000 Drawbar assembly
1039904138 Drawbar
015723047LB000000 Engine hood assembly
015723047LB060000 Engine hood accessories Drawbar assembly
01572105100600001 Hinge
01572105600000000 Front fender assembly
01572105600000000 Front fender assembly
01572105600100000 Right mounting bracket
01572105600700000 Left mounting bracket
01572109400000000 Tool box assembly
01572107101000001 Foot step assembly LH
01572107102000001 Foot step assembly RH
015723084LB140000 Pipeline holder assembly LH
015723084LB120000 Pipeline holder assembly RH
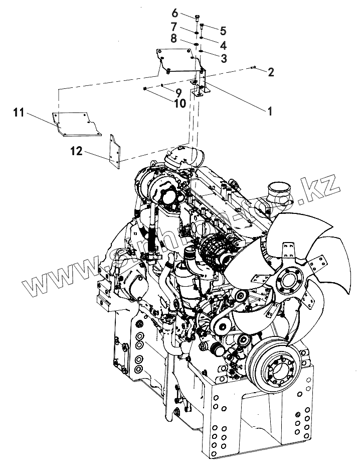
015723084LC140000 Installation of heat shield
01572104700300012 Rear integrated support installation
015723084LC080000 Installation of power switch bracket
01572104700100001 Multi way valve support installation
015723084LB040000 Engine accessories bracket assembly
015723084LC100000 Installation of eletrical component support
015723084LC120000 Electrical wiring harness bracket
015723084LC040000 Installation of return oil filter support
015723084LB060000 Windshield assembly
01572104700400001 Installation of oil suction pipe fixing bracket
Gear pump assembly
Variable pump assembly
1010201292 Twin tandem booster assembly
1010201293 Lift cylinder assembly
1019901911 Steering gear assembly
1010306956 Priority valve assembly
1010304826 Main valve assembly
1010601370 Oil return filter assembly
015723058LC000000_01 Housing accessories assembly
015723058LC000000_02 Pipe layout - Oil suction hydraulic system
015723058LC000000_03 Braking Pipeline
015723058LC000000_04 Pipe layout - steering hydraulic system
015723058LC000000_05 Rear Hitch & Remote Output Pipeline
015723058LC000000_06 Oil-return & radiating line diagram
015723048LB000000 Cab electrical component assembly
015723048LB000000 Cab electrical component assembly
01572106300506001 Chassis electrical component assembly
01572109300000001 Battery box assembly
015721086LB000000 Vehicle spare parts
1
2
3
4
5
6
7
8
9
10
11
12
Позиция на иллюстрации
Заводской номер детали
Название детали
1
015723084LC141000
Weldig of heat shield
2
1040001372
Bolt M6x18-8.8
3
1040300066
Washer
4
1040300063
Washer
5
1040003196
Bolt M8x18-8.8
6
1040000116
Bolt
7
1040300067
Washer
8
1040300533
Washer
9
1040300051
Washer
10
1040200378
Nut M6-5 GB/T41-2000
11
015723084LC140002
Insulation layer
12
015723084LC140001
Insulation layer
Содержащиеся в справочниках-каталогах запасные части и детали не предлагаются к продаже, а носят исключительно информационный характер
Дополнительная информация
×
Название:
Номер:
Примечание: