Каталог запасных частей к технике: Zoomlion PL2304. 015723045LB000000 Cab assembly
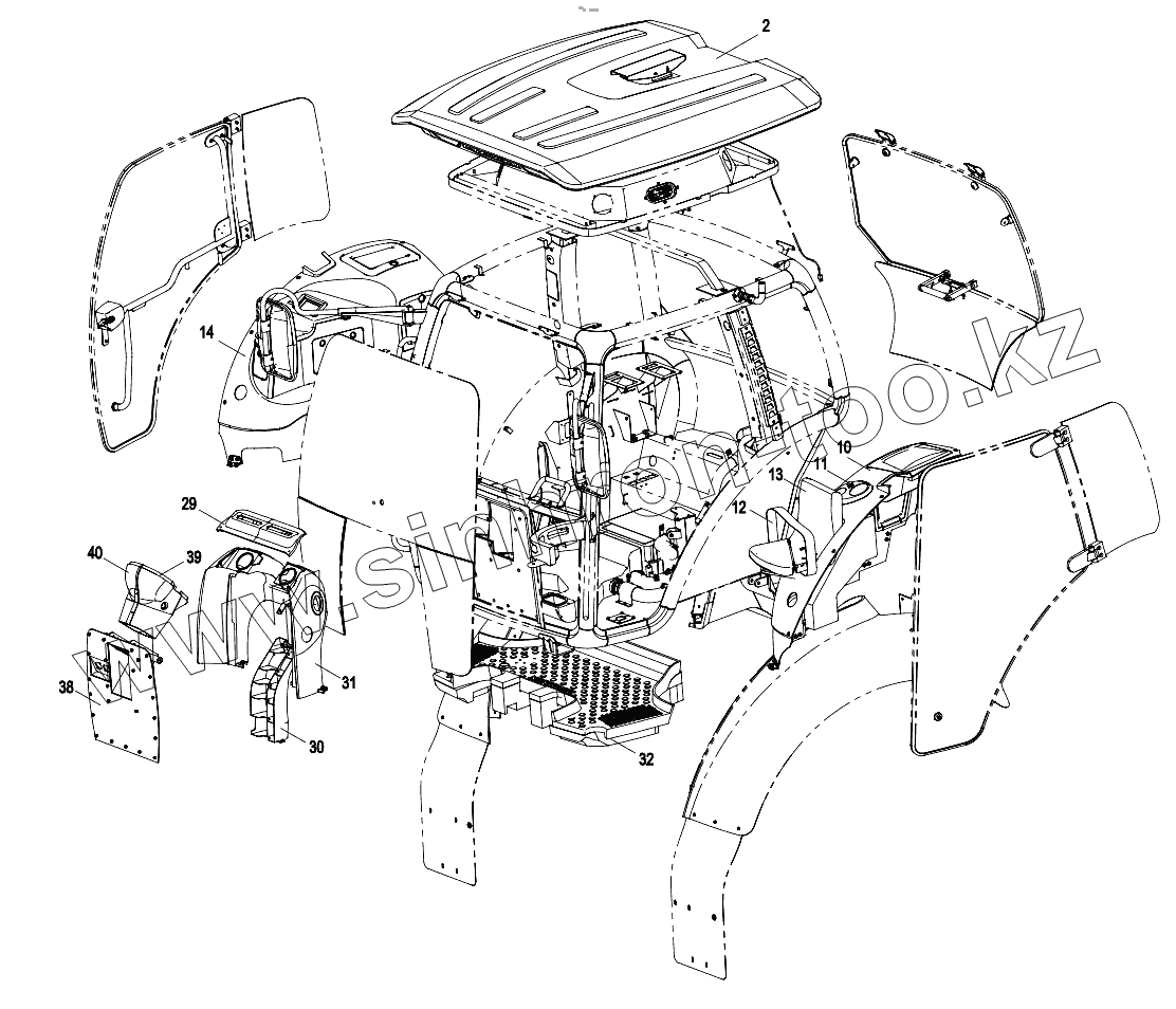
2
10
11
12
13
14
29
30
31
32
38
39
40
| Позиция на иллюстрации | Заводской номер детали | Название детали | |
|---|---|---|---|
| 1 | 015723045LB080000 | Cab frame welding assembly | |
| 2 | 015723045LB060000 | Outer foof assembly | |
| 3 | 01572100600910000 | Left louver assembly | |
| 4 | 01572100600920000 | Right louver assembly | |
| 5 | 1139901070 | Inner rear-view mirror | |
| 6 | 1139901071 | Clothes and hat rack | |
| 7 | 01572100600941000 | Handrail | |
| 8 | 01572100600960000 | Sound insulation and vibration absorption assembly | |
| 9 | 01572100600970000 | Warning lamp bracket | |
| 10 | 01572100600611000 | Left cover | |
| 11 | 1139901126 | Cigar lighter | |
| 12 | 1139901077 | Safe belt | |
| 13 | 1139901075 | Passenger's seat | |
| 14 | 01572100600621000 | Right cover | |
| 15 | 01572100600630010 | A-pillar cover,LH,Up | |
| 16 | 01572100600630021 | A-pillar cover,LH, Middle | |
| 17 | 01572100600630030 | A-pillar cover,LH,Down | |
| 18 | 01572100600630040 | Front beam cover | |
| 19 | 01572100600630050 | A-pillar cover,RH,Up | |
| 20 | 01572100600630061 | A-pillar cover,RH,Middle | |
| 21 | 01572100600630070 | A-pillar cover,RH,Down | |
| 22 | 01572100600630080 | B-pillar cover, Right | |
| 23 | 01572100600630090 | B-pillar cover, Left | |
| 24 | 01572100600640010 | Cab inner roof | |
| 25 | 01572100600640020 | CD player mounting | |
| 26 | 01572100600640030 | AC control pannel assembly | |
| 27 | 1139901078 | Front visor curtain | |
| 28 | 1139901079 | Rear visor curtain | |
| 29 | 01572100600660021 | Front steering collumn cover II | |
| 30 | 01572100600660090 | Front steering collumn cover III | |
| 31 | 01572100600660011 | Front steering collumn cover I | |
| 32 | 01572100600600010 | Cushion | |
| 33 | 01572100601110000 | Outer rear-view mirror installation,LH | |
| 34 | 01572100601120000 | Outer rear-view mirror installation,RH | |
| 35 | 1139901068 | outer rear-view mirror | |
| 36 | 01572100601140001 | Left waist light bracket | |
| 37 | 01572100601130001 | Right waist light bracket | |
| 38 | 01572100600710000 | Mounting plate | |
| 39 | 01572100600720010 | Left steering cover | |
| 40 | 01572100600720020 | Right steering cover |
Содержащиеся в справочниках-каталогах запасные части и детали не предлагаются к продаже, а носят исключительно информационный характер