Каталог запасных частей к технике: Zoomlion K56X-6RZ. Hydraulic schematic of pumping system 001621217A0000000
1
2
3
3
4
5
5
6
7
8
9
9
10
11
12
13
13
14
15
16
17
18
19
20
20
21
22
23
23
24
25
26
26
27
27
27
27
28
29
29
29
29
29
30
31
32
32
33
33
33
33
34
35
36
36
36
36
37
38
39
40
41
42
43
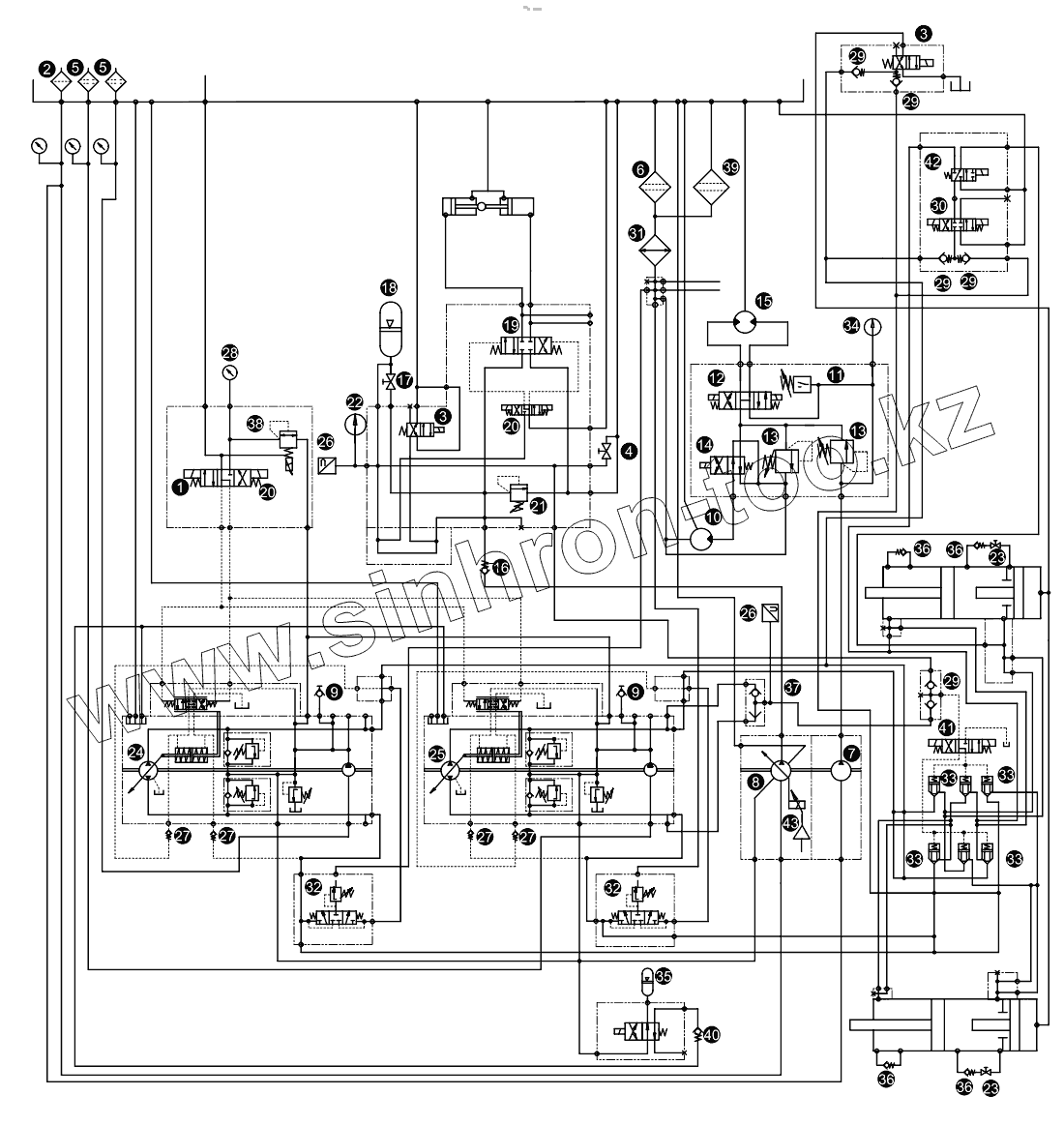
| Позиция на иллюстрации | Заводской номер детали | Название детали | |
|---|---|---|---|
| 1 | 1029900008 | Wire plug | |
| 2 | 1010600435 | Oil suction filter | |
| 3 | 1010300566 | Solenoid reversal valve | |
| 4 | 1010300658 | Dual-channel ball valve | |
| 5 | 1010600443 | Oil suction filter | |
| 6 | 1010600052 | Oil return filter | |
| 7 | 1010000085 | Gear pump | |
| 8 | 1010000358 | Constant pressure valve | |
| 9 | 1019900048 | Pressure detecting joint | |
| 10 | 1010100065 | Washing motor | |
| 11 | 1019900049 | Pressure switch | |
| 12 | 1010301230 | Solenoid reversal valve | |
| 13 | 1010300569 | Additional overflow valve | |
| 14 | 1010300527 | Solenoid reversal valve | |
| 15 | 1010100059 | Mixing motor | |
| 16 | 1010300542 | Check valve | |
| 17 | 1010300578 | Ball valve | |
| 18 | 1010800017 | Accumulator | |
| 19 | 1010302072 | Hydraulic reversal valve | |
| 20 | 1010300526 | Solenoid reversal valve | |
| 21 | 1010300522 | Overflow valve | |
| 22 | 1019900047 | Manometer | |
| 23 | 1010300541 | Ball valve | |
| 24 | 1010000088 | Piston pump | |
| 25 | 1010000120 | Piston pump | |
| 26 | 1021400066 | Pressure sensor | |
| 27 | 1010301554 | Check valve | |
| 28 | 1019900050 | Manometer | |
| 29 | 1010300557 | Check valve | |
| 30 | 1010300555 | Solenoid reversal valve | |
| 31 | 1010400029 | Cooler | |
| 32 | 1010300530 | Flush valve | |
| 33 | 1010300580 | Inserted valve core | |
| 34 | 1021400068 | Manometer | |
| 35 | 1010800027 | Accumulator | |
| 36 | 1010300577 | Check valve | |
| 37 | 1010300529 | Shuttle valve | |
| 38 | 1010300581 | Solenoid proportional reducing valve | |
| 39 | 1060200000 | Water suction filter | |
| 40 | 1010301532 | Check valve | |
| 41 | 1010300711 | Solenoid reversal valve | |
| 42 | 1010300705 | Solenoid reversal valve | |
| 43 | 1020700939 | Wire plug |
Содержащиеся в справочниках-каталогах запасные части и детали не предлагаются к продаже, а носят исключительно информационный характер