Вернуться на главную
Поиск
Каталоги запчастей к технике
Спецтехника
Zoomlion
K56X-6RZ
Hydraulic schematic of base structure 001620458A0000000
Каталог запасных частей к технике: Zoomlion K56X-6RZ. Hydraulic schematic of base structure 001620458A0000000
zoom-in
zoom-out
enlarge
shrink
circle-right
circle-left
file-text2
info
cart
Тип техники
Не выбрано
Легковые автомобили
Грузовые автомобили и прицепы
Автобусы
Сельхозтехника
Спецтехника
Двигатели
Мототехника
Марка
Не выбрано
Ammann
BOMAG
CARMIX
CASE IH
Changlin
ChengGong
Dimex
Doosan
DYNAPAC
Foton
HAMM
Hidromek
Hitachi
Hyundai
JCB
JLG
John Deere
Komatsu
LIEBHERR
LiuGong
Lonking (LongGong)
Luneng
MANITOU
Mitsuber
New Holland
PENGPU
RM-Terex
SANY
SDLG
SEM
Shantui
Shehwa HBXG
Soosan
TIGARBO
VOGELE
Volvo
WAY
WIRTGEN
XCMG
XGMA
Xiamen
YTO
Yuchai
Zoomlion
Автокран
АЗСМ
Алтайлесмаш
Амкодор
АОМЗ
Атек
АТЗ
Балканкар Рекорд
БелАЗ
Беловеж
Борекс
Брянский Арсенал
Булат
ВЭКС
ГАЗ
Геомаш
Гидромаш
Донекс
Дормаш
Дормашина
Дорэлектромаш
ДЭЗ
ЕлАЗ
ЗЗГТ
Ижнефтемаш
Канаш-электрокар
КЗКТ
ККЗ
Клевер
Клинцовский автокрановый завод
КМЗ
КМЗ 1 Мая
Ковровец
Коммаш
Кранэкс
КЭЗ
КЭМЗ
ЛЗА
МАЗ
МЗИК
МЗКМ
МЗКТ
Михневский РМЗ
МоАЗ
Мозырский МЗ
МТЗ
ОЗП
Онежец
ПАО "ТЗА"
ППС Детва
Промтрактор
ПТЗ
Раскат
СпецАгрегат
ТВЭКС
ТТМ
УВЗ
Угличмаш
УЗТМ
ХТЗ
ЧЗКМ
ЧСДМ
ЧТЗ
ЭКСКО
ЭКСМАШ
ЮрМаш
Модель
Не выбрано
33X-4Z
47X-5RZ
K56X-6RZ
PL2304 (2021)
QUY260CR-32Y
QY55V53232Z
RN (90-110 л.с.)
RS (2021)
RT-100 (2013)
RT-35 (2013)
RT-55 (2013)
RT-551 (4x4) (2013)
RT-75 (2013)
ZCC1100H (2014)
ZD160T(S,SH, CS)-3 (2012)
ZE205E (2013)
ZLJ5480JQZV3 (2013)
ZLJ5500V3 (2013)
ZLJ5550JQZV3.2 (2016)
ZT20J (2019)
ZT68J (2019)
Схема
>
Не выбрано
Boom assembly 001621206A0000000
Swivel table 001621206A1000000
1st boom section 001621206A0100000
2nd boom section 001621206A0200000
3rd boom section 001621206A0300000
4th boom section 001621206D0400000
5th boom section 001621206D0500000
6th boom section 001621206B0600000
Swivel assembly 001618205B0000000
Reductor 1030200160
Base structure and outriggers assembly 001621203B0000000
Front right outrigger 001619003A0300000
Front left outrigger 001619003A0200000
Base structure 001619003B0100000
Rear left outrigger 001621203A0400000
Support bracket of 2nd boom 001618203B0800000
Boom cylinder assembly 001621207A0000000
Cylinder of 1st section 001621207A0100000
2nd boom cylinder 001621207A0200000
Cylinder of 3rd section 001621207A0300000
Cylinder of 4th section 001621207A0400000
Cylinder of 5th section 001621207A0500000
6th boom cylinder 001621207A0600000
Outrigger cylinder ASSY 001619004A0000000
Rear outrigger swing cylinder 001607204A0200000
Rear outrigger cylinder (V) 001607204A0300000
Left major pole cylinder (H) 001619004B0800000
Right major pole cylinder (H) 001619004B1000000
Minor pole cylinder (H) 001619004A0700000
Front outrigger cylinder (V) 001613904A0300000
Pumping unit 001619101A0000000
Hopper assembly 001690104E0000000
Mixing mechanism 001690404A0000000
Distribution valve assembly 001690207A0000000
Distribution valve assembly 001690207A0000000
Distribution valve assembly 001690207A0000000
S-pipe valve 001690207A0100000
Left swing cylinder 000190201A0200000
Right swing cylinder 000190201A0300000
Pumping mechanism 001690304F0000000
Concrete piston 001696902A0000000
Pumping cylinder assembly 001696108C0000000
Cylinder unit 001696104C1000000
Pumping cylinder 001696104C1100000
Boom pipe assembly 001621206D1100000
Undercarriage concrete pipe assembly 001621202A0200000
Chassis refit 001621253C0000000
Drive shaft A 001619153B0010000
Drive shaft Р’ 001619153B0020000
Pneumatic mechanism 001608253A0800000
PTO assembly 001613253A0010000
P.T.O 1030200189
Drive shaft Р’ 001613753A0020000
Frame protective device assembly 001621202C0000000
Secondary frame assembly 001621202C0100000
Walk platform and attachment 001621202B0400000
Boom support assembly 001621202A0500000
Toolbox assembly 001620402A0600000
Support plate 001620402A0700000
Hydraulic schematic of pumping system 001621217A0000000
Oil suction filter 1010600435
Solenoid reversal valve 1010300566
Oil suction filter 1010600443
Oil return filter 1010600052
Solenoid reversal valve 1010300527
Mixing motor 1010100059
Accumulator 1010800017
Solenoid reversal valve 1010300526
Solenoid reversal valve 1010300555
Cooler 1010400029
Accumulator 1010800027
Water suction filter 1060200000
Solenoid reversal valve 1010300705
Pumping circuit piping layout 001619118A0400000
Pumping cylinder unit 001619118A0402000
Multichannel of piston side (R) 001600003A0000488
Multichannel block of rod side (R) 001600003A0000484
Multichannel of rod side (L) 001600003A0000483
Multichannel of piston side (L) 001600003A0000486
High-low pressure control valve block 001607518A0002000
High-low pressure switch valve block 001619118A0403000
Controller valve unit 001613918A0005000
Oil filling valve block 001616018A0206000
Vents layout on oil tank 001619118A0105000
Controller valve unit (EC) 001607518A0003000
Return multichannel 001620518A0003000
Temperature control valve lock 001618218A0003000
Accumulator assembly (small) 001619118A0104000
Cooler assy 001620518A0004000
Groups of double pumps with output 180 001616318A0002000
Cooler multichannel 001620518A0002000
Distribution circuit piping layout 001619119A0100000
Distributing valve block 001620419A0001000
Accumulator assembly (big) 001609619A0202000
Swing cylinder assy 001609619A0201000
Pipelaying of rabbling and cleaning circuit 001619120A0100000
Mixing motor assy 001704120A0200000
Rabbling and cleaning valve block 001607220A0010000
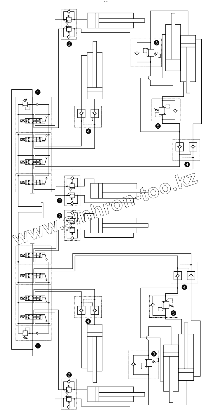
Hydraulic schematic of base structure 001620458A0000000
Pipelaying of base structure circuit 001619157A0100000
Pipelaying of base structure 001619157A0101000
Pipelaying of front left outrigger 001619157A0102000
Pipelaying of front right outrigger 001619157A0103000
Pipelaying of rear left outrigger 001619157A0104000
Pipelaying of rear right outrigger 001619157A0105000
Telescopic cylinder pipelaying 001619057A0006000
Telescopic cylinder pipelaying 001619057A0007000
Hydraulic schematic of boom 001619150A0000000
Bent axis axial piston pump 1010000089
Compressed oil filter 1010600436
Multi-valve (8 times) 001611250A0010000
Reversal multi-channel valve 1010301627
Multi-valve blade 1010302605
Final block 1010300584
Oil suction filter 1010600435
Air filter 1010500092
Pipelaying of boom circuit 001621249A0000000
Slewing control valve assembly 001619549A0000100
Slewing reducer hydraulic assembly 001619549A0000200
Pump of placing boom assembly 001619549A0000400
Hydraulic oil filter assembly 001619549A0000500
Multi-valve of placing boom assembly 001619049A0000600
Pipelaying of 1st section 001621249A0001000
Pipelaying of 2nd section 001621249A0002000
Pipelaying of 3rd section 001621249A0003000
Pipelaying of 4th section 001621249A0004000
Pipelaying of 5th section 001621249A0005000
1st boom cylinder piping 001621249A0006000
2nd boom cylinder piping 001621249A0007000
3rd boom cylinder piping 001621249A0008000
4th boom cylinder piping 001621249A0009000
5th boom cylinder piping 001621249A0010000
6th boom cylinder piping 001621249A0011000
Cleaning system 001692505A0000000
Lubrication system 001692406A0000000
Mesh filter 1010600044
X0 main control cabinet power wiring harness 001619127300A3A21
X1 cab signal main branch harness 001619127300A3A31
X2 main branch of outrigger box wiring harness 001619127300A3A41
Branch of outrigger box wiring harness 001619127300A3A42
X3 main branch of multi-valve wiring harness 001619127300A3A51
X4 main branch of turing flat wiring harness 001619127300A3A61
Branch of caution light 001619127300A3A62
X5 cabinet harness main branch 001619127300A3A71
X6 pumping valves harness main branch 001619127300A3A8
X7 main branch of hooper wiring harness 001619127300A3A91
X9 wiring harness of remote device and GPS 001619127300A3AB1
Boom height light wiring harness 001619127300A3AC1
Boom horn wiring harness 001619127300A3AC2
Outrigger box & integrated box 001621227300A1AT2
Coders and sensors 001621227300A1AT3
Proximity switch 001621227300A1AT4
Limit switch 001621227300A1AT5
Valve block assembly 001621227300A1AT6
Lights and horns of truck concreted pump 001621227300A1AT7
Main control cabinet 001621227300A1AT8
Tail cabinet 001621227300A1AT9
Electricity of driving cab 0016BEN1029200135
Remote control device 0016RMD1020201109
GPS 0016GPS1029900081
1
1
2
2
2
2
3
3
4
4
4
4
5
5
Позиция на иллюстрации
Заводской номер детали
Название детали
1
1010301905
Multi-valve
2
1010300538
Outrigger hydraulic lock
3
1010300697
Order valve
4
1010300539
Outrigger bidirectional lock
5
1010302583
Order valve
Содержащиеся в справочниках-каталогах запасные части и детали не предлагаются к продаже, а носят исключительно информационный характер
Дополнительная информация
×
Название:
Номер:
Примечание: