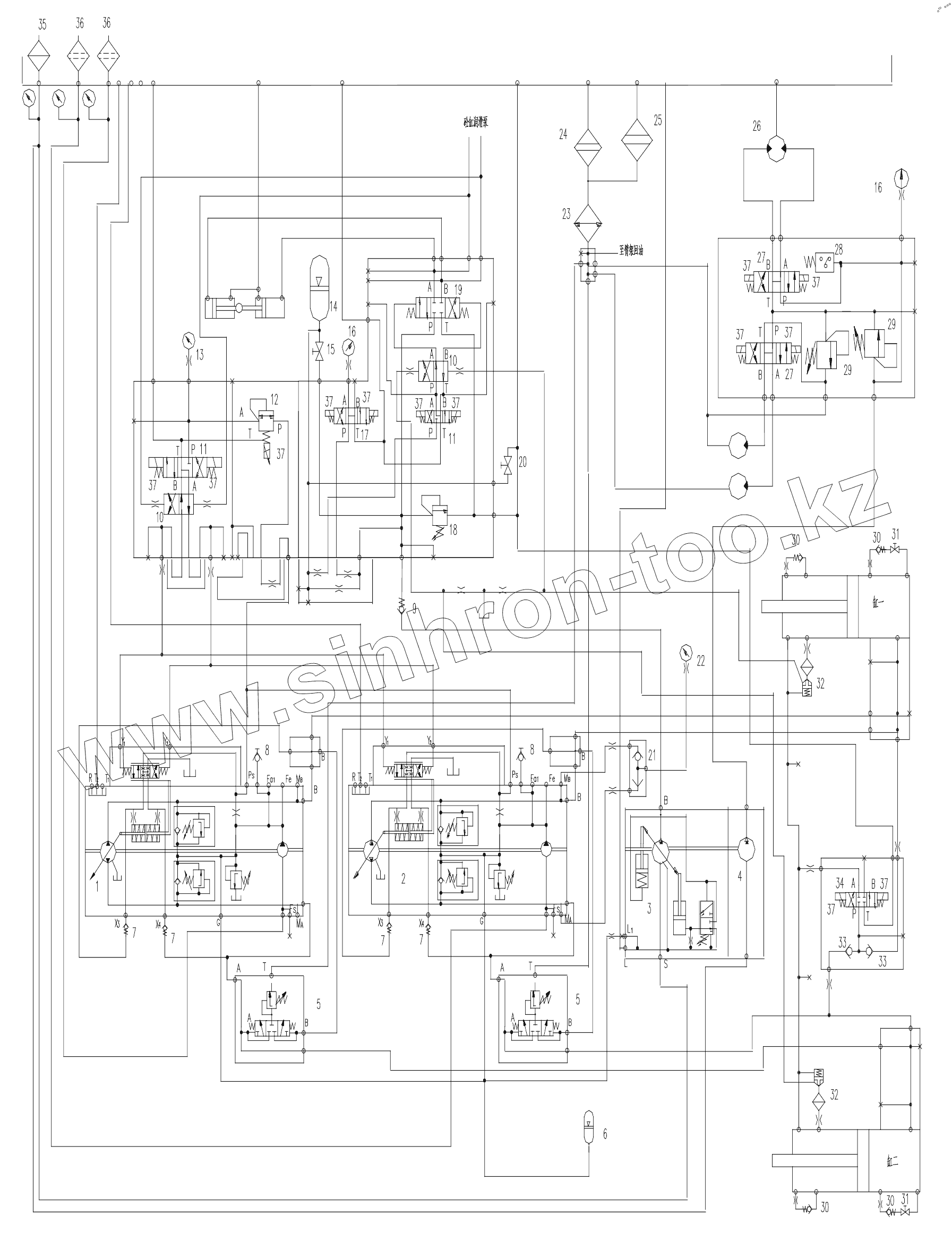
Каталог запасных частей к технике: Zoomlion 47X-5RZ. HYDRAULIC SYSTEM DIAGRAM
1
2
3
4
5
5
6
7
7
7
7
8
8
9
10
10
11
11
12
13
14
15
16
16
17
18
19
20
21
22
23
24
25
26
27
27
28
29
29
30
30
30
30
31
31
32
32
33
33
34
35
36
36
37
37
37
37
37
37
37
37
37
37
37
37
37
| Позиция на иллюстрации | Заводской номер детали | Название детали | |
|---|---|---|---|
| 1 | 1010000119 | Main pump | |
| 2 | 1010000118 | Main pump | |
| 3 | 1010000087 | Constant pressure pump | |
| 4 | 1010000085 | Gear pump | |
| 5 | 1010300530 | Flush valve | |
| 6 | 1010800027 | Accumulator | |
| 7 | 1010301554 | Check valve | |
| 8 | 1019900048 | Pressure detecting joint | |
| 9 | 1010300542 | Check valve | |
| 10 | 1010300545 | Hydraulic reversing valve | |
| 11 | 1010300526 | Solenoid reversal valve | |
| 12 | 1010300581 | Solenoid proportional reducing valve | |
| 13 | 1019900050 | Manometer | |
| 14 | 1010800017 | Accumulator | |
| 15 | 1010300578 | Ball valve | |
| 16 | 1021400068 | Manometer | |
| 17 | 1010300582 | Solenoid reversing valve | |
| 18 | 1010300522 | Overflow valve | |
| 19 | 1010300528 | Hydraulic control reversing valve | |
| 20 | 1010300658 | Dual-channel ball valve | |
| 21 | 1010300529 | Shuttle valve | |
| 22 | 1021400066 | Pressure sensor | |
| 23 | 1010400026 | Cooler | |
| 24 | 1010600052 | Oil return filter | |
| 25 | 1060200000 | Water suction filter | |
| 26 | 1010100059 | Mixing motor | |
| 27 | 1010300567 | Manual operated directional valve | |
| 28 | 1019900049 | Pressure switch | |
| 29 | 1010300569 | Additional overflow valve | |
| 30 | 1010300577 | Check valve | |
| 31 | 1010300541 | Ball valve | |
| 32 | 1010300583 | Logic valve | |
| 33 | 1010300557 | Check valve | |
| 34 | 1010300555 | Solenoid reversal valve | |
| 35 | 1010600033 | Suction filter | |
| 36 | 1010600034 | Suction filter | |
| 37 | 1029900008 | Wire plug |
Содержащиеся в справочниках-каталогах запасные части и детали не предлагаются к продаже, а носят исключительно информационный характер