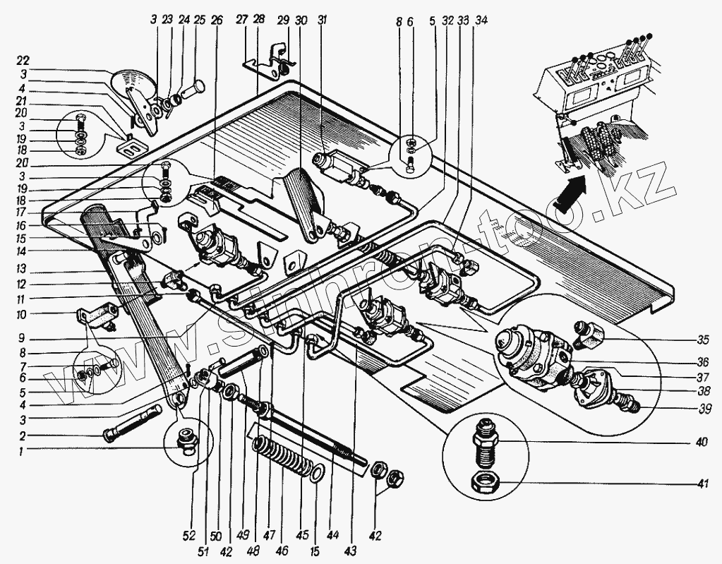
Каталог запасных частей к технике: ЮрМаш КС-4361А. Пост управления 4361А.50А. Плита 4361А.50-20
4361А.50-20
1
2
3
3
3
3
3
4
4
5
5
6
6
7
8
8
9
10
11
12
13
14
15
15
16
17
18
18
19
19
20
20
21
22
23
24
25
26
27
28
29
30
31
32
33
34
35
36
37
38
39
40
41
42
42
43
44
45
46
47
48
49
50
51
52
| Позиция на иллюстрации | Заводской номер детали | Название детали | |
|---|---|---|---|
| 4361А.50-20 | 4361А.50-20 | Плита | |
| 1 | 1.2 | Масленка | |
| 2 | 50-144 | Ось | |
| 3 | 131-112-20-02 | Шайба 12 | |
| 4 | Н3-3,2-20 | Шплинт 3,2x20 | |
| 5 | Н2-6-65Г | Шайба 6 | |
| 6 | 051-006-105 | Гайка М6 | |
| 7 | 131-106-15-02 | Шайба 6х1,5 | |
| 8 | 013-06-020-158 | Болт М6х20 | |
| 9 | 50-160 | Труба | |
| 10 | ВК-13Б | Включатель | |
| 11 | 50-120 | Труба | |
| 12 | 50-128 | Тройник | |
| 13 | 50-330 | Педаль | |
| 14 | 50-133 | Пружина | |
| 15 | 131-116-30-02 | Шайба 16x3 | |
| 16 | Н3-4-25 | Шплинт 4x25 | |
| 17 | 50-132 | Собачка правая | |
| 18 | 051-012-105 | Гайка М12 | |
| 19 | Н2-12-65Г | Шайба 12 | |
| 20 | 013-12-035-158 | Болт М12х35 | |
| 21 | 50-146 | Планка | |
| 22 | 50-350 | Педаль | |
| 23 | 50-141 | Пружина | |
| 24 | 50-142 | Втулка | |
| 25 | 50-139 | Валик | |
| 26 | 50-136 | Фиксатор | |
| 27 | 50-134 | Собачка левая | |
| 28 | 50-360 | Плита | |
| 29 | 50-135 | Пружина | |
| 30 | 50-340 | Педаль левая | |
| 31 | 50-370 | Установка выключателя | |
| 32 | 50-220 | Труба | |
| 33 | 50-250 | Труба | |
| 34 | 50-260 | Труба | |
| 35 | 50-129 | Штуцер | |
| 36 | 264-23-00 | Золотник | |
| 37 | 23-94 | Штуцер | |
| 38 | 264-5-00 | Клапан | |
| 39 | 23-93 | Штуцер | |
| 40 | 50-48 | Штуцер | |
| 41 | 50-47 | Гайка | |
| 42 | 051-016-105 | Гайка М16 | |
| 43 | 50-240 | Труба | |
| 44 | 50-138 | Шток | |
| 45 | 50-190 | Труба | |
| 46 | 50-137 | Пружина | |
| 47 | Н3-5-32 | Шплинт 5x32 | |
| 48 | 131-124-00-02 | Шайба 24 | |
| 49 | 50-145 | Труба | |
| 50 | 051-012-605 | Гайка М12х1,25 | |
| 51 | 50-143 | Вилка | |
| 52 | 50-147 | Валик |
Содержащиеся в справочниках-каталогах запасные части и детали не предлагаются к продаже, а носят исключительно информационный характер