Вернуться на главную
Поиск
Каталоги запчастей к технике
Спецтехника
ЮрМаш
КС-4361А
Пост управления 4361А.50А
Каталог запасных частей к технике: ЮрМаш КС-4361А. Пост управления 4361А.50А
zoom-in
zoom-out
enlarge
shrink
circle-right
circle-left
file-text2
info
cart
Тип техники
Не выбрано
Легковые автомобили
Грузовые автомобили и прицепы
Автобусы
Сельхозтехника
Спецтехника
Двигатели
Мототехника
Марка
Не выбрано
Ammann
BOMAG
CARMIX
CASE IH
Changlin
ChengGong
Dimex
Doosan
DYNAPAC
Foton
HAMM
Hidromek
Hitachi
Hyundai
JCB
JLG
John Deere
Komatsu
LIEBHERR
LiuGong
Lonking (LongGong)
Luneng
MANITOU
Mitsuber
New Holland
PENGPU
RM-Terex
SANY
SDLG
SEM
Shantui
Shehwa HBXG
Soosan
TIGARBO
VOGELE
Volvo
WAY
WIRTGEN
XCMG
XGMA
Xiamen
YTO
Yuchai
Zoomlion
Автокран
АЗСМ
Алтайлесмаш
Амкодор
АОМЗ
Атек
АТЗ
Балканкар Рекорд
БелАЗ
Беловеж
Борекс
Брянский Арсенал
Булат
ВЭКС
ГАЗ
Геомаш
Гидромаш
Донекс
Дормаш
Дормашина
Дорэлектромаш
ДЭЗ
ЕлАЗ
ЗЗГТ
Ижнефтемаш
Канаш-электрокар
КЗКТ
ККЗ
Клевер
Клинцовский автокрановый завод
КМЗ
КМЗ 1 Мая
Ковровец
Коммаш
Кранэкс
КЭЗ
КЭМЗ
ЛЗА
МАЗ
МЗИК
МЗКМ
МЗКТ
Михневский РМЗ
МоАЗ
Мозырский МЗ
МТЗ
ОЗП
Онежец
ПАО "ТЗА"
ППС Детва
Промтрактор
ПТЗ
Раскат
СпецАгрегат
ТВЭКС
ТТМ
УВЗ
Угличмаш
УЗТМ
ХТЗ
ЧЗКМ
ЧСДМ
ЧТЗ
ЭКСКО
ЭКСМАШ
ЮрМаш
Модель
Не выбрано
КС-4361А (1998)
Схема
>
Не выбрано
Кабина 4361А.44
Кабина 4361А.44
Кабина 4361А.44
Оборудование кабины 4361А.45
Кабина 4361А.44. Дверь задняя 4361А.44-400
Кожух 4361А.47
Кожух 4361А.47
Кожухи механизмов 4361А.48
Установка независимого отопителя 4361А.27
Электрооборудование 4361А.51. Установка вентилятора 4361А.51-190
Установка площадки и лестницы
Силовая установка 4361А.17
Силовая установка 4361А.17
Силовая установка 4361А.17
Силовая установка 4361А.17. Установка системы воздухоподготовки 4361А.17-1990
Силовая установка 4361А.17. Установка компрессора 4361А.17-20
Силовая установка 4361А.17. Установка бака 4361А.17-80
Силовая установка 4361А.17. Фильтр 4361А.17-420
Топливный бак 4361А.18
Управление топливоподачей 4361А.49
Силовая установка 4361А.17. Установка выхлопной трубы 4361А.17-1710
Силовая установка 4361А.17. Установка радиатора 4316А.17-60
Силовая установка 4361А.17Т. Радиатор 4361А.17-1320Т
Силовая установка 4361А.17Т. Установка дополнительного радиатора 4361А.17-1300Т
Коробка перемены передач 4361А.03
Коробка перемены передач 4361А.03
Коробка перемены передач 4361А.03
Коробка перемены передач 4361А.03
Коробка перемены передач 4361А.03
Коробка перемены передач 4361А.03
Силовая установка 4361А.17. Тормоз гидротрансформатора 4316А.17-40-2050
Силовая установка 4361А.17. Установка гидротрансформатора 4316А.17-30
Ходовая часть крана 4361А.12
Мост передний 4361А.01
Мост передний 4361А.01
Мост передний 4361А.01
Мост передний 4361А.01
Мост задний 4361А.02
Мост задний 4361А.02
Мост задний 4361А.02
Рама нижняя 4361А.07
Опорно-поворотное устройство 4361А.08
Приспособление для буксировки 4361А.10
Опоры выносные 4361А.11
Опоры выносные 4361А.11. Гидроцилиндр 4361А.11-300
Опоры выносные 4361А.11. Клапан 4361А.11-310
Рама поворотная 4361А.15
Пневматическое оборудование поворотной части 4361А.23
Пневматическое оборудование поворотной части 4361А.23
Пневматическое оборудование поворотной части 4361А.23. Вращающееся соединение на два направления 4361А.23-110
Пневматическое оборудование поворотной части 4361А.23. Вращающееся соединение на два направления 4361А.23-110
Пневматическое оборудование поворотной части 4361А.23. Вращающееся соединение на два направления 4361А.23-120
Пост управления 4361А.50А
Пост управления 4361А.50А
Пост управления 4361А.50А
Пост управления 4361А.50А
Пост управления 4361А.50А. Плита 4361А.50-20
Пост управления 4361А.50А. Золотник 4361А.50-600
Пост управления 4361А.50А. Пост управления 4361А.50А
Пост управления 4361А.50А. Клапан перепускной 4361А.50-80
Пост управления 4361А.50А. Клапан перепускной 4361А.50-70
Пост управления 4361А.50А. Золотник 264-23-00
Пост управления 4361А.50А. Установка выключателя 4361А.50-370
Пост управления 4361А.50А.
Гидропневмооборудование ходовой части 4361А.04
Гидропневмооборудование ходовой части 4361А.04. Пульт управления 4361А.04-730
Коробка перемены передач 4361А.03. Коробка распределительная 4361А.04-800
Коробка перемены передач 4361А.03. Вентиль 4361А.04-590
Коробка перемены передач 4361А.03. Клапан перепускной 4361А.04-570
Гидропневмооборудование ходовой части 4361А.04. Клапан перепускной 4361А.04-580
Гидропневмооборудование ходовой части 4361А.04. Клапан перепускной 4361А.04-560
Гидравлическое оборудование поворотной части 4361А.24
Гидравлическое оборудование поворотной части 4361А.24. Соединение шарнирное 4361А.24-10
Управление муфтой вращения 4361А.26
Золотник реверсивный 64БГ74-24
Насос "Родник" БК7-3000
Вал карданный 161-112-01В
Насос шестеренчатый НШ32У-2-Л
Силовой гидравлический цилиндр Ц110-1414001Г
Тормоз стояночный 4361А.05
Цилиндр тормозной 214-3519111Б
Электрооборудование 4361А.51. Электрооборудование крана 4361А.51-10
Электрооборудование 4361А.51. Электрооборудование кабины крана 4361А.51-10
Электрооборудование 4361А.51. Электрооборудование стрелы 4361А.51-20
Электрооборудование 4361А.51. Щиток отопителя 4361А.51-160
Электрооборудование 4361А.51. Щиток дизеля 4361А.51-120
Электрооборудование 4361А.51. Установка датчика усилий 4361А.51-140
Электрооборудование 4361А.51. Установка аккумуляторной батареи 4361А.51-800
Электрооборудование 4361А.51
Портал 4361А.16
Портал 4361А.16
Редуктор вращения и передвижения 4361А.19
Редуктор вращения и передвижения 4361А.19
Лебедка 4361А.20
Лебедка 4361А.20
Лебедка 4361А.20
Лебедка 4361А.20
Лебедка 4361А.20
Лебедка 4361А.20. Муфта 4361А.20-10
Лебедка 4361А.20. Муфта 4361А.20-90
Лебедка 4361А.20. Муфта 4361А.20-110
Лебедка 4361А.20. Кронштейн левый 4361А.20-660
Лебедка 4361А.20. Кронштейн правый 4361А.20-670
Лебедка 4361А.20. Муфта 4361А.20-90
Реверс вращения и передвижения 4361А.21
Реверс вращения и передвижения 4361А.21
Реверс вращения и передвижения 4361А.21
Тормоз механизма вращения 4361А.22
Стреловое оборудование 4361А.32. Стреловое оборудование со стрелой 25,5м 4361А.32-600
Стреловое оборудование 4361А.32. Стреловое оборудование со стрелой 25,5м с гуськом 4361А.32-610
Стреловое оборудование 4361А.32.
Стреловое оборудование 4361А.32.
Стреловое оборудование 4361А.32.
Стреловое оборудование 4361А.32. Полиспаст 4361А.32-250
Стреловое оборудование 4361А.32. Подвеска крюковая 16т 4361А.32-180
Стреловое оборудование 4361А.32. Гусек 4361А.32-500
Стреловое оборудование 4361А.32.
Стреловое оборудование 4361А.32. Указатель вылетов стрелы 4361А.32-440
Стреловое оборудование 4361А.32. Подвеска крюковая 3,2т 4631А.32-720
Ограничитель высоты подъема крюка 4361А.33
Силовая установка 4361А.17. Установка топливного бака пускового
Силовая установка 4361А.17. Установка подогревателя 4361А.17-2150
Инструмент и принадлежности 4361А.46
Инструмент и принадлежности 4361А.46
Нормали
Нормали
1
1
1
1
1
2
2
2
2
2
2
3
3
4
5
5
6
6
7
7
8
9
9
10
11
12
12
13
14
15
16
17
18
19
20
21
22
23
24
25
26
27
28
29
30
31
32
33
34
35
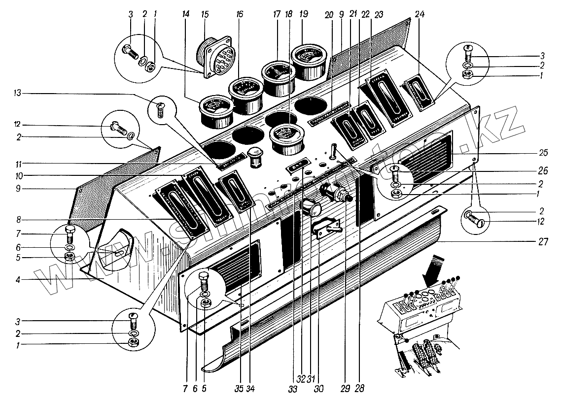
Позиция на иллюстрации
Заводской номер детали
Название детали
1
054-004-105
Гайка М4
2
Н2-4-65Г
Шайба 4
3
031-04-012-248
Винт М4х12
4
50-40А
Кожух
5
051-008-105
Гайка М8
6
Н2-8-65Г
Шайба 8
7
013-08-020-158
Болт М8х20
8
50-23
Накладка
9
50-11
Крышка
10
50-22
Накладка
11
50-24
Табличка
12
031-04-008-248
Винт М4х8
13
031-03-005-248
Винт М3х5
14
УК133-АВ
Указатель температуры
15
ШР55П35ЭШ3
Вилка
16
УБ126
Указатель топлива
17
АП170
Указатель тока
18
МД219
Указатель масла
19
УК133-АМ
Указатель температуры
20
50-12
Табличка
21
50-16
Накладка
22
50-15
Накладка
23
50-14
Накладка
24
50-13
Накладка
25
50-275
Табличка
26
031-04-010-148
Винт М4х10
27
50-9
Кожух
28
4606.3710
Включатель
29
ВК322
Включатель
30
5106.3709
Переключатель
31
ПД20-Д
Фонарь
32
50-18
Табличка
33
50-55
Табличка
34
50-21
Накладка
35
50-276
Табличка
Содержащиеся в справочниках-каталогах запасные части и детали не предлагаются к продаже, а носят исключительно информационный характер
Дополнительная информация
×
Название:
Номер:
Примечание: