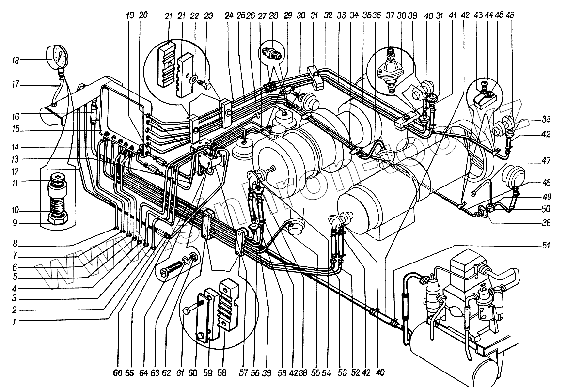
Каталог запасных частей к технике: ЮрМаш КС-4361А. Пневматическое оборудование поворотной части 4361А.23
1
2
3
4
5
6
7
8
9
10
11
12
13
14
15
16
17
18
19
20
21
21
22
23
24
25
26
27
28
29
30
31
31
32
33
34
35
36
37
38
38
38
38
38
39
40
40
41
42
42
42
42
43
44
45
46
47
48
49
50
51
52
53
53
54
55
56
57
58
59
60
61
62
63
64
65
66
| Позиция на иллюстрации | Заводской номер детали | Название детали | |
|---|---|---|---|
| 1 | 06-2-УХЛ4 | Клапан | |
| 2 | 23-360 | Труба | |
| 3 | 23-150 | Труба | |
| 4 | 23-350 | Труба | |
| 5 | 23-190 | Труба | |
| 6 | 23-180 | Труба | |
| 7 | 23-270 | Труба | |
| 8 | 23-260 | Труба | |
| 9 | 052-018-604 | Гайка М18х1,5 | |
| 10 | 17-221 | Штуцер | |
| 11 | 17-216 | Шайба | |
| 12 | 23-250 | Труба | |
| 13 | 23-440 | Труба | |
| 14 | 23-530 | Труба | |
| 15 | 4361А.50А | Пост управления | |
| 16 | 23-96 | Рукав | |
| 17 | 23-450 | Труба | |
| 18 | Н17 | Манометр 1 | |
| 19 | 23-330 | Труба | |
| 20 | 23-320 | Труба | |
| 21 | 23-82 | Колодка | |
| 22 | 131-108-15-02 | Шайба 8х1,5 | |
| 23 | 013-08-040-158 | Болт М8х40 | |
| 24 | 23-290 | Труба | |
| 25 | 23-280 | Труба | |
| 26 | 23-300 | Труба | |
| 27 | 23-380 | Труба | |
| 28 | 50-31 | Штуцер | |
| 29 | 23-370 | Труба | |
| 30 | 23-310 | Труба | |
| 31 | 23-83 | Колодка | |
| 32 | 23-410 | Труба | |
| 33 | 23-400 | Труба | |
| 34 | 23-160 | Труба | |
| 35 | 23-390 | Труба | |
| 36 | 23-570 | Шланг | |
| 37 | 23-93 | Штуцер | |
| 38 | 264-5-00 | Клапан | |
| 39 | 23-94 | Штуцер | |
| 40 | 23-110 | Вращающееся соединение | |
| 41 | 23-580 | Шланг | |
| 42 | 23-95 | Рукав | |
| 43 | Н2-6-65Г | Шайба 6 | |
| 44 | 031-06-012-148 | Винт М6х12 | |
| 45 | 27-57 | Скоба | |
| 46 | 23-100 | Вращающееся соединение | |
| 47 | 23-470 | Труба | |
| 48 | 23-170 | Труба | |
| 49 | 23-460 | Труба | |
| 50 | 50-32 | Тройник | |
| 51 | 17-460 | Хомут | |
| 52 | 23-240 | Труба | |
| 53 | 23-230 | Труба | |
| 54 | 23-120 | Вращающееся соединение | |
| 55 | 23-220 | Труба | |
| 56 | 23-210 | Труба | |
| 57 | В71-33М | Кран | |
| 58 | 23-78 | Колодка | |
| 59 | 23-79 | Колодка | |
| 60 | 23-81 | Накладка | |
| 61 | 013-10-055-158 | Болт М10х55 | |
| 62 | 052-010-105 | Гайка М10 | |
| 63 | Н2-10-65Г | Шайба 10 | |
| 64 | 033-10-055-148 | Винт М10х55 | |
| 65 | 23-200 | Труба | |
| 66 | 23-420 | Труба |
Содержащиеся в справочниках-каталогах запасные части и детали не предлагаются к продаже, а носят исключительно информационный характер