Вернуться на главную
Поиск
Каталоги запчастей к технике
Спецтехника
YTO
X1204
Cylinder Block Assy
Каталог запасных частей к технике: YTO X1204. Cylinder Block Assy
zoom-in
zoom-out
enlarge
shrink
circle-right
circle-left
file-text2
info
cart
Тип техники
Не выбрано
Легковые автомобили
Грузовые автомобили и прицепы
Автобусы
Сельхозтехника
Спецтехника
Двигатели
Мототехника
Марка
Не выбрано
Ammann
BOMAG
CARMIX
CASE IH
Changlin
ChengGong
Dimex
Doosan
DYNAPAC
Foton
HAMM
Hidromek
Hitachi
Hyundai
JCB
JLG
John Deere
Komatsu
LIEBHERR
LiuGong
Lonking (LongGong)
Luneng
MANITOU
Mitsuber
New Holland
PENGPU
RM-Terex
SANY
SDLG
SEM
Shantui
Shehwa HBXG
Soosan
TIGARBO
VOGELE
Volvo
WAY
WIRTGEN
XCMG
XGMA
Xiamen
YTO
Yuchai
Zoomlion
Автокран
АЗСМ
Алтайлесмаш
Амкодор
АОМЗ
Атек
АТЗ
Балканкар Рекорд
БелАЗ
Беловеж
Борекс
Брянский Арсенал
Булат
ВЭКС
ГАЗ
Геомаш
Гидромаш
Донекс
Дормаш
Дормашина
Дорэлектромаш
ДЭЗ
ЕлАЗ
ЗЗГТ
Ижнефтемаш
Канаш-электрокар
КЗКТ
ККЗ
Клевер
Клинцовский автокрановый завод
КМЗ
КМЗ 1 Мая
Ковровец
Коммаш
Кранэкс
КЭЗ
КЭМЗ
ЛЗА
МАЗ
МЗИК
МЗКМ
МЗКТ
Михневский РМЗ
МоАЗ
Мозырский МЗ
МТЗ
ОЗП
Онежец
ПАО "ТЗА"
ППС Детва
Промтрактор
ПТЗ
Раскат
СпецАгрегат
ТВЭКС
ТТМ
УВЗ
Угличмаш
УЗТМ
ХТЗ
ЧЗКМ
ЧСДМ
ЧТЗ
ЭКСКО
ЭКСМАШ
ЮрМаш
Модель
Не выбрано
KC125 Мост
X1204 (2013)
ZL50F
Схема
>
Не выбрано
Air cleaner assembly
Muffler assembly
Oil cooler and line assembly
Installed radiator assembly
Throttle control mechanism-choke
Clutch assembly
Clutch assembly
Carrier (FR)-ballast bracket assembly (FR)
Front axle assembly
Front axle assembly
Front axle assembly
Front axle assembly
Front axle assembly
Front axle assembly
Front drive assembly
Rear drive assembly
Tilting drawbar
Transmission case assembly
Transmission case assembly
Transmission case assembly
Transmission case assembly
Transmission case assembly (FR)-cooling & lubrication systems
Transmission case assembly (RR)
Transmission case assembly (RR)
Transmission case assembly (RR)-differential assembly
Transmission case assembly (RR)-differential lock & control
Transmission case assembly (RR)-differential lock hydraulic disengaging mechanism
Final drive assembly (LH/RH)
Steering box assembly
Hydraulic steering gear-steering system oil pipes
540/1,000 r/min PTO assembly
540/1,000 r/min PTO assembly
PTO shaft control mechanism
Transfer case assembly
Transfer case assembly
Propeller shaft and guard assembly
Service brake control mechanism oil tank & lines (with air brake)
Service brake pedal control mechanism
Service brake
Service brake pump
Parking brake assembly
Driver’s seat
Cab
Rear window assembly
Door assembly (LH/RH)
Side window assembly (LH/RH)
Rear hood
Hood
Hood
Step & suspension assembly
Starting cables, battery tray & fixture
Electrical equipment & instrumentation-lighting system
Electrical equipment & instrumentation-electrical system harnesses
Electrical equipment & instrumentation-electrical system control components
Electrical equipment & instrumentation-electrical system accessories
Fuel system
Lifter assembly with auxiliary cylinder-hydraulic lifter housing
Lifting device assembly with auxiliary cylinder-lifting device cylinder piston, lifting device shaft and force transmission mechanism
Lifter assembly with 2 auxiliary cylinders
Auxiliary cylinder
Lifter assembly with auxiliary cylinder-distributor assembly
Lifter assembly with auxiliary cylinder-distributor control mechanism
Lifter assembly with auxiliary cylinder-distributor control mechanism
Lifter assembly with auxiliary cylinder-distributor control mechanism
Lifter assembly with auxiliary cylinder-load control assembly
Lifter assembly with auxiliary cylinder-lifter control mechanism
Lifter assembly with auxiliary cylinder-lifter control mechanism
Lifter assembly with auxiliary cylinder-lifter control mechanism
Lifter assembly with auxiliary cylinder-lifter control mechanism
Suspension mechanism
Suspension mechanism
Suspension mechanism
Fuel tank assembly
Hydraulic line assembly
Lubrication and cooling system assembly
Two-piece multi-way valve & control
Two-piece valve assembly
Trailer brake system
Heating & ventilation systems & heating piping
Signs & decals
Installed air cleaner assembly (optional desert air cleaner)
Front driving wheel assembly
Rear driving wheel assembly
Hitch bar assembly (optional)
Transmission case assembly (FR) (optional synchronizer)
Transmission case assembly (FR) (optional synchronizer)
Transmission case assembly (FR) (optional synchronizer)
Transmission case assembly (FR) (optional synchronizer)
Transmission case assembly (FR)-cooling & lubrication systems (without power train cooler)
Transmission case assembly (RR)-differential assembly (optional for four planet gear arrangement)
Transmission case assembly (RR)-differential lock mechanical disengaging mechanism (optional)
540/720 r/min PTO assembly
540/720 r/min PTO assembly
540/720 r/min PTO assembly
Driver’s seat
Service brake control mechanism oil tank & lines (without air brake)
ROPS assembly (optional)
Canopy assembly (optional)
Installed air cleaner assembly (optional ROPS)
Lighting system (optional ROPS)
Electrical equipment & instrumentation-electrical system harnesses (optional ROPS)
Front mud guard
Three-piece multi-way valve & control
Air conditioning system assembly
Signs & decals (in Spanish)
Cylinder Head Assy
Cylinder Head Assy
Cylinder Head Assy
Cylinder Block Assy
Cylinder Block Assy
Cylinder Block Assy
Camshaft Assy
Crankshaft And Flywheel Assy
Piston and Conne Assy
Gear Train Assy
Sump Assy
Timing Gear Chamber Assy
Oil seal shell after Assy
Cylinder Head Hood Assy
Crankcase Ventilation Assy
Intake Tube Assy
Intake Tube Assy
Exhaust Tube Assy
Fuel Injection Pump Installation assy Assy
Fuel Injection Pump Installation assy Assy
Fuel Injection Pump Installation assy Assy
Fuel Injector Assy
Fuel Filter Installation Assy
Fuel Filter Installation Assy
Fuel Injection Pipes Assy
Fuel Low Pressure Pipes Installation Assy
Oil Pump Installation Assy
Oil Suction Strainer Assy
Oil Filter Assy
Water Pump and Fan Assy
Thermostat Assy
Starter Installation Assy
Alternator and Bracket Assy
Alternator and Bracket Assy
Air Compressor Installation Assy
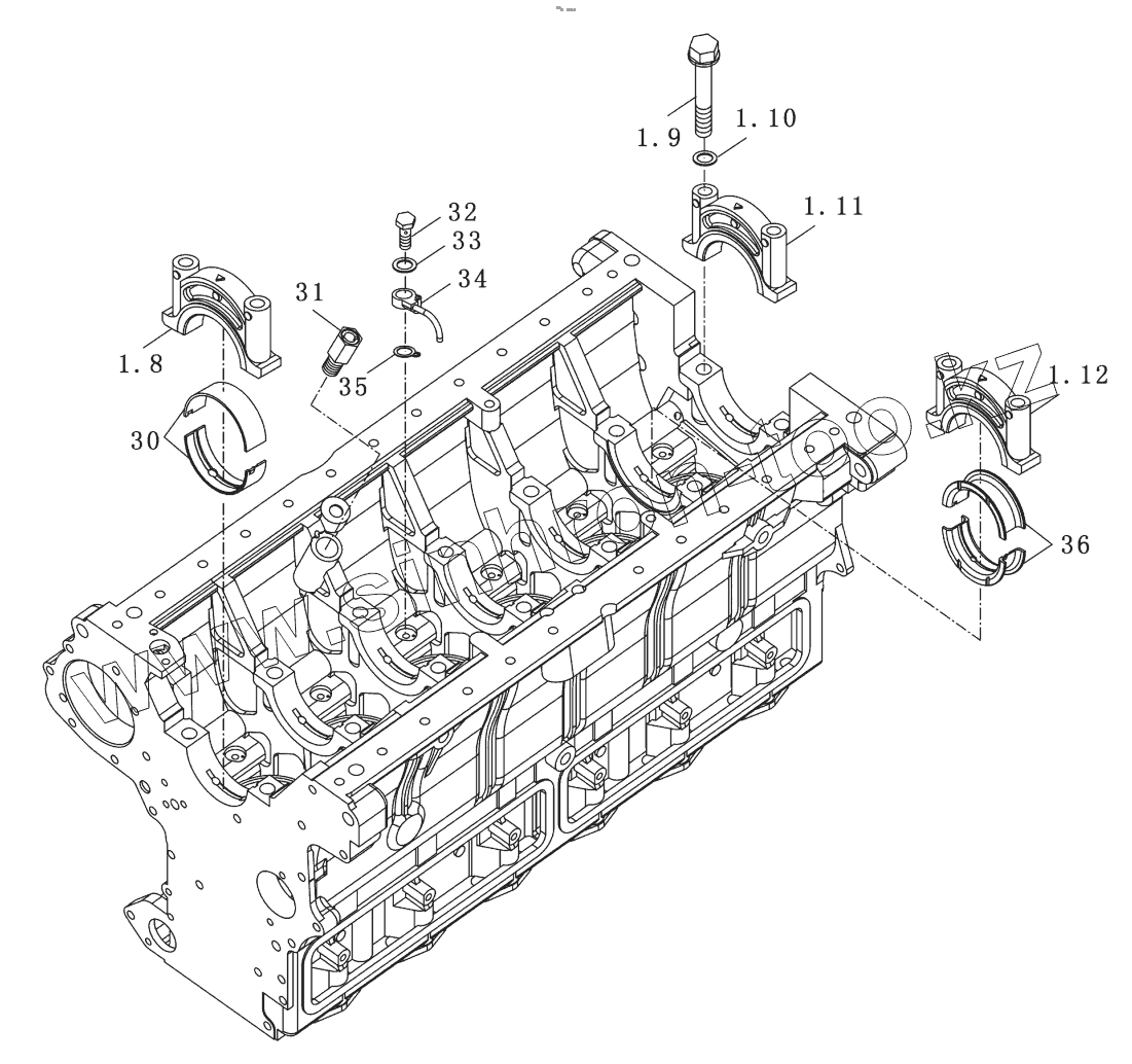
1.8
1.9
1.10
1.11
1.12
30
31
32
33
34
35
36
Позиция на иллюстрации
Заводской номер детали
Название детали
1
6RBATF.020100
Cylinder block mechanical assembly
1.1
6RBATF.020101
Cylinder block
1.2
R.020106
Camshaft front bearing
1.3
LR.010209
Screw plug Z3/8"
1.4
R.020108
Bowl plug 50
1.5
LR.010209
Screw plug Z3/8"
1.6
Q/SB144-64
Plug 60
1.7
R.020107
Camshaft bearing
1.8
LR.020102
Cap, mian bearing
1.9
R.020104
Bolt, main bearing
1.10
R.020105
Washer, main bearing bolt
1.11
LR.020111
Cap, rear main bearing
1.12
LR.020103
Cap, locating main bearing
2
R.020021
Dowel.cylinder block top face
3
R.020023
Dowel, cylinderblockupperfront face
4
R.020021
Dowel.cylinder block top face
5
4RT62.020031
Oil pressure meter joint
6
R.440001
Rotor pad sheet
7
6RQ.440002
Bottom cover
8
GB/T93
Spring washer 8
9
GB21
Bolt M10x20-8.8-Zn.D
10
1305C1-010
Water tank drain valve assembly
11
JB/T8870
Hose clamp d32
12
4RCT5.020004FE
Drain hose
13
R.020017
Gasket, Cap
14
6RTIII.020028
Cover plate
15
GB/T93
Spring washer 8
16
GB21
Bolt M10x20-8.8-Zn.D
17
YTQ021.1
Screw plug Z 1/8 "
18
YTQ021.1
Screw plug Z 1/8 "
19
R.020015
Hollow dowel, cylinder block rear face
20
RZ.020019FE
Plug
21
LR.020300
Drainpipeassembly, crankcase
22
6R.020008A
Cover, front push rod chamber
23
GB/T923
Cap nut M6-Zn.D
24
R.010017
Rubber sealing ring
25
R.020011FE-1
Stud, push rod chamber cover
26
R.020011FE
Stud, push rod chamber cover
27
RA.020003A
Cylinder liner seal ring
28
RA.020002/03
Cylinder liner seal ring
29
RBA.020001A
Cylinder liner
30
LR.020041/42
Spindle tile
31
LR.412100-2
Oil pump pressure limiting valve parts
32
RH.020003
Nozzle bolt
33
6RAZL.020006
Washer
34
6RZQC.020200-1
Nozzle parts
35
BII-049
Nozzle gasket
36
LR.020043/44
Main bearing thrust tile
Содержащиеся в справочниках-каталогах запасные части и детали не предлагаются к продаже, а носят исключительно информационный характер
Дополнительная информация
×
Название:
Номер:
Примечание: