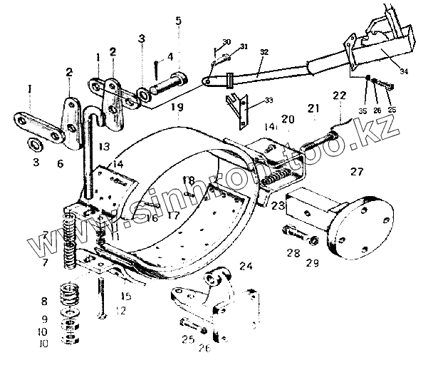
Каталог запасных частей к технике: Xiamen XZ636. Установка ручного тормоза
1
1
2
2
3
3
4
5
6
7
7
8
9
10
10
11
11
12
13
14
14
15
16
17
18
19
20
21
22
23
24
25
25
26
26
27
28
29
30
31
32
33
34
35
| Позиция на иллюстрации | Заводской номер детали | Название детали | |
|---|---|---|---|
| 1 | Z0105038005 | Соединительная пластина ручного тормоза | |
| 2 | Z0105038003 | Кулачковый диск | |
| 3 | B0200116003 | Шайба 16 GB93-87 | |
| 4 | B1202003025 | Шплинт 3х25 GB/T91-1986 | |
| 5 | B1201016048 | Ось А16х48 GB/T882-1986 | |
| 6 | Z0105038004 | Установочный винт | |
| 7 | Z0105038002 | Пружина | |
| 8 | Z0105038001 | Пружина | |
| 9 | B0200112003 | Шайба 12 GB93-87 | |
| 10 | B03001120125 | Гайка М12х1,25 GB/T6171-1986 | |
| 11 | B0300108000 | Гайка M8 | |
| 12 | B0100108075 | Болт М8х75 GB/T5783-1986 | |
| 13 | Z0105038102 | Тормозная лента | |
| 14 | B0500106012 | Полукруглая заклепка 6х12 GB/T867-1986 | |
| 15 | Z0105038101 | Тормозная лента нижней фиксирующей пластины | |
| 16 | B0500205012 | Плоская полупустая заклепка 5х12 GB/T875-1986 | |
| 17 | Z0105038104 | Фрикционное колесо тормозного рычага | |
| 18 | B0500205017 | Плоская полупустая заклепка 5х17 GB/T875-1986 | |
| 19 | Z0105038103 | Стальная лента | |
| 20 | Z0105038105 | Держатель тормозной ленты | |
| 21 | B0100110055 | Болт М10х55 GB/T32.1-1988 | |
| 22 | Z0105038007 | Стальная проволока 0,5 | |
| 23 | Z0105038006 | Регулировочная пружина | |
| 24 | Z0105030041 | Правый держатель тормоза | |
| 25 | B0100108025 | Болт М8х25 GB/T5783-1986 | |
| 26 | B0200108000 | Пружинная шайба 8 GB/T93-1987 | |
| 27 | Z0105030042 | Левый держатель тормоза | |
| 28 | B0100112030 | Болт М12х30 GB/T5783-1986 | |
| 29 | B0200112000 | Шайба 12 | |
| 30 | B1202003025 | Шплинт 3х25 GB/T91-1986 | |
| 31 | B1201010035 | Ось А10х35 GB/T882-1986 | |
| 32 | W0105352032 | Гибкий вал | |
| 33 | W0105352033 | Кронштейн | |
| 34 | W0105352034 | Установка ручного тормоза | |
| 35 | B0200208000 | Шайба 8 GB/T93-1987 |
Содержащиеся в справочниках-каталогах запасные части и детали не предлагаются к продаже, а носят исключительно информационный характер