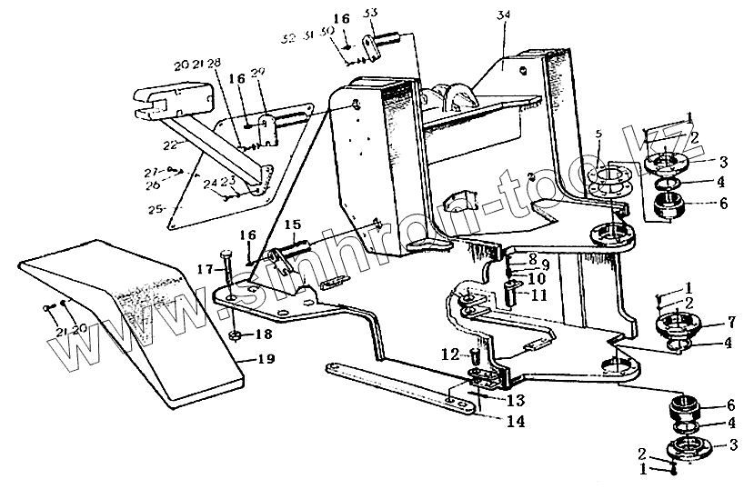
Каталог запасных частей к технике: Xiamen XZ636. Установка переднего каркаса
1
1
1
2
2
2
3
3
4
4
4
5
6
6
7
8
9
10
11
12
13
14
15
16
16
16
17
18
19
20
20
21
21
22
23
24
25
26
27
28
29
30
31
32
33
34
| Позиция на иллюстрации | Заводской номер детали | Название детали | |
|---|---|---|---|
| 1 | B0100012025 | Болт М12х25 GB5781-86 | |
| 2 | B0200112003 | Шайба 12 GB93-87 | |
| 3 | W0104302007 | Крышка подшипника | |
| 4 | W0104302101 | Крышка | |
| 5 | W0104302008 | Пленка | |
| 6 | B070GE60ESO | Соединительный подшипник GE60ES GB304.5-81 | |
| 7 | W0104302003 | Подшипниковый | |
| 8 | W0104302008 | Пленка | |
| 9 | B0101010025 | Болт М10х1х25 | |
| 10 | B0200510003 | Стопорная шайба 10 GB982-77 | |
| 11 | Z0104302200 | Чека рулевого цилиндра | |
| 12 | Z0104302002 | Болт | |
| 13 | B1201063030 | Шплинт 6,3х30 GB91-86 | |
| 14 | W0104302001 | Предохранительный стержень | |
| 15 | Z0104302207 | Стержень подъемного цилиндра | |
| 16 | B1100110001 | Масленка М10х1 GB1152-79 | |
| 17 | W0104302006 | Болт | |
| 18 | B0301127001 | Нейлоновая стопорная гайка М24 GB889-86 | |
| 19 | W0104302400 | Защитное устройство от грязи | |
| 20 | B0200116003 | Шайба 16 GB93-87 | |
| 21 | B0100016030 | Болт М16х30 GB5783-86 | |
| 22 | W0104302300 | Каркас лампы | |
| 23 | B0200110003 | Пружинная шайба 10 GB93-87 | |
| 24 | B0100010030 | Болт М10х30 GB5781-86 | |
| 25 | W0104302004 | Крышка | |
| 26 | B0200108003 | Шайба 8 GB93-87 | |
| 27 | B0100008016 | Болт М8х16 GB5781-86 | |
| 28 | B0200216003 | Стопорная шайба 16 GB95-85 | |
| 29 | Z0104302206 | Задняя ось установки подъемного рычага | |
| 30 | B0100020035 | Болт М20х35 GB5783-86 | |
| 31 | B0200220003 | Стопорная шайба 20 GB95-85 | |
| 32 | B0200120003 | Стопорная шайба 20 GB/T858-1988 | |
| 33 | Z0104302205 | Задний шплинт цилиндра | |
| 34 | Z0104302100 | Передний каркас |
Содержащиеся в справочниках-каталогах запасные части и детали не предлагаются к продаже, а носят исключительно информационный характер