Каталог запасных частей к технике: XGMA XG31651. Electrical System (1)
1
2
2
3
3
4
4
5
5
6
7
8
9
10
11
12
13
14
15
16
17
18
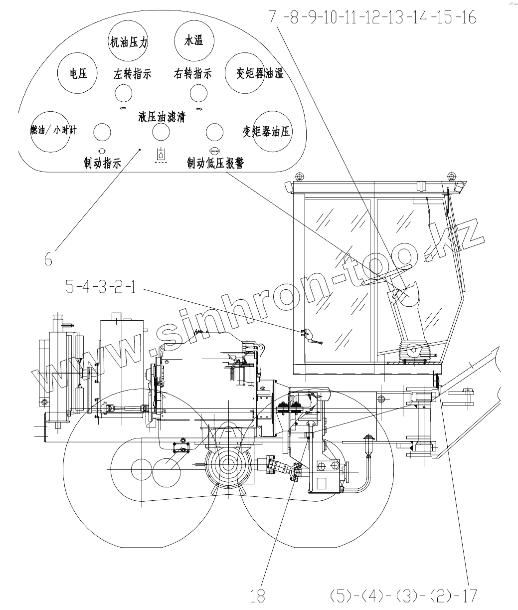
| Позиция на иллюстрации | Заводской номер детали | Название детали | |
|---|---|---|---|
| 1 | 24080008 | Power Switch | |
| 2 | 10030020 | Botl | |
| 3 | 13010004 | Washer | |
| 4 | 13020010 | Washer | |
| 5 | 12020005 | Nut | |
| 6 | 26030379 | Instrument Panel | |
| 7 | 24050014 | Oil TEM. Gauge | |
| 8 | 24050009 | Oil VOL. Gauge | |
| 9 | 24030002 | Instrument Lamp | |
| 10 | 24030001 | Instrument Lamp | |
| 11 | 24030007 | Flashing buzzer | |
| 12 | 24050016 | Water TEM. Gauge | |
| 13 | 24050001 | Voltmeter | |
| 14 | 24050019 | Fule Level Gauge/Hour Meter | |
| 15 | 24050007 | Oil Pressure Gauge | |
| 16 | 24030008 | Shaft Liner | |
| 17 | 24030010 | Mono speaker | |
| 18 | 24060004 | Temperature Sensor |
Содержащиеся в справочниках-каталогах запасные части и детали не предлагаются к продаже, а носят исключительно информационный характер