Каталог запасных частей к технике: XCMG ZL50G. Многоходовой клапан
1
1
2
3
4
5
6
6
7
8
9
9
10
11
12
13
14
15
16
17
18
19
20
21
21
22
23
24
25
26
27
28
29
29
30
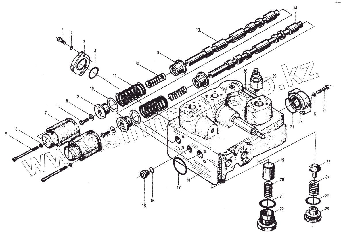
| Позиция на иллюстрации | Заводской номер детали | Название детали | |
|---|---|---|---|
| 1 | GB30-76 | Болт М14х1,5х55 | |
| 2 | GB93-87 | Шайба 12 | |
| 3 | D32-11 | Крышка | |
| 4 | GB1235-76 | Кольцо | |
| 5 | GB70-85 | Болт | |
| 6 | GB93-76 | Шайба | |
| 7 | D32-5 | Передняя крышка | |
| 8 | GB97.1-85 | Шайба | |
| 9 | D32-6 | Стопорная пружина | |
| 10 | D32-9 | Вкладыш | |
| 11 | D32-8 | Пружина | |
| 12 | D32-7 | Пружина | |
| 13 | D32-12 | Рычаг управления наклоном | |
| 14 | D32-2 | Рычаг управления подъемом | |
| 15 | D32-3 | Заглушка | |
| 16 | GB1235-76 | Кольцо | |
| 17 | GB1235-76 | Кольцо | |
| 18 | D32-4 | Корпус | |
| 19 | D32-15 | Впускной клапан | |
| 20 | D32-14 | Пружина | |
| 21 | GB1235-76 | Кольцо | |
| 22 | D32-13 | Крышка впускного клапана | |
| 23 | D32-17 | Контрольный клапан | |
| 24 | D32-16 | Пружина | |
| 25 | GB1235-76 | Кольцо | |
| 26 | D32-19 | Крышка клапана | |
| 27 | GB70-85 | Болт | |
| 28 | D32-1 | Крышка | |
| 29 | D32.2a | Предохранительный клапан | |
| 29 | D32.1 | Предохранительный клапан | |
| 30 | D32.1 | Предохранительный клапан |
Содержащиеся в справочниках-каталогах запасные части и детали не предлагаются к продаже, а носят исключительно информационный характер