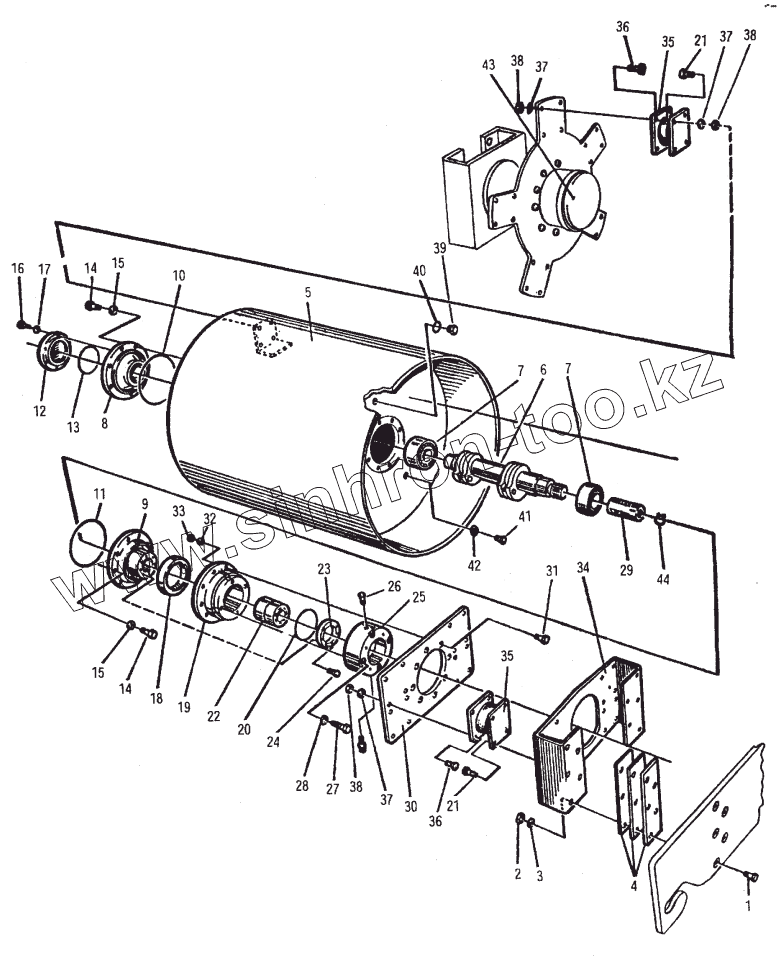
Каталог запасных частей к технике: XCMG YZC7. 40С004 Барабан
1
2
3
4
4
4
5
6
7
7
8
9
10
11
12
13
14
14
15
15
16
17
18
19
20
21
21
22
23
24
25
26
27
28
29
30
31
32
33
34
35
35
36
36
37
37
37
38
38
38
39
40
41
42
43
44
| Позиция на иллюстрации | Заводской номер детали | Название детали | |
|---|---|---|---|
| 1 | С0-6000 | Болт | |
| 2 | С3-3100 | Гайка | |
| 3 | С4-3900 | Шайба | |
| 4 | 402040 | Прокладка | |
| 4 | 402050 | Прокладка | |
| 4 | 402060 | Прокладка | |
| 5 | 402180 | Барабан | |
| 6 | 402200 | Эксцентричный вал | |
| 7 | С9-1591 | Подшипник | |
| 8 | 402090 | Гнездо подшипника | |
| 9 | 402100 | Гнездо подшипника | |
| 10 | А5-2730 | Кольцо | |
| 11 | А5-2720 | Кольцо | |
| 12 | 402160 | Крышка | |
| 13 | А5-2620 | Кольцо | |
| 14 | С0-5560 | Bolt | |
| 15 | С4-3280 | Шайба | |
| 16 | С0-3161 | Болт | |
| 17 | С4-3220 | Шайба | |
| 18 | А5-3660 | Уплотнение | |
| 19 | 402120 | Гнездо подшипника | |
| 20 | А5-2650 | Кольцо | |
| 21 | С0-4285 | Bolt | |
| 22 | С9-2980 | Подшипник | |
| 23 | 402130 | Крышка подшипника | |
| 24 | С2-3500 | Винт | |
| 25 | 402110 | Устройство сопряжения двигателя | |
| 26 | В8-3050 | Filter plug | |
| 27 | С0-4560 | Болт | |
| 28 | С4-3240 | Washer | |
| 29 | 402210 | Шлицевая муфта | |
| 30 | 202545 | Пластина крепления | |
| 31 | С0-5860 | Болт | |
| 32 | С4-3900 | Шайба | |
| 33 | С3-3060 | Nut | |
| 34 | 402140 | Крепление амортизатора | |
| 35 | С4-3860 | Washer | |
| 36 | С0-4345 | Болт | |
| 37 | С4-3860 | Washer | |
| 38 | С3-2980 | Nut | |
| 39 | 202585 | Plug | |
| 40 | А5-4230 | Washer | |
| 41 | 402150 | Заглушка | |
| 42 | А5-4140 | Шайба | |
| 43 | 40С020 | Привод барабана | |
| 44 | С4-1840 | Стопорное кольцо |
Содержащиеся в справочниках-каталогах запасные части и детали не предлагаются к продаже, а носят исключительно информационный характер