Каталог запасных частей к технике: XCMG YZC7. 400090 Двигатель
1
2
3
4
5
6
7
8
9
10
11
12
13
14
15
16
16
17
18
19
20
21
22
22
23
24
25
26
27
27
28
29
30
31
32
33
34
35
36
37
38
39
40
41
42
43
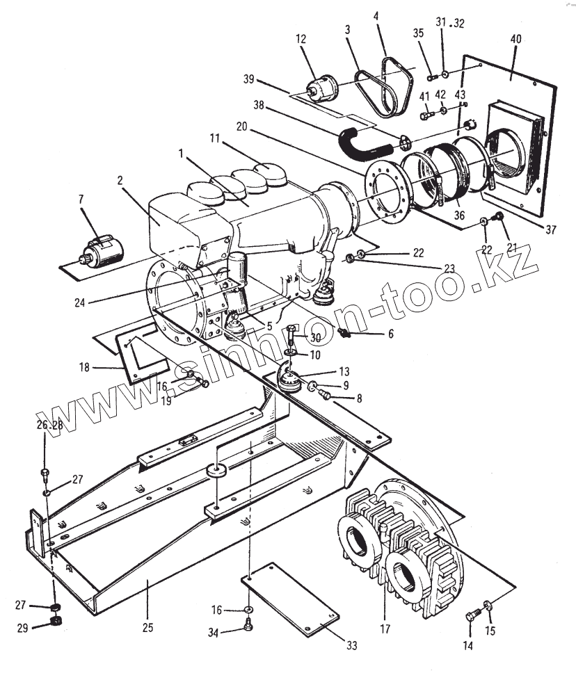
| Позиция на иллюстрации | Заводской номер детали | Название детали | |
|---|---|---|---|
| 1 | А0-0090 | Корпус двигателя | |
| 2 | Охладитель | Охладитель гидравлического масла | |
| 3 | Клиновой ремень | Клиновой ремень генератора переменного тока | |
| 4 | Клиновой ремень вентилятора | Клиновой ремень вентилятора | |
| 5 | Масляный фильтр | Масляный фильтр | |
| 6 | Датчик давления масла | Датчик давления масла | |
| 7 | Стартер | Стартер | |
| 8 | Болт | Болт | |
| 9 | Шайба | Шайба | |
| 10 | Шайба | Шайба | |
| 11 | Прокладка крышки клапанов | Прокладка крышки клапанов | |
| 12 | Генератор переменного тока | Генератор переменного тока | |
| 13 | Кронштейн двигателя | Кронштейн двигателя | |
| 14 | С0-0360 | Bolt | |
| 15 | С4-3220 | Шайба | |
| 16 | С4-3200 | Washer | |
| 17 | 204095 | Зубчатая передача | |
| 18 | 406040 | Пластина | |
| 19 | С0-0200 | Болт | |
| 20 | 406060 | Фланец | |
| 21 | С0-1820 | Болт | |
| 22 | С4-3800 | Шайба | |
| 23 | С3-2920 | Гайка | |
| 24 | Масляный фильтр | Масляный фильтр | |
| 25 | 406020 | Основание двигателя | |
| 26 | С0-5880 | Болт | |
| 27 | С4-3900 | Шайба | |
| 28 | С0-6050 | Болт | |
| 29 | С3-3060 | Nut | |
| 30 | С0-4800 | Болт | |
| 31 | С3-0300 | Гайка | |
| 32 | В8-1010 | Шайба | |
| 33 | 405980 | Крышка | |
| 34 | С0-0140 | Bolt | |
| 35 | С0-1860 | Болт | |
| 36 | 405970 | Шланг | |
| 37 | 406030 | Хомут шланга | |
| 38 | 405960 | Шланг | |
| 39 | В2-0610 | Хомут шланга | |
| 40 | 406010 | Крышка | |
| 41 | С0-0660 | Bolt | |
| 42 | С4-3860 | Washer | |
| 43 | С3-2980 | Nut |
Содержащиеся в справочниках-каталогах запасные части и детали не предлагаются к продаже, а носят исключительно информационный характер