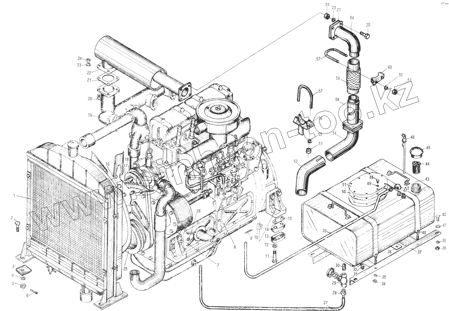
Каталог запасных частей к технике: XCMG YL16 (YL20). YL20 Diesel Engine Connecting Mechanism
1
2
3
4
5
6
7
8
9
10
11
12
13
14
15
16
17
18
19
20
20
21
21
22
23
23
24
24
25
26
27
28
29
30
31
32
33
34
35
36
37
38
39
40
41
42
43
44
45
46
47
48
49
50
51
52
53
53
54
54
55
55
56
57
57
58
59
60
| Позиция на иллюстрации | Заводской номер детали | Название детали | |
|---|---|---|---|
| 1 | Diesel engine radiator | Diesel engine radiator | |
| 2 | M12x55/GB31-1 | Hex. bolt | |
| 3 | Pad | Pad | |
| 4 | 12/GB97-2 | Flat washer | |
| 5 | 1M12/GB6178 | Hex. castle nut | |
| 6 | 3x30/GB91 | Cotter pin | |
| 7 | YL16-3-2-11 | Side cover | |
| 8 | 4135AK-2 | Diesel engine | |
| 9 | 3x30/GB91 | Cotter pin | |
| 10 | M16/GB6178 | Hex. castle nut | |
| 11 | M16x80/GB31-1 | Hex. bolt | |
| 12 | 16/GB97-2 | Flat washer | |
| 13 | 3Y15-5-6-3 | Stabilizer pad box | |
| 14 | 3Y15-5-6-2 | Stabilizer pad | |
| 15 | 3Y15-5-6-3- | Stabilizer pad box cover | |
| 16 | M12x60/GB70 | Bolt | |
| 17 | YL16-3-2-2 | Pad | |
| 18 | YL16-3-2-1 | Pulley | |
| 19 | YL16-8-1-1 | Exhaust pipe | |
| 20 | M12x35/GB5783 | Hex. bolt | |
| 21 | YL16-8-1-2 | Fibre pad | |
| 22 | YL16-8-1-1 | Exhaust pipe | |
| 23 | 12/GB93 | Spring washer | |
| 24 | M12/GB6170 | Hex. nut | |
| 25 | YL16-9-29 | Pulley | |
| 26 | YLl6-3-2-12 | Union | |
| 27 | Oil outlet tube | Oil outlet tube d.10x1.5-1800 | |
| 28 | YL16-8-4-3 | Oil outlet union | |
| 29 | Controlling valve | Controlling valve 1/2 | |
| 30 | YL16-8-4-2 | Connecting pipe | |
| 31 | M22x1.5/JB1000 | Plug | |
| 32 | 22/JB982 | Washer | |
| 33 | Oil return tube | Oil return tube d.10x1.5-2100 | |
| 34 | M10/GB6170 | Hex. nut | |
| 35 | 10/GB93 | Spring washer | |
| 36 | YL16-00-3-1 | Box body | |
| 37 | YL16-00-3-4 | Box seat | |
| 38 | M10/GB6170 | Hex. nut | |
| 39 | 10/GB93 | Spring washer | |
| 40 | YL16-00-3-2 | Wrap | |
| 41 | 10/GB97-2 | Flat washer | |
| 42 | M10x35/GB5783 | Hex. bolt | |
| 43 | YL16-00-3-1 | Box body | |
| 44 | 3Y15-7-1-1 | Oil strainer | |
| 45 | 3Y15-6-2-1 | Oil filler cover | |
| 46 | YL16-00-3-3 | Did rod | |
| 47 | FJ73-63 | 90 elbow | |
| 48 | M8x16/GB5783 | Hex. bolt | |
| 49 | 8/GB93 | Spring washer | |
| 50 | YL16-00-3-3 | Did rod | |
| 51 | YL16-00-3-2 | Wrap | |
| 52 | YL20-8-4-1 | Exhaust pipe | |
| 53 | M8/GB6170 | Hex. nut | |
| 54 | YL20-8-4-2 | Elbow | |
| 55 | 8/GB93 | Spring washer | |
| 56 | YL20-8-4-3 | Bracket | |
| 57 | YZ10-8-3-2-1 | U-bolt M8 | |
| 58 | YL20-8-4-4 | Connecting pipe | |
| 59 | Pipe | Pipe | |
| 60 | YZ10-8-3-2-2 | Bracket |
Содержащиеся в справочниках-каталогах запасные части и детали не предлагаются к продаже, а носят исключительно информационный характер