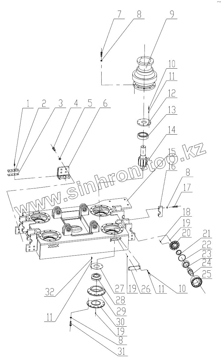
Каталог запасных частей к технике: XCMG XZ680A. 425801953 The Power Unit
1
2
3
4
5
6
7
8
8
8
9
10
10
11
11
11
12
13
14
15
16
17
18
19
19
19
20
21
22
23
24
25
26
27
28
29
30
31
32
| Позиция на иллюстрации | Заводской номер детали | Название детали | |
|---|---|---|---|
| 1 | 805140387 | Screw | |
| 2 | 425802019 | Sliding Rails | |
| 3 | 425802020 | Pad Sakamoto | |
| 4 | 805047583 | Screw | |
| 5 | 805338321 | Washer | |
| 6 | 425802021 | Plate | |
| 7 | 805139922 | Screw | |
| 8 | 805338263 | Spring Washer | |
| 9 | 800352910 | Reduction Box | |
| 10 | 805046509 | Bolt | |
| 11 | 805338259 | Washer | |
| 12 | 425802446 | Cover Plate | |
| 13 | 800553893 | Bearing | |
| 14 | 425802029 | Gear Shaft | |
| 15 | 425801989 | Push-Pull Box | |
| 16 | 425802018 | Stop Blocking | |
| 17 | 805139922 | Screw | |
| 18 | 805103986 | Screw | |
| 19 | 801138906 | Cap | |
| 20 | 425802026 | Cover Plate | |
| 21 | 803377678 | Seal Ring | |
| 22 | 425800184 | Plate | |
| 23 | 800553673 | Bearing | |
| 24 | 425802027 | Wheel Spindle | |
| 25 | 425800183 | Roller Case | |
| 26 | 425802028 | Cover Plate | |
| 27 | 425802031 | Plate | |
| 28 | 805805657 | Bearing | |
| 29 | 425802032 | Bearing Sleeve | |
| 30 | 425802033 | Cover Plate | |
| 31 | 805000695 | Bolt | |
| 32 | 805000033 | Болт М8х16 |
Содержащиеся в справочниках-каталогах запасные части и детали не предлагаются к продаже, а носят исключительно информационный характер