Вернуться на главную
Поиск
Каталоги запчастей к технике
Спецтехника
XCMG
XZ680A
425801751 Clamp
Каталог запасных частей к технике: XCMG XZ680A. 425801751 Clamp
zoom-in
zoom-out
enlarge
shrink
circle-right
circle-left
file-text2
info
cart
Тип техники
Не выбрано
Легковые автомобили
Грузовые автомобили и прицепы
Автобусы
Сельхозтехника
Спецтехника
Двигатели
Мототехника
Марка
Не выбрано
Ammann
BOMAG
CARMIX
CASE IH
Changlin
ChengGong
Dimex
Doosan
DYNAPAC
Foton
HAMM
Hidromek
Hitachi
Hyundai
JCB
JLG
John Deere
Komatsu
LIEBHERR
LiuGong
Lonking (LongGong)
Luneng
MANITOU
Mitsuber
New Holland
PENGPU
RM-Terex
SANY
SDLG
SEM
Shantui
Shehwa HBXG
Soosan
TIGARBO
VOGELE
Volvo
WAY
WIRTGEN
XCMG
XGMA
Xiamen
YTO
Yuchai
Zoomlion
Автокран
АЗСМ
Алтайлесмаш
Амкодор
АОМЗ
Атек
АТЗ
Балканкар Рекорд
БелАЗ
Беловеж
Борекс
Брянский Арсенал
Булат
ВЭКС
ГАЗ
Геомаш
Гидромаш
Донекс
Дормаш
Дормашина
Дорэлектромаш
ДЭЗ
ЕлАЗ
ЗЗГТ
Ижнефтемаш
Канаш-электрокар
КЗКТ
ККЗ
Клевер
Клинцовский автокрановый завод
КМЗ
КМЗ 1 Мая
Ковровец
Коммаш
Кранэкс
КЭЗ
КЭМЗ
ЛЗА
МАЗ
МЗИК
МЗКМ
МЗКТ
Михневский РМЗ
МоАЗ
Мозырский МЗ
МТЗ
ОЗП
Онежец
ПАО "ТЗА"
ППС Детва
Промтрактор
ПТЗ
Раскат
СпецАгрегат
ТВЭКС
ТТМ
УВЗ
Угличмаш
УЗТМ
ХТЗ
ЧЗКМ
ЧСДМ
ЧТЗ
ЭКСКО
ЭКСМАШ
ЮрМаш
Модель
Не выбрано
500KN, 500KSN (2013)
DT-140B (2010)
LW-166 (2008)
LW-541F (2010)
LW300FN (2013)
LW300KN (2013)
LW321F (2010)
QY25K (2010)
QY25K5-I (2009)
QY30K5-I (2009)
QY30KH (2009)
QY30KL (2009)
QY30KT5 (2009)
QY50K (2010)
QY50K (вариант) (2010)
QY65K (2010)
QY70K (2010)
QY70K (вариант) (2010)
WZ30-25 (2008)
WZ30-25 (англ.) (2008)
XCT25L4_S (2019)
XCT25L5_S (2019)
XE150D (2011)
XE230 (2011)
XE80 (2012)
XS143 (2017)
XS160 (XS190) (2010)
XSM218 (XSM220) (2010)
XSM218, XSM220 (2010)
XZ16K-XZ50K (2010)
XZ200 (2014)
XZ320 (2012)
XZ360E (2016)
XZ500 (2012)
XZ65K (2010)
XZ680A (2014)
YL16 (YL20) (2008)
YZC7 (2010)
ZL30BR (2014)
ZL30G (2008)
ZL30H (2012)
ZL50G (2008)
Автогрейдер-GR135 (2012)
ГНБ XZ-180 (2012)
Катки XD30, XD40 (2008)
Раб. оборуд. грейдеров GR (2010)
Схема
>
Не выбрано
425802063 XZ680A Horizontal Directional Drill
425802410 Lorry Crane
425801751 Clamp
425801751 Clamp
425801751 Clamp
426100857 Cab Assembly
426100857 Cab Assembly
425801791 Heating And Cooling Equipment
425801953 The Power Unit
425801953 The Power Unit
425801953 The Power Unit
425802384 Hydraulic System, Pump (in the Engine Hood & Covers)
425802384 Hydraulic System, Push-Pull valve one (in the Bracket)
425802384 Hydraulic System, Push-Pull valve two (in the Bracket)
425802384 Hydraulic System
425802384 Hydraulic System
425802384 Hydraulic System (balance assembly (on the Power Unit))
425802384 Hydraulic System
425802384 Hydraulic System
425802384 Hydraulic System
425802384 Hydraulic System
425802384 Hydraulic System
425802384 Hydraulic System
425802384 Hydraulic System
425802384 Hydraulic System (Clamp Valve (on the Clamp))
425802384 Hydraulic System (Solenoid Valve (in the Engine Hood & Covers))
425802384 Hydraulic System (The cab rotating cylinder (under the cab))
425802384 Hydraulic System (donkey punp(in the Engine Hood & Covers))
425802384 Hydraulic System (Solenoid Valve Assembly (in the Engine Hood & Covers))
425802384 Hydraulic System
425802384 Hydraulic System (Jack operating (Chassis left back))
425802384 Hydraulic System
425802384 Hydraulic System (Drill Sliding Cylinder (under the Drill Frame))
425802384 Hydraulic System (Support Oil Cylinder (Chassis back))
425802384 Hydraulic System (Lorry Crane)
425802384 Hydraulic System (return valve in the Engine Hood & Covers)
425802352 Hydraulic Tank
425802352 Hydraulic Tank
425802352 Hydraulic Tank
425801820 Drill Frame
425801820 Drill Frame
425803107 Control Cabinet
425802220 Right Control Panel
425802213 Left Control Panel
425802210 Instruments Panel
425802222 Front Control Panel
425801790 Engine System
425802146 Air Filter Assembly
426101586 Radiator Assembly
426101587 Muffler System
425802228 Engine Hood & Covers
425802206 Mud Systerm
425802206 Mud Systerm
425803356 Mud Swivel
425802064 Chassis
425802119 Outrigger Tube Left
425802120 Outrigger Tube Right
426101625 Bracket
425801795 Fuel Tank
425802991 Platform Assembly
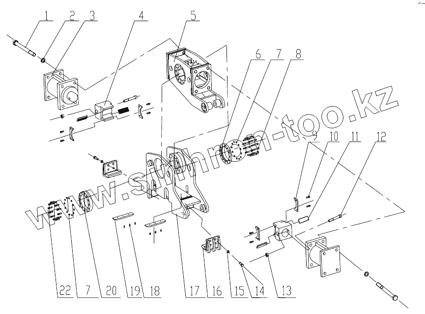
1
2
3
4
5
6
7
7
8
9
10
11
12
13
14
15
16
17
18
19
20
Позиция на иллюстрации
Заводской номер детали
Название детали
1
805047604
Bolt
2
805338444
Washer
3
803077847
Cylinder
4
425800218
Jaw Block
5
425801781
Clamp
6
425800222
Plate
7
805338261
Spring Washer
8
805100686
Screw
9
425800219
Plate
10
805100039
Screw
11
425800220
Gripper Insert
12
805140534
Screw
13
805200117
Гайка M24
14
805000378
Bolt
15
805300023
Шайба 20
16
425800229
Plate
17
425801759
Sand
18
805100137
Screw
19
425801767
Block
20
425800224
Plate
21
805139877
Bolt
Содержащиеся в справочниках-каталогах запасные части и детали не предлагаются к продаже, а носят исключительно информационный характер
Дополнительная информация
×
Название:
Номер:
Примечание: