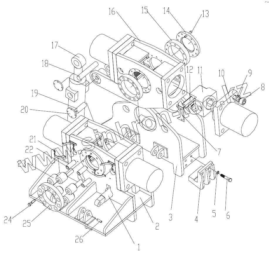
Каталог запасных частей к технике: XCMG XZ500. 0041905121 Clamp
1
2
3
4
5
6
7
8
9
10
11
12
13
14
15
16
17
18
19
20
21
22
23
24
25
26
| Позиция на иллюстрации | Заводской номер детали | Название детали | |
|---|---|---|---|
| 1 | 0041912047 | Cylinder | |
| 2 | 0041905132 | Clamp | |
| 3 | 0041905122 | Clamp | |
| 4 | 0041905206 | Hook Plate | |
| 5 | 104040006 | Washer 20 | |
| 6 | 104000125 | Bolt M20X45 | |
| 7 | 0041905213 | Baffle | |
| 8 | 104000936 | Bolt | |
| 9 | 104040066 | Washer | |
| 10 | 0041912080 | Cylinder | |
| 11 | 0041905210 | Holding | |
| 12 | 0041905211 | Tooth | |
| 13 | 104020386 | Screw | |
| 14 | 0041905164 | Plate | |
| 15 | 0041905165 | Plate | |
| 16 | 0041905155 | Clamp | |
| 17 | 0041912054 | Cylinder | |
| 18 | 0041905168 | Pin | |
| 19 | 0041905169 | Pin | |
| 20 | 0041905039 | Baffle | |
| 21 | 0041505078 | Plate | |
| 22 | 004110498 | Pipe | |
| 23 | 004110497 | Idler Wheel | |
| 24 | 004110499 | Bolt | |
| 25 | 0041905167 | Baffle | |
| 26 | 0041905214 | Pin |
Содержащиеся в справочниках-каталогах запасные части и детали не предлагаются к продаже, а носят исключительно информационный характер