Вернуться на главную
Поиск
Каталоги запчастей к технике
Спецтехника
XCMG
XZ360E
425102752 Exhaust System
Каталог запасных частей к технике: XCMG XZ360E. 425102752 Exhaust System
zoom-in
zoom-out
enlarge
shrink
circle-right
circle-left
file-text2
info
cart
Тип техники
Не выбрано
Легковые автомобили
Грузовые автомобили и прицепы
Автобусы
Сельхозтехника
Спецтехника
Двигатели
Мототехника
Марка
Не выбрано
Ammann
BOMAG
CARMIX
CASE IH
Changlin
ChengGong
Dimex
Doosan
DYNAPAC
Foton
HAMM
Hidromek
Hitachi
Hyundai
JCB
JLG
John Deere
Komatsu
LIEBHERR
LiuGong
Lonking (LongGong)
Luneng
MANITOU
Mitsuber
New Holland
PENGPU
RM-Terex
SANY
SDLG
SEM
Shantui
Shehwa HBXG
Soosan
TIGARBO
VOGELE
Volvo
WAY
WIRTGEN
XCMG
XGMA
Xiamen
YTO
Yuchai
Zoomlion
Автокран
АЗСМ
Алтайлесмаш
Амкодор
АОМЗ
Атек
АТЗ
Балканкар Рекорд
БелАЗ
Беловеж
Борекс
Брянский Арсенал
Булат
ВЭКС
ГАЗ
Геомаш
Гидромаш
Донекс
Дормаш
Дормашина
Дорэлектромаш
ДЭЗ
ЕлАЗ
ЗЗГТ
Ижнефтемаш
Канаш-электрокар
КЗКТ
ККЗ
Клевер
Клинцовский автокрановый завод
КМЗ
КМЗ 1 Мая
Ковровец
Коммаш
Кранэкс
КЭЗ
КЭМЗ
ЛЗА
МАЗ
МЗИК
МЗКМ
МЗКТ
Михневский РМЗ
МоАЗ
Мозырский МЗ
МТЗ
ОЗП
Онежец
ПАО "ТЗА"
ППС Детва
Промтрактор
ПТЗ
Раскат
СпецАгрегат
ТВЭКС
ТТМ
УВЗ
Угличмаш
УЗТМ
ХТЗ
ЧЗКМ
ЧСДМ
ЧТЗ
ЭКСКО
ЭКСМАШ
ЮрМаш
Модель
Не выбрано
500KN, 500KSN (2013)
DT-140B (2010)
LW-166 (2008)
LW-541F (2010)
LW300FN (2013)
LW300KN (2013)
LW321F (2010)
QY25K (2010)
QY25K5-I (2009)
QY30K5-I (2009)
QY30KH (2009)
QY30KL (2009)
QY30KT5 (2009)
QY50K (2010)
QY50K (вариант) (2010)
QY65K (2010)
QY70K (2010)
QY70K (вариант) (2010)
WZ30-25 (2008)
WZ30-25 (англ.) (2008)
XCT25L4_S (2019)
XCT25L5_S (2019)
XE150D (2011)
XE230 (2011)
XE80 (2012)
XS143 (2017)
XS160 (XS190) (2010)
XSM218 (XSM220) (2010)
XSM218, XSM220 (2010)
XZ16K-XZ50K (2010)
XZ200 (2014)
XZ320 (2012)
XZ360E (2016)
XZ500 (2012)
XZ65K (2010)
XZ680A (2014)
YL16 (YL20) (2008)
YZC7 (2010)
ZL30BR (2014)
ZL30G (2008)
ZL30H (2012)
ZL50G (2008)
Автогрейдер-GR135 (2012)
ГНБ XZ-180 (2012)
Катки XD30, XD40 (2008)
Раб. оборуд. грейдеров GR (2010)
Схема
>
Не выбрано
425403245 XZ360E Horizontal Directional Drill XZ360E HDD
425102536 Anchoring System Standard
425101442 Anchoring Syste Optional
Anchor Hydraulic Assembly
425101780 Anchoring System Optional
425402513 Clamp
425402504 Upper Clamp
425402512 Lower Clamp
425402500 Guide Frame
425400194 Clamp Block
425402671 Operators Station
425402489 Air-condition Optional
425402546 Air-condition Optional
425402679 Meter Box I
425402679 Meter Box II
425402679 Meter Box III
425402468 Right Handrail Box
425402424 Relay Panel
425403090 Drill Frame
425402640 Chassis
425402471 Running Device
425401774 Left Outrigger
425401792 Right Outrigger
425102562 Footboard
425101790 Engine Cover
425402787 Full-automatic Pipe Loader
425402462 Front Rod Loader Arm
425402895 Semi-automatic Pipeloader
425402517 Engine System
425102204 Intake System
425402522 Cooling System
425102860 Exhaust System
425402959 Support Assembly
425402617 Engine System
425402611 Intake System
425402616 Cooling System
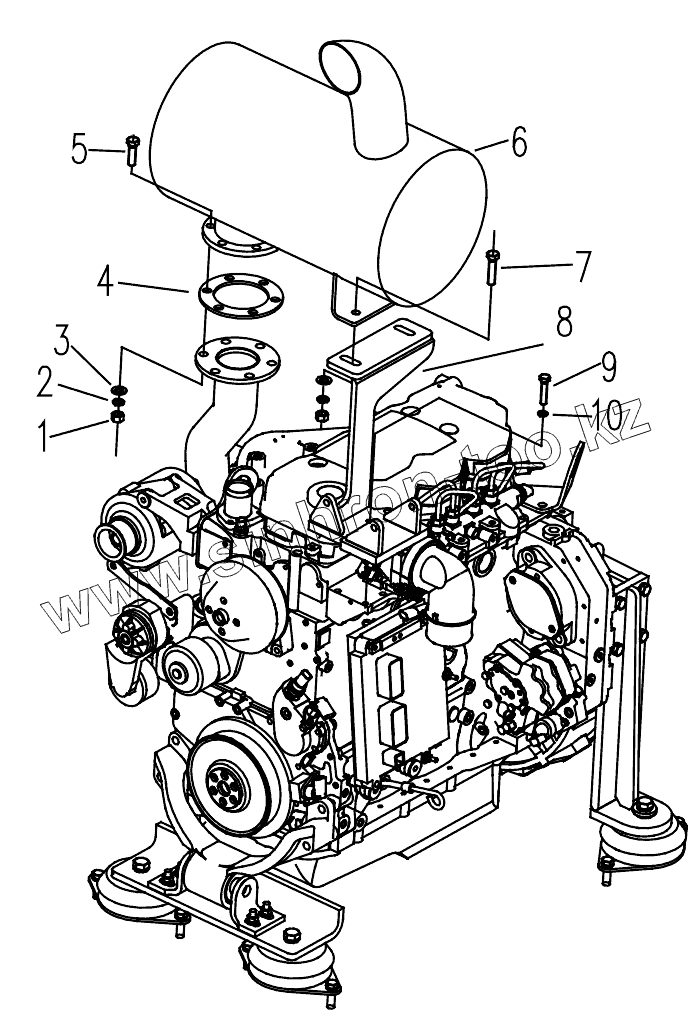
425102752 Exhaust System
425402615 Support Assembly
425403088 Engine System
425103309 Intake System
425403085 Cooling System
425102860 Exhaust System
425103316 Support Assembly
425402769 Hydraulic System
425402769 Hydraulic System
425402769 Hydraulic System
425402769 Hydraulic System
425402769 Hydraulic System
425402769 Hydraulic System
425402769 Hydraulic System
425402769 Hydraulic System
425402769 Hydraulic System
425402769 Hydraulic System
425402769 Hydraulic System
425402769 Hydraulic Tank
425403098 Carriage
425402604 Rotating Assembly
425402602 Push-pull Assembly
425102844 Fuel Tank
425402583 Mud System
425402156 Mud Antifreeze Device Optional
425803755 Mud Washing Device Optional
425103222 Mud Swivel
1
2
3
4
5
6
7
8
9
10
Позиция на иллюстрации
Заводской номер детали
Название детали
1
805200049
Гайка М12
2
805300018
Шайба 12
3
805300020
Шайба 12
4
425103059
Gasket
5
805000045
Болт M12x40
6
800154073
Muffler
7
805000023
Bolt
8
425102753
Bracket
9
805046455
Bolt
10
805300014
Шайба 10
Содержащиеся в справочниках-каталогах запасные части и детали не предлагаются к продаже, а носят исключительно информационный характер
Дополнительная информация
×
Название:
Номер:
Примечание: