Каталог запасных частей к технике: XCMG XSM218 (XSM220). Управление сцеплением
1
2
3
4
5
5
6
7
7
8
8
9
10
11
12
13
14
14
14
15
16
16
16
17
17
18
19
20
21
22
24
24
25
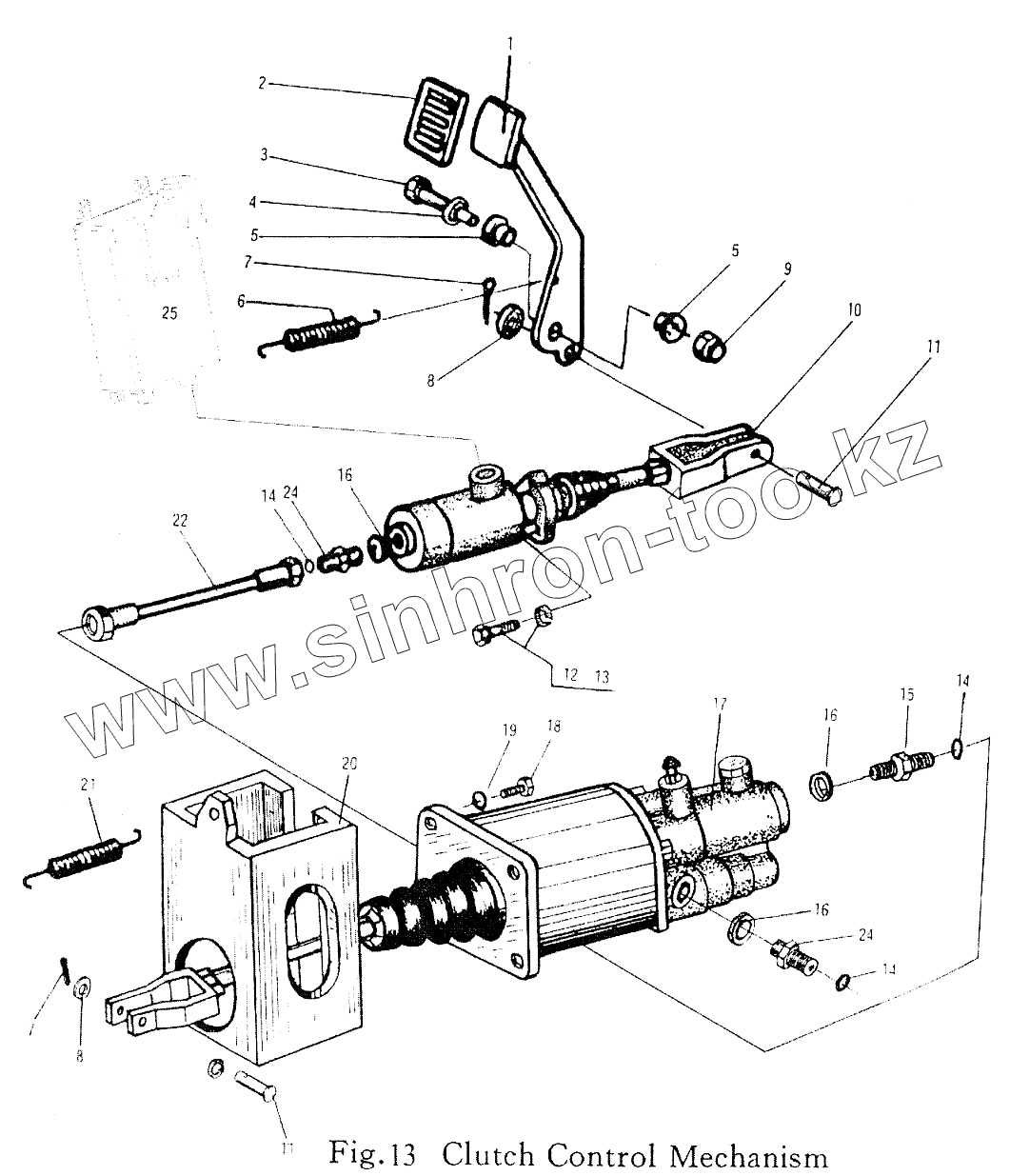
| Позиция на иллюстрации | Заводской номер детали | Название детали | |
|---|---|---|---|
| 1 | 34H620 | Brake Valve | |
| 2 | 203055 | Rubber foot pedal | |
| 3 | C0-4840 | Bolt | |
| 4 | C4-4046 | Washer | |
| 5 | 203045 | Bushing | |
| 6 | 223020 | Spring | |
| 7 | C6-4160 | Pin | |
| 8 | C4-4045 | Washer | |
| 9 | C3-0460 | Nut | |
| 10 | A6-3025 | Clutch cylinder | |
| 11 | C6-3121 | Pin | |
| 12 | C0-2480 | Bolt | |
| 13 | C4-3200 | Washer | |
| 14 | A5-2030 | O-ring | |
| 15 | A3-1825 | Connector | |
| 16 | A5-4150 | Washer | |
| 17 | A6-3026 | Clutch cylinder | |
| 18 | C0-3320 | Bolt | |
| 19 | C4-3840 | Washer | |
| 20 | 34H605 | Adaptor | |
| 21 | 34H607 | Spring | |
| 22 | 391182 | Copper pipe | |
| 23 | A5-4150 | Washer | |
| 24 | 62790 | Filter | |
| 25 | 39E421 | Oil Cup |
Содержащиеся в справочниках-каталогах запасные части и детали не предлагаются к продаже, а носят исключительно информационный характер