Вернуться на главную
Поиск
Каталоги запчастей к технике
Спецтехника
XCMG
XE80
310400093 Frame
Каталог запасных частей к технике: XCMG XE80. 310400093 Frame
zoom-in
zoom-out
enlarge
shrink
circle-right
circle-left
file-text2
info
cart
Тип техники
Не выбрано
Легковые автомобили
Грузовые автомобили и прицепы
Автобусы
Сельхозтехника
Спецтехника
Двигатели
Мототехника
Марка
Не выбрано
Ammann
BOMAG
CARMIX
CASE IH
Changlin
ChengGong
Dimex
Doosan
DYNAPAC
Foton
HAMM
Hidromek
Hitachi
Hyundai
JCB
JLG
John Deere
Komatsu
LIEBHERR
LiuGong
Lonking (LongGong)
Luneng
MANITOU
Mitsuber
New Holland
PENGPU
RM-Terex
SANY
SDLG
SEM
Shantui
Shehwa HBXG
Soosan
TIGARBO
VOGELE
Volvo
WAY
WIRTGEN
XCMG
XGMA
Xiamen
YTO
Yuchai
Zoomlion
Автокран
АЗСМ
Алтайлесмаш
Амкодор
АОМЗ
Атек
АТЗ
Балканкар Рекорд
БелАЗ
Беловеж
Борекс
Брянский Арсенал
Булат
ВЭКС
ГАЗ
Геомаш
Гидромаш
Донекс
Дормаш
Дормашина
Дорэлектромаш
ДЭЗ
ЕлАЗ
ЗЗГТ
Ижнефтемаш
Канаш-электрокар
КЗКТ
ККЗ
Клевер
Клинцовский автокрановый завод
КМЗ
КМЗ 1 Мая
Ковровец
Коммаш
Кранэкс
КЭЗ
КЭМЗ
ЛЗА
МАЗ
МЗИК
МЗКМ
МЗКТ
Михневский РМЗ
МоАЗ
Мозырский МЗ
МТЗ
ОЗП
Онежец
ПАО "ТЗА"
ППС Детва
Промтрактор
ПТЗ
Раскат
СпецАгрегат
ТВЭКС
ТТМ
УВЗ
Угличмаш
УЗТМ
ХТЗ
ЧЗКМ
ЧСДМ
ЧТЗ
ЭКСКО
ЭКСМАШ
ЮрМаш
Модель
Не выбрано
500KN, 500KSN (2013)
DT-140B (2010)
LW-166 (2008)
LW-541F (2010)
LW300FN (2013)
LW300KN (2013)
LW321F (2010)
QY25K (2010)
QY25K5-I (2009)
QY30K5-I (2009)
QY30KH (2009)
QY30KL (2009)
QY30KT5 (2009)
QY50K (2010)
QY50K (вариант) (2010)
QY65K (2010)
QY70K (2010)
QY70K (вариант) (2010)
WZ30-25 (2008)
WZ30-25 (англ.) (2008)
XCT25L4_S (2019)
XCT25L5_S (2019)
XE150D (2011)
XE230 (2011)
XE80 (2012)
XS143 (2017)
XS160 (XS190) (2010)
XSM218 (XSM220) (2010)
XSM218, XSM220 (2010)
XZ16K-XZ50K (2010)
XZ200 (2014)
XZ320 (2012)
XZ360E (2016)
XZ500 (2012)
XZ65K (2010)
XZ680A (2014)
YL16 (YL20) (2008)
YZC7 (2010)
ZL30BR (2014)
ZL30G (2008)
ZL30H (2012)
ZL50G (2008)
Автогрейдер-GR135 (2012)
ГНБ XZ-180 (2012)
Катки XD30, XD40 (2008)
Раб. оборуд. грейдеров GR (2010)
Схема
>
Не выбрано
310400093 Frame
310400093 Frame
310400093 Swing Device
800513364 Swing Bearing Parts
310400343 Counter Weight Support
310401695 Protector Assembly
310401695 Protector Assembly
310401695 Protector Assembly
310400085 Cab Assembly
310400085 Cab Assembly
310400085 Cab Assembly
310400085 Cab Assembly
310400272 Engine System
310400272 Engine System
310400272 Engine System
310400272 Engine System
310400272 Engine System
800147229 Crankshaft Pulley
800147249 Block, Cylinder
800147248 Block, Cylinder
800147277 Crankshaft, Engine
800147511 Camshaft
800147512 Tappet
800147530 Drive, Front Gear Train Acc
800147552 Alternator
800147558 Fan Drive Belt
800147570 Tach Drive Cover
800147575 Fan Pulley
800147576 Fan Pulley Mounting
800147592 Fuel Filter
800147605 Housing Flywheel
800147617 Fuel Pump Mounting
800147642 Fuel Plumbing
800147643 Fuel Return
800147654 Flywheel And Ring Gear
800147662 Cover, Front Gear
800147663 Idler Gear
800147669 Cabin Heater Plumbing
800147677 Head Cylinder
800147678 Connection, Air Intake
800147691 Injector
800147692 Intake Manifold
800147706 Arrangement, Lifting
800147707 Rear Engine Bracket
800147730 Oil Gauge
800147739 Lubricating Oil Pump
800147750 Oil Fill Arrangement
800147757 Lubricating Oil Filter
800147759 Pan Oil
800147793 Piston Engine
800147852 Lever, Rocker
800147873 Sensor Plumbing
800147874 Temperature Gauge
800147927 Plumbing, Turbocharger
800147940 Turbo-Charger
800147941 Сover Valve
800147941 Cover Valve
800147964 Connection, Water Outlet
800147970 Pump, Water
800147984 Exhaust Manifold
800147985 Exhaust Connector
310403663 Fuel Tank, Hydraulic Oil Tank
310400254 Upper Hydraulic Piping
310400254 Upper Hydraulic Piping
310400254 Upper Hydraulic Piping
310400254 Upper Hydraulic Piping
310400254 Upper Hydraulic Piping
310400254 Upper Hydraulic Piping
803007133 Swing Motor
803007133 Swing Motor
803007133 Swing Motor
803007180 Main Pump
803007180 Main Pump
803007180 Main Pump
803007187 Main Valve
803007187 Main Valve
803007187 Main Valve
803007187 Main Valve
803007187 Main Valve
803007187 Main Valve
310400209 Pilot Hydraulic Piping
310400209 Pilot Hydraulic Piping
310400209 Pilot Hydraulic Piping
310400209 Pilot Hydraulic Piping
310400211 Pilot valve assembly
310400212 Pilot valve assembly
310400215 Pilot Valve Assembly
310400216 Pilot Valve Assembly
310400217 Pilot Hydraulic Piping
310400219 Pilot Valve Assembly
310400211 Pilot Hydraulic Piping
803007181 Left Pilot Valve
803007182 Right Pilot Valve
803007190 Pedal Pilot Valve
310403522 Electric System
310403522 Electric System
310403522 Electric System
310403522 Electric System
310403522 Electric System
310403522 Electric System
310403522 Electric System
310403522 Electric System
310403522 Electric System
310403522 Electric System
310400349 Air Conditioner System
310400349 Air Conditioner System
310400349 Air Conditioner System
310403152 Undercarriage Assy
310403152 Undercarriage Assy
800305412 Track Chain Assy
800305465 Adjuster Assy
310400302 Base Hydraulic Piping
310403141 Turing Joint assembly
800305591 Turing Joint
803007194 Travel Motor
803007194 Travel Motor
803007194 Travel Motor
803007269 Dozer Cylinder
310400022 Worker
310400022 Worker
310400070 Bucket (0.34m3, 750mm)
310401892 Bucket (0.14m3, 400mm)
310401987 Front Piping
803007262 Boom Cylinder
803007260 Arm Cylinder
803007260 Arm Cylinder
803007261 Buket Cylinder
803007263 Breaker
310401557 Breaker Piping
310401557 Breaker Piping
310403345 Name Plate
310403345 Name Plate
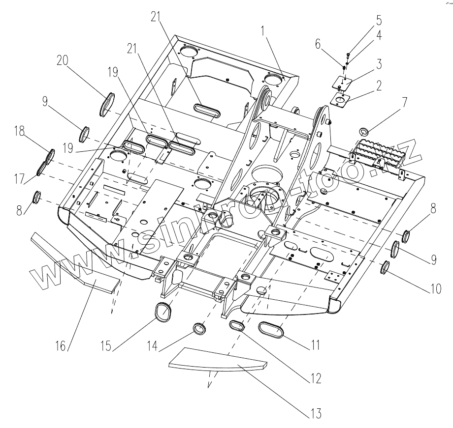
1
2
3
4
5
6
7
8
8
9
9
10
11
12
13
14
15
16
17
18
19
19
20
21
21
Позиция на иллюстрации
Заводской номер детали
Название детали
1
310400093
Main Frame
2
310400198
Mat
3
310400197
Cover
4
805338260
Spring Washer
5
805046473
BOLT M10x30
6
801100339
Масленка 45°М10х1
7
310400190
Rubber
8
310400191
Rubber
9
310400201
Rubber
10
310400194
Rubber
11
310400181
Rubber
12
310400180
Rubber
13
310400204
Sponge
14
310400200
Rubber
15
310400199
Rubber
16
310400189
Sponge
17
310400187
Rubber
18
310400202
Rubber
19
310400186
Rubber
20
310400185
Rubber
21
310400188
Rubber
Содержащиеся в справочниках-каталогах запасные части и детали не предлагаются к продаже, а носят исключительно информационный характер
Дополнительная информация
×
Название:
Номер:
Примечание: