Вернуться на главную
Поиск
Каталоги запчастей к технике
Спецтехника
XCMG
XE230
Engine System
Каталог запасных частей к технике: XCMG XE230. Engine System
zoom-in
zoom-out
enlarge
shrink
circle-right
circle-left
file-text2
info
cart
Тип техники
Не выбрано
Легковые автомобили
Грузовые автомобили и прицепы
Автобусы
Сельхозтехника
Спецтехника
Двигатели
Мототехника
Марка
Не выбрано
Ammann
BOMAG
CARMIX
CASE IH
Changlin
ChengGong
Dimex
Doosan
DYNAPAC
Foton
HAMM
Hidromek
Hitachi
Hyundai
JCB
JLG
John Deere
Komatsu
LIEBHERR
LiuGong
Lonking (LongGong)
Luneng
MANITOU
Mitsuber
New Holland
PENGPU
RM-Terex
SANY
SDLG
SEM
Shantui
Shehwa HBXG
Soosan
TIGARBO
VOGELE
Volvo
WAY
WIRTGEN
XCMG
XGMA
Xiamen
YTO
Yuchai
Zoomlion
Автокран
АЗСМ
Алтайлесмаш
Амкодор
АОМЗ
Атек
АТЗ
Балканкар Рекорд
БелАЗ
Беловеж
Борекс
Брянский Арсенал
Булат
ВЭКС
ГАЗ
Геомаш
Гидромаш
Донекс
Дормаш
Дормашина
Дорэлектромаш
ДЭЗ
ЕлАЗ
ЗЗГТ
Ижнефтемаш
Канаш-электрокар
КЗКТ
ККЗ
Клевер
Клинцовский автокрановый завод
КМЗ
КМЗ 1 Мая
Ковровец
Коммаш
Кранэкс
КЭЗ
КЭМЗ
ЛЗА
МАЗ
МЗИК
МЗКМ
МЗКТ
Михневский РМЗ
МоАЗ
Мозырский МЗ
МТЗ
ОЗП
Онежец
ПАО "ТЗА"
ППС Детва
Промтрактор
ПТЗ
Раскат
СпецАгрегат
ТВЭКС
ТТМ
УВЗ
Угличмаш
УЗТМ
ХТЗ
ЧЗКМ
ЧСДМ
ЧТЗ
ЭКСКО
ЭКСМАШ
ЮрМаш
Модель
Не выбрано
500KN, 500KSN (2013)
DT-140B (2010)
LW-166 (2008)
LW-541F (2010)
LW300FN (2013)
LW300KN (2013)
LW321F (2010)
QY25K (2010)
QY25K5-I (2009)
QY30K5-I (2009)
QY30KH (2009)
QY30KL (2009)
QY30KT5 (2009)
QY50K (2010)
QY50K (вариант) (2010)
QY65K (2010)
QY70K (2010)
QY70K (вариант) (2010)
WZ30-25 (2008)
WZ30-25 (англ.) (2008)
XCT25L4_S (2019)
XCT25L5_S (2019)
XE150D (2011)
XE230 (2011)
XE80 (2012)
XS143 (2017)
XS160 (XS190) (2010)
XSM218 (XSM220) (2010)
XSM218, XSM220 (2010)
XZ16K-XZ50K (2010)
XZ200 (2014)
XZ320 (2012)
XZ360E (2016)
XZ500 (2012)
XZ65K (2010)
XZ680A (2014)
YL16 (YL20) (2008)
YZC7 (2010)
ZL30BR (2014)
ZL30G (2008)
ZL30H (2012)
ZL50G (2008)
Автогрейдер-GR135 (2012)
ГНБ XZ-180 (2012)
Катки XD30, XD40 (2008)
Раб. оборуд. грейдеров GR (2010)
Схема
>
Не выбрано
Frame
Frame
Swing Device
Counter Weight Support
Tool Cover
Stay
Protector
Protector
Protector
Protector
Protector
Protector
Protector
Protector
Cab Assy
Cab Assy
Cab Assy
Cab Assy
Cab
Engine System
Engine System
Engine System
Engine System
Engine System
Engine System
Engine System
Engine System
Engine System
Engine
Fuel Tank
Upper Hydraulic Piping
Upper Hydraulic Piping
Upper Hydraulic Piping
Upper Hydraulic Piping
Upper Hydraulic Piping
Upper Hydraulic Piping
Upper Hydraulic Piping
Upper Hydraulic Piping
Upper Hydraulic Piping
Upper Hydraulic Piping
Upper Hydraulic Piping
Hydraulic Oil Tank
Swing Motor
Swing Motor
Main Pump
Main Valve
Main Valve
Main VaIve
Main VaIve
Main Valve
Pilot Hydraulic Piping
Pilot Hydraulic Piping
Pilot Hydraulic Piping
Pilot Hydraulic Piping
Pilot Hydraulic Piping
Pilot Hydraulic Piping
Pilot Hydraulic Piping
Pilot Hydraulic Piping
Pilot Hydraulic Piping
Pilot Hydraulic Piping
Pilot Hydraulic Piping
Left Pilot VaIve
Right Pilot Valve
Pedal Pilot VaIve
Electric System
Electric System
Electric System
Electric System
Electric System
Electric System
Electric System
Electric System
Electric System
Electric System
Air Conditioner System 1
Air Conditioner System 1
Air Conditioner System 1
Air Conditioner System 1
Air Conditioner System 2
Air Conditioner System 2
Air Conditioner System 2
Air Conditioner System 2
Undercarriage Assy
Undercarriage Assy
Undercarriage Assy
Track Chain
Track Chain
Adjuster
Adjuster
Base Hydraulic Piping
Turning Joint
Travel Motor
Travel Motor
Travel Motor
Worker
Worker
Bucket
Grease Piping
Front Piping
Boom Cylinder (L)
Boom Cylinder (R)
Arm Cylinder
Bucket Cylinder
Breaker
Breaker Piping
Name Plate
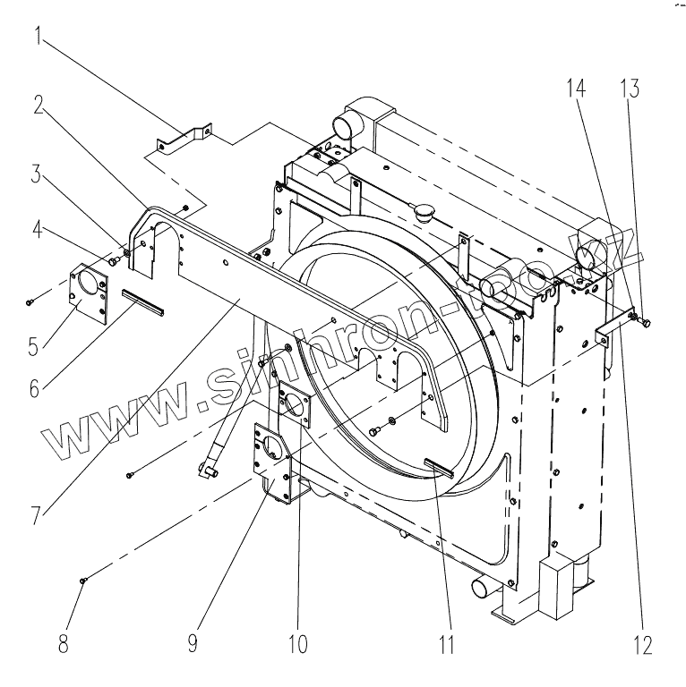
1
2
3
4
5
6
7
8
9
10
11
12
13
14
Позиция на иллюстрации
Заводской номер детали
Название детали
1
310800191
Left Bracket
2
801905485
Trim Seal
3
805300069
Шайба 8
4
805000018
Болт М8х20
5
310800485
Rubber Mat
6
801905486
Trim Seal
7
310800195
Plane
8
800105276
Plastic Bolt
9
310800487
Rubber Mat
10
310800489
Rubber Washer
11
801905484
Trim Seal
12
310800190
Right Bracket
13
805000727
Болт М10х25
14
805300017
Шайба 10
Содержащиеся в справочниках-каталогах запасные части и детали не предлагаются к продаже, а носят исключительно информационный характер
Дополнительная информация
×
Название:
Номер:
Примечание: