Каталог запасных частей к технике: XCMG XE150D. Tool Cover
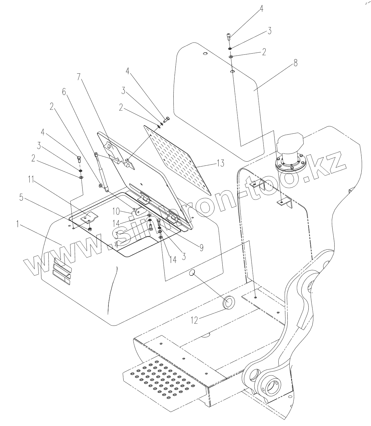
1
2
2
2
2
3
3
3
3
3
4
4
4
4
5
6
7
8
9
10
11
12
13
14
14
| Позиция на иллюстрации | Заводской номер детали | Название детали | |
|---|---|---|---|
| 1 | 310500854 | Down Protector | |
| 2 | 805300017 | Шайба 10 | |
| 3 | 805300014 | Шайба 10 | |
| 4 | 805000727 | Болт М10х25 | |
| 5 | 805200048 | Гайка М10 | |
| 6 | 801702818 | Gas Cylinder | |
| 7 | 801503919 | Lock | |
| 8 | 310500851 | Up Protector | |
| 9 | 805005196 | Bolt | |
| 10 | 805603791 | Pin | |
| 11 | 310500871 | Lock | |
| 12 | 310500119 | Rubber ring | |
| 13 | 310500872 | Cover | |
| 14 | 805300102 | Шайба 10 |
Содержащиеся в справочниках-каталогах запасные части и детали не предлагаются к продаже, а носят исключительно информационный характер