Вернуться на главную
Поиск
Каталоги запчастей к технике
Спецтехника
XCMG
XCT25L4_S
802149373 Кондиционеры и вспомогательные системы
Каталог запасных частей к технике: XCMG XCT25L4_S. 802149373 Кондиционеры и вспомогательные системы
zoom-in
zoom-out
enlarge
shrink
circle-right
circle-left
file-text2
info
cart
Тип техники
Не выбрано
Легковые автомобили
Грузовые автомобили и прицепы
Автобусы
Сельхозтехника
Спецтехника
Двигатели
Мототехника
Марка
Не выбрано
Ammann
BOMAG
CARMIX
CASE IH
Changlin
ChengGong
Dimex
Doosan
DYNAPAC
Foton
HAMM
Hidromek
Hitachi
Hyundai
JCB
JLG
John Deere
Komatsu
LIEBHERR
LiuGong
Lonking (LongGong)
Luneng
MANITOU
Mitsuber
New Holland
PENGPU
RM-Terex
SANY
SDLG
SEM
Shantui
Shehwa HBXG
Soosan
TIGARBO
VOGELE
Volvo
WAY
WIRTGEN
XCMG
XGMA
Xiamen
YTO
Yuchai
Zoomlion
Автокран
АЗСМ
Алтайлесмаш
Амкодор
АОМЗ
Атек
АТЗ
Балканкар Рекорд
БелАЗ
Беловеж
Борекс
Брянский Арсенал
Булат
ВЭКС
ГАЗ
Геомаш
Гидромаш
Донекс
Дормаш
Дормашина
Дорэлектромаш
ДЭЗ
ЕлАЗ
ЗЗГТ
Ижнефтемаш
Канаш-электрокар
КЗКТ
ККЗ
Клевер
Клинцовский автокрановый завод
КМЗ
КМЗ 1 Мая
Ковровец
Коммаш
Кранэкс
КЭЗ
КЭМЗ
ЛЗА
МАЗ
МЗИК
МЗКМ
МЗКТ
Михневский РМЗ
МоАЗ
Мозырский МЗ
МТЗ
ОЗП
Онежец
ПАО "ТЗА"
ППС Детва
Промтрактор
ПТЗ
Раскат
СпецАгрегат
ТВЭКС
ТТМ
УВЗ
Угличмаш
УЗТМ
ХТЗ
ЧЗКМ
ЧСДМ
ЧТЗ
ЭКСКО
ЭКСМАШ
ЮрМаш
Модель
Не выбрано
500KN, 500KSN (2013)
DT-140B (2010)
LW-166 (2008)
LW-541F (2010)
LW300FN (2013)
LW300KN (2013)
LW321F (2010)
QY25K (2010)
QY25K5-I (2009)
QY30K5-I (2009)
QY30KH (2009)
QY30KL (2009)
QY30KT5 (2009)
QY50K (2010)
QY50K (вариант) (2010)
QY65K (2010)
QY70K (2010)
QY70K (вариант) (2010)
WZ30-25 (2008)
WZ30-25 (англ.) (2008)
XCT25L4_S (2019)
XCT25L5_S (2019)
XE150D (2011)
XE230 (2011)
XE80 (2012)
XS143 (2017)
XS160 (XS190) (2010)
XSM218 (XSM220) (2010)
XSM218, XSM220 (2010)
XZ16K-XZ50K (2010)
XZ200 (2014)
XZ320 (2012)
XZ360E (2016)
XZ500 (2012)
XZ65K (2010)
XZ680A (2014)
YL16 (YL20) (2008)
YZC7 (2010)
ZL30BR (2014)
ZL30G (2008)
ZL30H (2012)
ZL50G (2008)
Автогрейдер-GR135 (2012)
ГНБ XZ-180 (2012)
Катки XD30, XD40 (2008)
Раб. оборуд. грейдеров GR (2010)
Схема
>
Не выбрано
110902737 Автокран
110900972 Опорно-поворотный подшипник
110903060 Поворотная платформа
110900976 Механизм поворота
803085389 Гидромотор
110902552 Стрела
110902511 Основная стрела в сборе
110900540 Прижимные канатный ролик
110900533 Узел ролика
110902406 Вторая секция стрелы в сборе
110902406 Вторая секция стрелы в сборе
114100715 Шкив в сборе
110902389 3-я Секция стрелы в сборе
110902389 3-я Секция стрелы в сборе
110900671 Шкив в сборе
110900686 Шкив в сборе
110902415 4-я секция стрелы в сборе
110900466 Шкив в сборе
110902401 Выдвижной механизм
110900806 Направляющее колесо в сборе
110902726 Кабина оператора
114000867 Кабина оператора в сборе
S0000031187 Стеклоочиститель в сборе
S0000031193 Раздвижная дверь в сборе
110902504 Подъёмный механизм
800363960 Редуктор лебедки
803081202 Двигатель
110902567 Вспомогательный подъемный механизм
800363960 Редуктор лебедки
803081202 Двигатель
110902372 Электрическая система автомобиля
110902363 Электрическая система стрелы
110902365 Сертификация EAC дополнительный пакет EAC
110902368 Вспомогательный рычаг электрический
110902371 Электрическая система поворотной платформы
110902376 Система ограничения грузового момента в сборе
110902380 Система ограничения грузового момента в сборе
110902385 Электрическая система кабины оператора
110902351 Левый контроллер в сборе
110902354 Левая панель управления
110902362 Панель управления в сборе
110902382 Приборный шкаф в сборе
110902379 Приборный шкаф
110902383 Правый контроллер в сборе
110902384 Правая панель управления
110902388 Вспомогательный рычаг электрический
110902553 Анемометр (опция)
114101154 Одинарный блок на оголовке стрелы, электрическая система
110902544 Гидравлическая система транспортного трубопровода
110902451 Обратный трубопровод и дренаж
110902447 Монтаж радиатора в сборе
803075680 Гидравлический масляный радиатор
803087155 Балансировочный клапан
110902502 Поворотный буферный клапан, установка
803072538 Поворотный буферный клапан
803087155 Балансировочный клапан
110902457 Пилотные управляющие трубопроводы
803386207 Регулирующий клапан
110902452 Переключающий клапан установка в сборе
803084853 Клапан
110902459 Трубопровод механизма выдвижения
110902464 Монтажный узле балансировочного клапана гидроцилиндра подъема
803001981 Балансировочный клапан
110902502 Поворотный буферный клапан, установка
110901282 Вспомогательный подъемный рычаг
110901274 Узел вспомогательного рычага в сборе
110900895 Шкив в сборе
114000254 Шкив в сборе
110902346 Телескопические цилиндры
110901000 Одинарный блок на оголовке стрелы
110900466 Шкив в сборе
110902698 Противовес
112106570 Установка для кондиционирования воздуха
114000824 Стреловой цилиндр
110902727 Капот
110902733 Капот
110900469 Канат и такелаж
110900474 Оснастка основной крюковой обоймы
110900473 Крепление вспомогательного крюка
110902075 Подъемный крюк
111201876 Подъемный крюк
110900467 Крюк на 3 тонны
112106860 Фиксирующие средства поворотного стола
137903284 Автокран шасси
137903284 Автокран шасси
137902955 Система освещения шасси
137902739 Глушитель монтаж
137902504 Крепление радиатора
137903027 Гидравлическая система рулевого управления
137903112 Крепление двигателя
137903113 Установка коробки передач
137903023 Цилиндр для подъема противовеса
134701929 Крепежное приспособление для подъема крюка
137800959 Стопорный штифт крюка
137903077 Поверхность для прохода в сборе
137903017 Воздушный резервуар в сборе
137903080 Третья ось в сборе
137903012 Пневматический клапан установка
137902789 Электромагнитный клапан ABS, монтаж ABS
130300408 Электромагнитный клапан в сборе
137902786 Установка педального реле
137902787 Установка педального реле II
137902788 Установка педального реле III
137902791 Ручной релейный клапан, установка
137903079 Вторичный вал в сборе
137903083 Установка трансмиссионного вала
137903145 Задняя подвеска
137903144 Лист рессоры в сборе
137901939 Установка топливного бака
134702025 Маслонасосная установка
134701716 Ватерпас
137903013 Пневматическая система трубопроводов
137903013 Пневматическая система трубопроводов
137903013 Пневматическая система трубопроводов
137903013 Пневматическая система трубопроводов
137903014 Соединение пневматических труб
137902932 Установка жгута проводов
134701806 Система подачи мочевины
137903157 Передняя подвеска
137903078 Первая ось в сборе
137800755 Монтаж шин
134701949 Цилиндр пятой выносной опоры
134702803 Установка для кондиционирования воздуха
135202675 Монтаж кондиционера
134701791 Управления трансмиссией
137902776 Кабина оператора
802149338 Левая кабина в сборе (узкий кузов)
802149287 Стеклоочиститель и вспомогательные системы (узкий)
802149351 Монтажная система сидений (узкая)
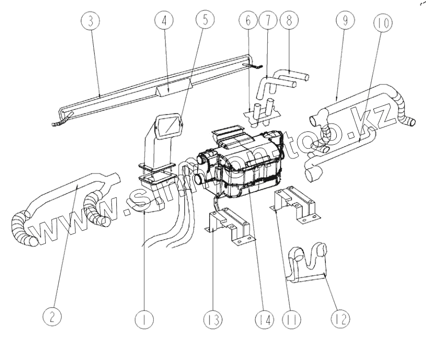
802149373 Кондиционеры и вспомогательные системы
802149386 Интерьер и вспомогательные системы
802149388 Рулевое управление и аксессуары (узкий корпус)
802149390 Приборная панель и вспомогательная система (узкая)
802149391 Наружная отделка
802149441 Дверные и вспомогательные системы
802149338 Левая кабина в сборе
134701940 Кронштейн стрелы
137902953 Капот в сборе
134701793 Левый обтекатель, установка
134701794 Планка правой боковой панели, установка
134701801 Установка воздушного фильтра
137902761 Установка батарей
137902760 Установка батарей
137900029 Горизонтальный цилиндр
134702023 Гидравлический бак в сборе
137902823 Центральный шарнир
135200500 Установка запасной шины
137902937 Вертикальный цилиндр
134703065 Задний вертикальный цилиндр
137902390 Выдвижение выносных опор в сборе
137902400 Выдвижение выносных опор
134702153 Опорная плита ноги в сборе
134702137 Система управления выносных опор
137902957 Гидравлическая система трубопровод шасси в сборе
137902960 Трубопроводы утечки масла
137902987 Масляные трубопроводы давления
137902974 Трубопровод для клапана выносных опор
137902997 Трубопровод пятой выносной опоры
137902408 Установка внутреннего трубопровода выносных опор
137903001 Трубопровод для подъема противовеса
137903115 Система рулевого управления
137800525 Пятая выносная опора
137800526 Основание
137903141 Пластина шасси
137901849 Система нагрева охлаждающей жидкости
1
2
3
4
5
6
7
8
9
10
11
12
13
14
Позиция на иллюстрации
Заводской номер детали
Название детали
1
802149378
Левый воздуховод обдува ног
2
802149375
Левый воздуховод обдува
3
802149331
Крышка переднего водяного отверстия
4
802149376
Фронтальный соединитель воздухозаборника
5
802149377
Внешний контур воздуховода в сборе
6
802149330
Соединения отеплителя
7
802149395
Нагреватель воды
8
802149354
Нагреватель воды
9
802149396
Воздушный проход справа face
10
802149294
Правая нога удар проток
11
802149392
Правый кронштейн кондиционера
12
802149358
Средний вентиляционный канал
13
802149323
Кондиционер левый кронштейн
14
802149321
Обогреватели
Содержащиеся в справочниках-каталогах запасные части и детали не предлагаются к продаже, а носят исключительно информационный характер
Дополнительная информация
×
Название:
Номер:
Примечание: