Вернуться на главную
Поиск
Каталоги запчастей к технике
Спецтехника
XCMG
WZ30-25 (англ.)
Compressor Bracket
Каталог запасных частей к технике: XCMG WZ30-25 (англ.). Compressor Bracket
zoom-in
zoom-out
enlarge
shrink
circle-right
circle-left
file-text2
info
cart
Тип техники
Не выбрано
Легковые автомобили
Грузовые автомобили и прицепы
Автобусы
Сельхозтехника
Спецтехника
Двигатели
Мототехника
Марка
Не выбрано
Ammann
BOMAG
CARMIX
CASE IH
Changlin
ChengGong
Dimex
Doosan
DYNAPAC
Foton
HAMM
Hidromek
Hitachi
Hyundai
JCB
JLG
John Deere
Komatsu
LIEBHERR
LiuGong
Lonking (LongGong)
Luneng
MANITOU
Mitsuber
New Holland
PENGPU
RM-Terex
SANY
SDLG
SEM
Shantui
Shehwa HBXG
Soosan
TIGARBO
VOGELE
Volvo
WAY
WIRTGEN
XCMG
XGMA
Xiamen
YTO
Yuchai
Zoomlion
Автокран
АЗСМ
Алтайлесмаш
Амкодор
АОМЗ
Атек
АТЗ
Балканкар Рекорд
БелАЗ
Беловеж
Борекс
Брянский Арсенал
Булат
ВЭКС
ГАЗ
Геомаш
Гидромаш
Донекс
Дормаш
Дормашина
Дорэлектромаш
ДЭЗ
ЕлАЗ
ЗЗГТ
Ижнефтемаш
Канаш-электрокар
КЗКТ
ККЗ
Клевер
Клинцовский автокрановый завод
КМЗ
КМЗ 1 Мая
Ковровец
Коммаш
Кранэкс
КЭЗ
КЭМЗ
ЛЗА
МАЗ
МЗИК
МЗКМ
МЗКТ
Михневский РМЗ
МоАЗ
Мозырский МЗ
МТЗ
ОЗП
Онежец
ПАО "ТЗА"
ППС Детва
Промтрактор
ПТЗ
Раскат
СпецАгрегат
ТВЭКС
ТТМ
УВЗ
Угличмаш
УЗТМ
ХТЗ
ЧЗКМ
ЧСДМ
ЧТЗ
ЭКСКО
ЭКСМАШ
ЮрМаш
Модель
Не выбрано
500KN, 500KSN (2013)
DT-140B (2010)
LW-166 (2008)
LW-541F (2010)
LW300FN (2013)
LW300KN (2013)
LW321F (2010)
QY25K (2010)
QY25K5-I (2009)
QY30K5-I (2009)
QY30KH (2009)
QY30KL (2009)
QY30KT5 (2009)
QY50K (2010)
QY50K (вариант) (2010)
QY65K (2010)
QY70K (2010)
QY70K (вариант) (2010)
WZ30-25 (2008)
WZ30-25 (англ.) (2008)
XCT25L4_S (2019)
XCT25L5_S (2019)
XE150D (2011)
XE230 (2011)
XE80 (2012)
XS143 (2017)
XS160 (XS190) (2010)
XSM218 (XSM220) (2010)
XSM218, XSM220 (2010)
XZ16K-XZ50K (2010)
XZ200 (2014)
XZ320 (2012)
XZ360E (2016)
XZ500 (2012)
XZ65K (2010)
XZ680A (2014)
YL16 (YL20) (2008)
YZC7 (2010)
ZL30BR (2014)
ZL30G (2008)
ZL30H (2012)
ZL50G (2008)
Автогрейдер-GR135 (2012)
ГНБ XZ-180 (2012)
Катки XD30, XD40 (2008)
Раб. оборуд. грейдеров GR (2010)
Схема
>
Не выбрано
Engine System 1
Engine System 2
Air Cleaner Assy
Air Cleaner Diagram
Muffler
Fuel Oil Tank
Working Oil Tank
Front Rear Axle Assy
Rear Main Transmission Assy
Planetary Reductor Assy
Brake Assy
Tire Rim Assy
Transmission Hydraulic System
Torque Converter Assy
Regulator Valve Assy
Driving Shaft Assy
Loader Working Device
Rear Chassis
Front Chassis Assy
Excavating Working Device
Working Device Hydraulic System 1
Working Device Hydraulic System 2
Steering Hydraulic System
Loader Hydranlic System
Pilot Hydraulic System
Leg Hydraulic System
Hydraulic Grush System
Compressor Bracket
Hood
Brake System
Brake Governor
Air Master Unit
Tank
Parking Brake System
Propulsion System
Cab Assy
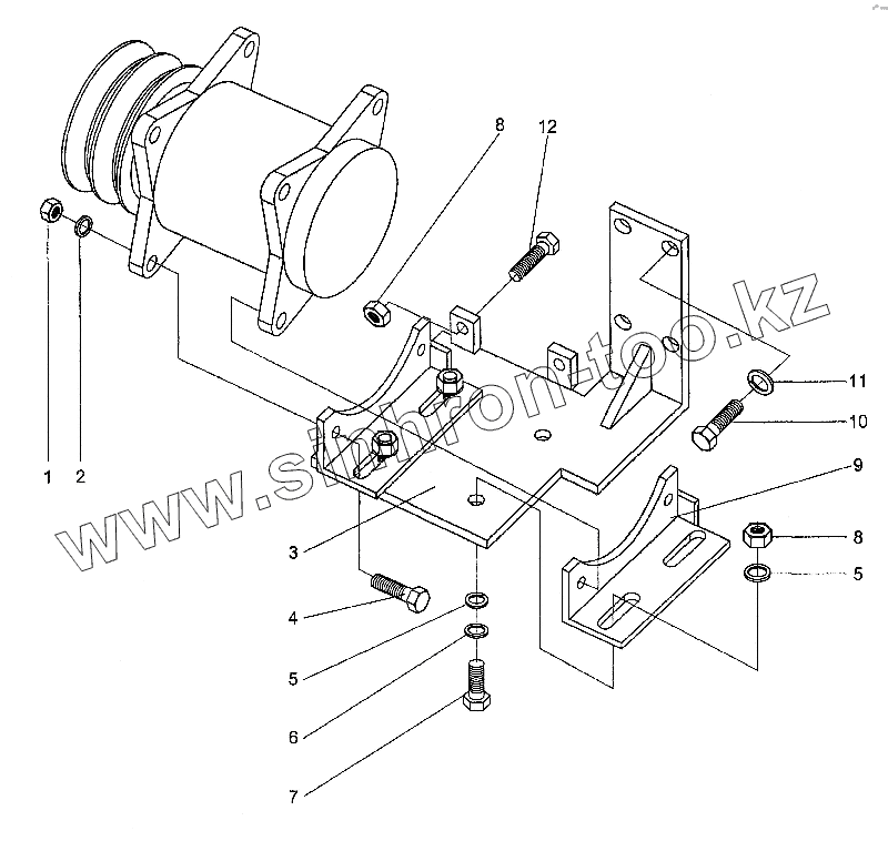
1
2
3
4
5
5
6
7
8
8
9
10
11
12
Позиция на иллюстрации
Заводской номер детали
Название детали
1
GB6170-86
Гайка
2
GB93-87
Шайба 12
3
WZ30.1.8.1B
Plate
4
GB5783-86
Болт
5
GB97.1-85
Шайба
6
GB93-87
Шайба 12
7
GB5783-86
Болт
8
GB6170-86
Гайка
9
WZ30.1.8.2
Крепежный угольник
10
GB5783-86
Болт
11
GB93-87
Шайба 12
12
GB5783-86
Болт
Содержащиеся в справочниках-каталогах запасные части и детали не предлагаются к продаже, а носят исключительно информационный характер
Дополнительная информация
×
Название:
Номер:
Примечание: