Каталог запасных частей к технике: XCMG Раб. оборуд. грейдеров GR. Snow-sweeping device GR215
1
2
3
4
5
6
7
8
8
8
9
9
9
9
10
10
10
10
11
11
11
11
12
12
12
13
14
14
14
15
15
16
17
18
19
20
21
22
23
24
25
25
25
25
25
25
26
26
26
26
26
26
27
27
27
27
28
29
29
30
31
32
33
34
35
36
37
38
39
40
40
41
41
41
41
42
42
42
42
42
43
43
43
43
44
44
45
46
47
48
48
49
49
49
49
49
49
49
50
51
52
53
53
53
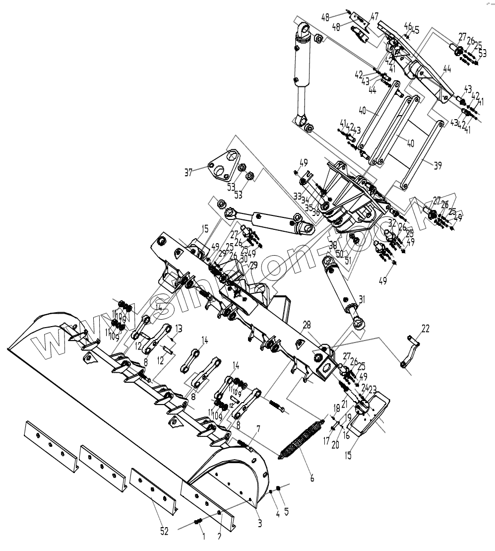
| Позиция на иллюстрации | Заводской номер детали | Название детали | |
|---|---|---|---|
| 1 | 104000063 | Bolt M20X70 | |
| 2 | 001130279 | Blade | |
| 3 | 001130252 | Snow Cave Shovel | |
| 4 | 104040006 | Washer 20 | |
| 5 | 104030018 | Nut 20 | |
| 6 | 001130271 | Spring | |
| 7 | 001130286 | Bolt | |
| 8 | 001130290 | Pole | |
| 9 | 104040089 | Washer 30 | |
| 10 | 104040075 | Washer 30 | |
| 11 | 104030215 | Nut M30 | |
| 12 | 001130259 | Pin | |
| 13 | 104070018 | Pin 5X50 | |
| 14 | 001130284 | Pole | |
| 15 | 001130255 | Abutment | |
| 16 | 001130266 | Plate | |
| 17 | 001130256 | Pin | |
| 18 | 104000604 | Bolt M5X40 | |
| 19 | 104040070 | Washer 5 | |
| 20 | 104030214 | Nut M5 | |
| 21 | 001130262 | Suport | |
| 22 | 001130274 | Crank | |
| 23 | 104040005 | Washer 12 | |
| 24 | 104000313 | Bolt M12X40 | |
| 25 | 104000082 | Bolt M10X30 | |
| 26 | 104040008 | Washer 10 | |
| 27 | 001130272 | Axle | |
| 28 | 001130275 | Swing Rack | |
| 29 | 001130268 | Pin | |
| 30 | 001130270 | Pin | |
| 31 | Hydraulic system | Hydraulic system | |
| 32 | 001130122 | Pin | |
| 33 | 001130289 | Pin | |
| 34 | 104000275 | Bolt M16X25 | |
| 35 | 104040004 | Washer 16 | |
| 36 | 104040058 | Washer 16 | |
| 37 | 001130257 | Bed plate | |
| 38 | 001130278 | Hinge Joint Rack | |
| 39 | 001440124 | Front board | |
| 40 | 001440131 | Connecting rod | |
| 41 | 104000091 | Bolt M8X20 | |
| 42 | 104040007 | Washer 8 | |
| 43 | 001130285 | Pin | |
| 44 | 001130283 | Front Faceplate | |
| 45 | 104030216 | Nut M8 | |
| 46 | 104040081 | Washer 8 | |
| 47 | 001130276 | Cover plate | |
| 48 | 104000010 | Bolt M8X25 | |
| 49 | 108000002 | Conical Grease Nipple M10X1 | |
| 50 | 001130267 | Ball Spindle | |
| 51 | 001130261 | Down Ball Seat | |
| 52 | 001130281 | Blade | |
| 53 | 001130273 | Space Bushing |
Содержащиеся в справочниках-каталогах запасные части и детали не предлагаются к продаже, а носят исключительно информационный характер