Вернуться на главную
Поиск
Каталоги запчастей к технике
Спецтехника
XCMG
QY65K
QY65K.20II Balance
Каталог запасных частей к технике: XCMG QY65K. QY65K.20II Balance
zoom-in
zoom-out
enlarge
shrink
circle-right
circle-left
file-text2
info
cart
Тип техники
Не выбрано
Легковые автомобили
Грузовые автомобили и прицепы
Автобусы
Сельхозтехника
Спецтехника
Двигатели
Мототехника
Марка
Не выбрано
Ammann
BOMAG
CARMIX
CASE IH
Changlin
ChengGong
Dimex
Doosan
DYNAPAC
Foton
HAMM
Hidromek
Hitachi
Hyundai
JCB
JLG
John Deere
Komatsu
LIEBHERR
LiuGong
Lonking (LongGong)
Luneng
MANITOU
Mitsuber
New Holland
PENGPU
RM-Terex
SANY
SDLG
SEM
Shantui
Shehwa HBXG
Soosan
TIGARBO
VOGELE
Volvo
WAY
WIRTGEN
XCMG
XGMA
Xiamen
YTO
Yuchai
Zoomlion
Автокран
АЗСМ
Алтайлесмаш
Амкодор
АОМЗ
Атек
АТЗ
Балканкар Рекорд
БелАЗ
Беловеж
Борекс
Брянский Арсенал
Булат
ВЭКС
ГАЗ
Геомаш
Гидромаш
Донекс
Дормаш
Дормашина
Дорэлектромаш
ДЭЗ
ЕлАЗ
ЗЗГТ
Ижнефтемаш
Канаш-электрокар
КЗКТ
ККЗ
Клевер
Клинцовский автокрановый завод
КМЗ
КМЗ 1 Мая
Ковровец
Коммаш
Кранэкс
КЭЗ
КЭМЗ
ЛЗА
МАЗ
МЗИК
МЗКМ
МЗКТ
Михневский РМЗ
МоАЗ
Мозырский МЗ
МТЗ
ОЗП
Онежец
ПАО "ТЗА"
ППС Детва
Промтрактор
ПТЗ
Раскат
СпецАгрегат
ТВЭКС
ТТМ
УВЗ
Угличмаш
УЗТМ
ХТЗ
ЧЗКМ
ЧСДМ
ЧТЗ
ЭКСКО
ЭКСМАШ
ЮрМаш
Модель
Не выбрано
500KN, 500KSN (2013)
DT-140B (2010)
LW-166 (2008)
LW-541F (2010)
LW300FN (2013)
LW300KN (2013)
LW321F (2010)
QY25K (2010)
QY25K5-I (2009)
QY30K5-I (2009)
QY30KH (2009)
QY30KL (2009)
QY30KT5 (2009)
QY50K (2010)
QY50K (вариант) (2010)
QY65K (2010)
QY70K (2010)
QY70K (вариант) (2010)
WZ30-25 (2008)
WZ30-25 (англ.) (2008)
XCT25L4_S (2019)
XCT25L5_S (2019)
XE150D (2011)
XE230 (2011)
XE80 (2012)
XS143 (2017)
XS160 (XS190) (2010)
XSM218 (XSM220) (2010)
XSM218, XSM220 (2010)
XZ16K-XZ50K (2010)
XZ200 (2014)
XZ320 (2012)
XZ360E (2016)
XZ500 (2012)
XZ65K (2010)
XZ680A (2014)
YL16 (YL20) (2008)
YZC7 (2010)
ZL30BR (2014)
ZL30G (2008)
ZL30H (2012)
ZL50G (2008)
Автогрейдер-GR135 (2012)
ГНБ XZ-180 (2012)
Катки XD30, XD40 (2008)
Раб. оборуд. грейдеров GR (2010)
Схема
>
Не выбрано
QY65K.00 Track Crane
QY65K.01 Hook
QY65K.02II Boom
QY65K.02II.1 Base Boom
QY65K.02II.1.2 Roll
QY65K.02II.2 2nd Section
QY65K.02II.3 3rd Section
QY65K.02II.4 4th Section
QY65K.02II.5 5th Section
QY65K.02 II.6 Telescoping Units
QY65K.03A Control Cab
QY65K.11.1 Operating Cabs Electric System
QY65K.11.2 Turn Table Appliance
QY65K.11.3 Boom Electric System
QY35K.11.ЗВ The Jib Boom Electric System
QY35K.11.4А Boom End Single Pulley Electric System
QY65K.13A Disposal of Hydraulic Pipeline
QY65K.05 Rotation table
QY65K.06 Slewing Bearing
QY65K.07 Slewing Movement
QY65K.08 Lifting movement
QY16K.09A Oil Valve Control
QY50K.14C Jip
QAY50.18 Boom Cap Single Pulley
QY65K.20II Balance
QY65K.20II.2 Jib Balance
QY35K.29 Sub-hook
QY65K.34 Mid Boom Hook
QY65K.90.1 Steel Cable and Ringing
QY50K.90.2 Steel Cable and Ringing
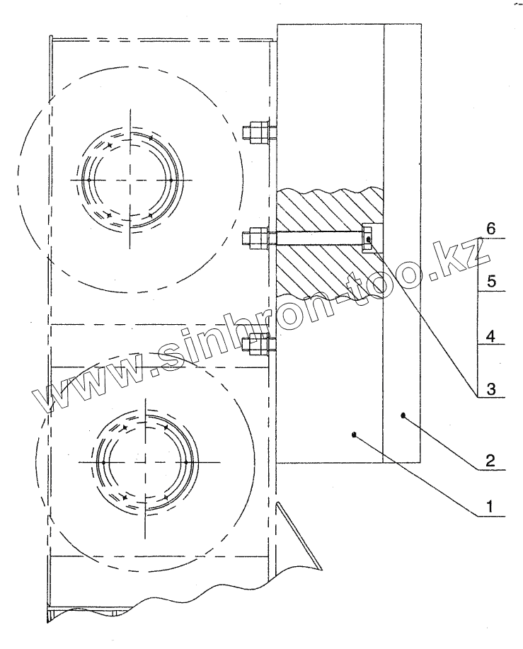
1
2
3
4
5
6
Позиция на иллюстрации
Заводской номер детали
Название детали
1
QY65K.20II.1
Base balance
2
QY65K.20II.2
Sub - balance
3
10410704
Bolt М36х340
4
10440040
Washer 36
5
10430075
Nut М36
6
10430124
Nut M36
Содержащиеся в справочниках-каталогах запасные части и детали не предлагаются к продаже, а носят исключительно информационный характер
Дополнительная информация
×
Название:
Номер:
Примечание: