Каталог запасных частей к технике: XCMG QY30KL. 111500047 3rd Section Boom
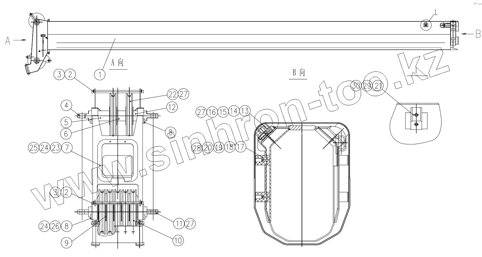
1
2
2
3
3
4
5
6
7
8
8
9
10
11
12
13
14
15
16
17
18
19
20
21
22
23
24
24
25
26
27
27
27
28
29
30
| Позиция на иллюстрации | Заводской номер детали | Название детали | |
|---|---|---|---|
| 1 | 111500048 | 3rd Section boom Structure | |
| 2 | 111202017 | Slider | |
| 3 | 111201134 | Plate | |
| 4 | 111202068 | Bolt | |
| 5 | 111200642 | Surport | |
| 6 | 111202018 | Slider | |
| 7 | 111701593 | Slide Patch | |
| 8 | 111701603 | Slider | |
| 9 | 111701028 | Mat | |
| 10 | 111701604 | Slider | |
| 11 | 111701006 | Slider | |
| 12 | 111701605 | Slider | |
| 13 | 111500280 | Slider | |
| 14 | 111202181 | Pin Shaft | |
| 15 | 111201170 | Mat | |
| 16 | 111201171 | Mat | |
| 17 | 111202020 | Slider | |
| 18 | 111200713 | Mat | |
| 19 | 111200714 | Mat | |
| 20 | 111202021 | Slider | |
| 21 | 111200715 | Mat | |
| 22 | 111200716 | Mat | |
| 23 | 112100562 | Pulley Assemble | |
| 24 | 111200708 | Sleeve | |
| 25 | 112100565 | Pin | |
| 26 | 111200712 | Retaining Plate | |
| 27 | 111701606 | Plate | |
| 28 | 111701029 | Plate | |
| 29 | 805100232 | Bolt M8x25 | |
| 30 | 805300069 | Шайба 8 | |
| 31 | 805300010 | Шайба 8 | |
| 32 | 805200045 | Гайка М8 | |
| 33 | 805200116 | Nut | |
| 34 | 805600130 | Pin B16x85 | |
| 35 | 805600006 | Штифт 4x30 | |
| 36 | 801100336 | Масленка M10x1 | |
| 37 | 805100037 | Bolt M8x25 | |
| 38 | 805000008 | Болт М6х12 | |
| 39 | 805300191 | Washer 6 | |
| 40 | 805300018 | Шайба 12 | |
| 41 | 805300113 | Washer | |
| 42 | 805000045 | Болт M12x40 |
Содержащиеся в справочниках-каталогах запасные части и детали не предлагаются к продаже, а носят исключительно информационный характер