Вернуться на главную
Поиск
Каталоги запчастей к технике
Спецтехника
XCMG
QY25K
QY25K.20A Balance
Каталог запасных частей к технике: XCMG QY25K. QY25K.20A Balance
zoom-in
zoom-out
enlarge
shrink
circle-right
circle-left
file-text2
info
cart
Тип техники
Не выбрано
Легковые автомобили
Грузовые автомобили и прицепы
Автобусы
Сельхозтехника
Спецтехника
Двигатели
Мототехника
Марка
Не выбрано
Ammann
BOMAG
CARMIX
CASE IH
Changlin
ChengGong
Dimex
Doosan
DYNAPAC
Foton
HAMM
Hidromek
Hitachi
Hyundai
JCB
JLG
John Deere
Komatsu
LIEBHERR
LiuGong
Lonking (LongGong)
Luneng
MANITOU
Mitsuber
New Holland
PENGPU
RM-Terex
SANY
SDLG
SEM
Shantui
Shehwa HBXG
Soosan
TIGARBO
VOGELE
Volvo
WAY
WIRTGEN
XCMG
XGMA
Xiamen
YTO
Yuchai
Zoomlion
Автокран
АЗСМ
Алтайлесмаш
Амкодор
АОМЗ
Атек
АТЗ
Балканкар Рекорд
БелАЗ
Беловеж
Борекс
Брянский Арсенал
Булат
ВЭКС
ГАЗ
Геомаш
Гидромаш
Донекс
Дормаш
Дормашина
Дорэлектромаш
ДЭЗ
ЕлАЗ
ЗЗГТ
Ижнефтемаш
Канаш-электрокар
КЗКТ
ККЗ
Клевер
Клинцовский автокрановый завод
КМЗ
КМЗ 1 Мая
Ковровец
Коммаш
Кранэкс
КЭЗ
КЭМЗ
ЛЗА
МАЗ
МЗИК
МЗКМ
МЗКТ
Михневский РМЗ
МоАЗ
Мозырский МЗ
МТЗ
ОЗП
Онежец
ПАО "ТЗА"
ППС Детва
Промтрактор
ПТЗ
Раскат
СпецАгрегат
ТВЭКС
ТТМ
УВЗ
Угличмаш
УЗТМ
ХТЗ
ЧЗКМ
ЧСДМ
ЧТЗ
ЭКСКО
ЭКСМАШ
ЮрМаш
Модель
Не выбрано
500KN, 500KSN (2013)
DT-140B (2010)
LW-166 (2008)
LW-541F (2010)
LW300FN (2013)
LW300KN (2013)
LW321F (2010)
QY25K (2010)
QY25K5-I (2009)
QY30K5-I (2009)
QY30KH (2009)
QY30KL (2009)
QY30KT5 (2009)
QY50K (2010)
QY50K (вариант) (2010)
QY65K (2010)
QY70K (2010)
QY70K (вариант) (2010)
WZ30-25 (2008)
WZ30-25 (англ.) (2008)
XCT25L4_S (2019)
XCT25L5_S (2019)
XE150D (2011)
XE230 (2011)
XE80 (2012)
XS143 (2017)
XS160 (XS190) (2010)
XSM218 (XSM220) (2010)
XSM218, XSM220 (2010)
XZ16K-XZ50K (2010)
XZ200 (2014)
XZ320 (2012)
XZ360E (2016)
XZ500 (2012)
XZ65K (2010)
XZ680A (2014)
YL16 (YL20) (2008)
YZC7 (2010)
ZL30BR (2014)
ZL30G (2008)
ZL30H (2012)
ZL50G (2008)
Автогрейдер-GR135 (2012)
ГНБ XZ-180 (2012)
Катки XD30, XD40 (2008)
Раб. оборуд. грейдеров GR (2010)
Схема
>
Не выбрано
QY25K.00 Truck Crane
QY25K.01 HooK
QY25K.02III Boom
QY25.K.02III.1 Base Boom
QY25K.02III.2 2nd Section
QY25K.02III.3 3rd Section
QY25K.02III.4 4th Section
QY25K.02III.5 Telescoping Units
QY16K.03C Control Cab
QY25K.05 Rotation table
QY25K.06 Slewing Bearing
QY25K.07 Slewing Movement
QY16K.08 Lifting movement
QY16K.09A Oil Valve Control
QY16K.11.1А Operating Cabs Electric System
QY25K.11.2B Turn Table Appliance
QY25К.11.3В Boom Electric System
QY16K.11.4A The Jib Boom Electric System
QY25K.11.5А Boom End Single Pulley Electric System
QY16K.11.6 Balance Electric System
QY25K.13 Hydraulic System Pipeline of Crane (main)
QY25K.13 Hydraulic System Pipeline of Crane (control)
QAY25.18 Boom Cap Single Pulley
QY25K.14 Jib
QY25K.20A Balance
QY16K.29 Sub - hook
QY25K.90.1 Steel Cable & Ringing
QY25K.90.2 Steel Cable & Ringing
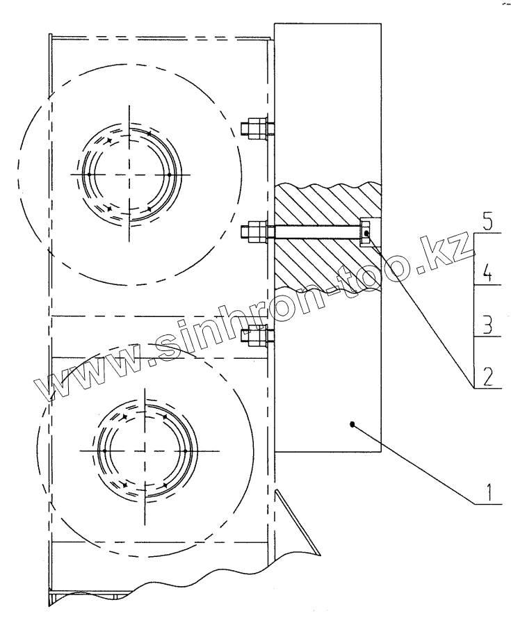
1
2
3
4
5
Позиция на иллюстрации
Заводской номер детали
Название детали
1
QY25K.20.1А
Balance
2
10410726
Bolt МЗ6х360
3
10440040
Washer 36
4
10430075
Nut М36
5
10430124
Nut M36
Содержащиеся в справочниках-каталогах запасные части и детали не предлагаются к продаже, а носят исключительно информационный характер
Дополнительная информация
×
Название:
Номер:
Примечание: